1.2 办公设备的电路结构

1.2.1 打印机的电路结构

1.打印机的功能特点

打印机是打印图文的设备,计算机处理后的文稿可以打印在纸上,扫描仪扫描文稿的图像也可以打印出来。此外,传真机接收的传真文稿也可以打印出来,这就是打印机。

2.打印机的电路原理

图1-12所示是打印机的电路结构方框图。该机具有两套打印机构,一是喷墨打印部分,另一个是激光打印部分。很多打印机只有一种打印方式。传真的文稿信息通过传真机的调制解调器将电话线路传输的文稿信息变成数字信号送给数据处理芯片,扫描仪可对需要复印的文稿扫描并将文稿图像变成数字信息送给数据处理芯片,无线接收电路可以接收无线设备发射的图文信息送给数据处理芯片。此外数据处理芯片还可通过USB接口和网络接口接收图文数据信息。这些数据信息经处理器转换成打印数据再去驱动打印机完成文稿的打印。

图1-12 打印机的电路方框图

喷墨打印部分是由喷墨打印头在数字信号的控制下,将各色墨水喷射到打印纸上。彩色打印头由四色喷头,可以打印出彩色文稿。

激光打印机中的激光发射器按照打印数据的规律对感光鼓进行扫描,并形成静电潜像,再经显影和定影过程实现文稿的打印。

1.2.2 激光打印机的电路结构

1.激光打印机的功能特点

激光打印机主要采用激光打印技术,通过激光束将图文信息加载到显影组件上,经过显影、定影等一系列处理后,最后输出打印好的图文。

激光打印机接收到电脑主机发送的数据信息后,通过数据转换将数据信息转换成打印机的打印信息,通过此信息进一步去调制激光器,激光器发射激光束,经扫描器在感光鼓上生成静电潜像,同时打印机驱动走纸,通过图像转印和高温定影将打印完成的最终稿件输出,图1-13所示为激光打印机的基本工作流程图。

图1-13 激光打印机的基本工作流程图

2.激光打印机的电路原理

激光打印机虽然其内部结构有所区别,但其基本工作流程相同,图1-14所示为ML—1610型激光打印机的整机电路结构方框图。该激光打印机的电路部分主要有微处理器控制电路板、开关电源电路板、高压电路板及外部相关的电路和器件等部分组成的。

图1-14 ML—1610型激光打印机整机电路结构方框图

图1-15所示为ML—1610型激光打印机的内部电路连接图,从图中可知,打印机内部的电路结构等相互进行信号传输,相关部分相互作用。这些相关的部分有走纸电动机(主电动机)、激光器件、定影加热器、直流控制板等,各电路板之间通过多组引线和插件相互连接,用以传递控制信号、数字信号和电源供电信号。

图1-15 ML—1610型激光打印机内部电路连接图

ML—1610型激光打印机有两个与外部设备连接的接口,一个是交流220V供电电路板,它是为打印机提供能源的部分,二是与电脑主机相连,打印机受电脑控制,传递电脑输出数据的数据接口。

由电脑主机USB接口送来的数字信号和指令控制信号送到打印机的输入接口,经接口送到控制电路板上的数据处理和控制芯片。经数据处理和控制将打印数据送到激光器组件去调制激光发射器,同时控制相关的机构和电路完成打印工作:

[1] 驱动走纸电动机(主电动机)旋转,进行输纸驱动;

[2] 控制高压电路,为充电辊、显影辊、转印辊、感光鼓提供所需要的电压;

[3] 控制定影加热器到所需要的温度;

开关电源为各种电路和器件提供所需要的电压,主要是直流+5V和+24V电压。

1.2.3 针式打印机的电路结构

1.针式打印机的功能特点

针式打印机是采用打印针和色带组合的方式进行打印的,这种打印方式成本低,通常制成票据专用打印机。相对于喷墨式和激光式打印机精度较低。

2.针式打印机的电路原理

图1-16所示是针式打印机的电路结构。由图可见,它主要是由控制和数据处理电路、打印机构(含打印头、字车电动机、走纸电动机和传感器)、操作显示电路和电源供电部分构成的。

图1-16 针式打印机的电路结构

(1)控制和数据处理电路

控制和数据处理电路通过接收自来电脑的数据并按到来的顺序存入RAM,控制板上的CPU从RAM中读取数据并按储存在ROM中的程序对数据进行编辑。当编辑完成后,CPU发出各种驱动信号到打印机构并执行打印。

● CPU TMP95C041:

控制整个打印机。

● UVE—PROM 1M bit:

内存有打印机的控制程序。

● Masked ROM 8M bit:

是字库存储器。

● EE—PROM KM93C46 64X16bit:

存储打印机设置的数据(EDS数据等)。

● RAM 1M bit:

用做CPU的堆栈区,工作区和缓冲区。

● 并行接口。

● 门列阵(打印数据处理电路的集成电路):

各种信号的输入或输出。

● 驱动:

经CPU和门陈列处理后的数据,再转化为相应的打印头、字车电动机及走纸电动机的驱动信号后被送往打印机构。

(2)操作显示电路

该电路是打印机的人工操作部分。

(3)打印机构

打印机构包括打印头、字车电动机、走纸电动机和传感器。

(4)电源部分

将交流电源转化为26V和5V的直流电。

1.2.4 传真机的电路结构

1.传真机的功能特点

传真机是通过电话网传输文稿的设备,它通常与电话机制成一体,既可以拨打电话又可以收发传真。由于网络的应用,很多文稿的传输由电脑和打印机来实现。单一功能的传真机被多功能机所取代。

2.传真机的电路原理

图1-17所示是F0—90CN型传真机的电路结构方框图。

图1-17 F0—90CN型传真机的电路结构方框图

由图中可见,该传真机主要是由如下5个部分组成的。

[1] 图像扫描器:将文稿的光图像信号变成电信号。

[2] 文稿打印组件:用接收到的电信号控制热敏打印头,完成文稿的打印工作。

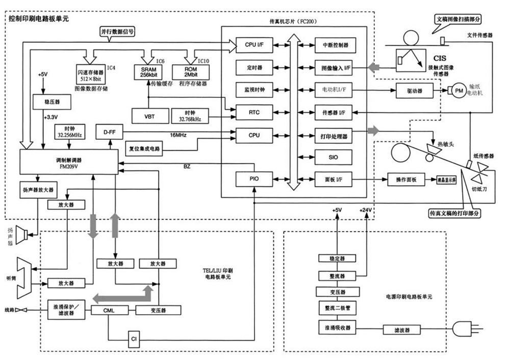
[3] 传真机的控制电路:主要包括传真机主控芯片FC200、调制解调器FM209V、存储器、复位电路、时钟电路、接口电路等。它是传真机的核心电路,用于接收和发送通过电话线传送的传真信号,控制打印机构,接收文稿扫描器中图像传感器的文稿数字信号及机械传感器的传感信号,并对各部分进行协调控制。

[4] 电话/传真线路接口电路:它与电话线路相连,可以收发信号,同时也与电话(听筒/受话器)相连,收发话音信号。

[5] 电源电路:它为整个传真机提供+5V和+24V直流电压。实际上是一个开关稳压电源。

在待机状态下,将文稿面朝下插入传真机中,在文稿输入通道入口处设有文稿传感器。传感器将检测到的文稿插入信号经接口电路传送到传真机的主控集成电路中。控制芯片收到传感器的信号后便输出电动机驱动信号,使电动机转动,驱动文稿进入待机位置,在待机状态下按启动(START)键,则电动机再次启动,使文稿缓缓经过传真机的图像扫描器。该传真机采用接触式图像传感器(CIS),将图像信号变成电信号后,先送到图像信号处理电路中,然后将模拟信号变成二进制数字信号。此信号经编码处理后被送到随机存取存储器内,再经缓冲器送到调制解调器,将数据的并行方式变成串行方式并送入电话线路,传输到接收端的传真机中。

3.传真机主控芯片

图1-18所示是MURATEC MX—8型传真机的主控芯片,电话信号的调制处理、收发传真数据都是通过其上的各个芯片完成的。

图1-18 MURATEC MX—8型传真机的主控芯片

图1-19所示是夏普F0—90CN型传真机收发控制电路的工作流程图。IC3(FC200)是传真机的主控微处理器,它可以接收由操作电路板送入的人工指令,也可同时检测各部位传感器的信号。外部电源、复位电路、时钟振荡器为它提供所必需的工作条件。微处理器接收到人工指令或来自电话线路的信号(自动状态)后,通过扫描器,打印头及电动机和传动机构完成收发传真的工作。

图1-19 夏普F0—90CN型传真机收发控制电路的工作流程图

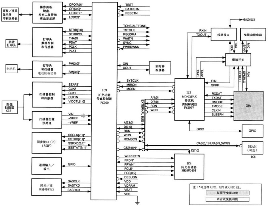
传真机主控芯片FC200控制来自调制解调器的处理信号进入准备接收数据的状态。当操作启动键或自动识别出话路信号后,芯片中相应的程序启动(程序C阶段),来自调制解调器的串行信号在FC200的调制解调器接口处被转换成并行信号,并存储在随机存取存储器的接收缓冲器中。接收缓冲器内的数据通过软件解调,在图像缓冲器内重新变成二进制图像数据。此数据以DMA(标准传真数字信号模式)的方式传送到FC200中的打印处理器中,然后将并行数据转换成串行数据并送到热敏打印头。最后通过FC200控制电动机转动和选通信号,逐行打印数据,形成文稿输出。主控芯片FC200的外部引脚和内部电路功能图如图1-20所示。

图1-20 主控芯片FC200的外部引脚和内部电路功能图

在发送传真状态下,将文稿插入扫描器中,装在扫描器中的传感器检测到文稿插入后给微处理器发出传感信号,于是微处理器发出指令使电动机动作,将文稿送到初始扫描的准备位置,然后等待人工指令。用户拨通对方电话,对方做好接收准备后操作启动键,于是对方的接收准备状态信号会发送过来。收到对方传真接收的状态信号后,用户便操作启动键,FC200便给文稿图像扫描器及电动机发出控制信号,图像扫描传感器(CIS)将光图像信号变成电信号,经扫描图像预处理后送给主控微处理器IC3(FC200)。IC3中具有传真图像处理电路,经处理后将图像数字信号变成8位并行的一页一页的数据格式D[7:0]并存入IC4中。传真的数字信号在微处理器的控制下经调制解调器IC5变成串行文稿数字信号(TXOUT串行信号),经线路接口送入电话网。

在接收传真状态下,由电话线路送来的传真信号(串行信号)首先经线路接口送入调制解调器,经调制解调器处理后变成并行数字信号,然后经数据总线存入存储器IC4中。微处理器在接收传真状态下,从存储器IC4中将数字信号取出并进行处理,再将其变成串行数字信号并送入打印头数据控制电路,形成驱动热敏打印头的控制信号。与此同时,微处理器控制输纸机构完成接收传真的打印工作。

在复印状态下,在微处理器的控制下将图像扫描器输出的数字信号转换成驱动打印头的信号,一边扫描一边打印,完成复印任务。

4.传真机的工作流程

(1)发送传真的工作流程

传真机发送传真的工作流程图如图1-21所示。从图上可以看到,发送传真时的文稿扫描过程与上述复印过程大体相同,所不同的是数字图像信号经传真机控制器后送到调制解调器,调制解调器的信号再经过线路接口输出并由电话线路传输出去。具体的工作流程如下。

图1-21 传真机发送传真时的工作流程图

发送传真时,在待机状态下将文稿文字面朝下插入传真机中。在文稿输入通道入口处设有文稿传感器,该传感器将检测到的文稿插入信号经接口电路传送到传真机的主控集成电路(传真机控制器)。控制器收到传感器的信号后便输出电动机驱动信号,使电动机转动,驱动文稿进入待机位置。在待机状态下按启动键后,文稿便进入传真机的图像扫描器中。图像扫描器将文稿的图像信息变成电信号并送入主控电路中。与此同时,调制解调器输出处理信号并通过电话线送到接收端的传真机中。这样,文稿传真就发送完毕了。

(2)传真机接收传真的工作流程

接收传真功能是将对方通过电话线路传来的文稿图像信号,经处理后变成驱动打印头的信号,然后通过输纸机构的同步动作将文稿重新打印出来。

传真机接收传真的工作流程图如图1-22所示。由电话线路送来的传真信号经线路接口电路送至调制解调器,然后将解调的传真信号送到传真机控制器中,最后在控制器的控制下将收到的传真信号打印出来。打印过程与复印过程是相同的。

图1-22 传真机接收传真的工作流程图

接收传真的操作方式有两种,即手动和自动。在手动接收模式的摘机状态下按启动键,或在自动接收模式下通过对信号的检测,启动打印和输纸系统。无论是手动接收还是自动接收,它们的内部信号流程是一样的,不同的是主控电路以哪种方式来驱动接收传真而已。具体的接收流程如下:

在接收传真时,传真机的主控制器控制来自调制解调器的处理信号进入准备接收数据的状态。当操作启动键或自动识别出话路信号后,主控制器中的相应程序启动。来自调制解调器的串行信号在主控制器的调制解调器接口处被转换成并行信号,并存储在随机存储器的接收缓冲器中。接收缓冲器中的数据通过软件解调,在图像缓冲器内重新变成二进制图像数据。此数据以标准传真数字信号的方式传送到主控制器的打印处理器中,然后将并行数据转换成串行数据并送至热敏打印头。最后,通过步进电动机的转动,逐行打印数据并形成文稿输出。这样,传真就接收完毕了。

传真机的内部电路主要包括主控制电路、调制解调器电路、传感器电路、图像处理电路、操作面板控制电路、通信控制电路、电源电路、收/发混合电路等。

(3)主控制电路的工作过程

图1-23所示为主控制电路的工作原理图。

图1-23 主控制电路的工作原理图

从图1-23所示电路中可以看到,传真机的数据处理与控制电路可接收和发送通过电话线传送的传真信号,控制打印机构,接收文稿扫描器中图像传感器发出的文稿数字信号及机械传动信号,并对各部分进行协调控制。

数据处理与控制电路是主控制电路板上的主控电路,它是一个微处理器,可以接收由操作电路板送入的人工指令,同时检测各处传感器发出的信号。外部电源、复位电路和时钟振荡器为它提供所必需的工作条件(电源、复位电路在图1-23中已省略)。微处理器接收到人工指令或来自电话线路的信号(自动状态)后,通过扫描器、打印头、电动机和传动机构完成收发传真的工作。

在发送传真状态下,将文稿插入扫描器中,装在扫描器中的传感器检测到文稿插入后,向微处理器发出传感信号。于是微处理器发出指令使电动机动作,将文稿送到初始位置,然后等待人工指令。用户拨通对方电话,对方做好接收准备后操作启动键,于是对方的接收准备状态信号会发送过来。发送方传真机收到对方接收传真的状态后,操作启动键,数据处理和控制电路便给图像传感器及电动机发出控制信号,图像传感器将光图像变成电信号,经扫描图像预处理后送给数据处理和控制电路。在数据处理和控制电路中设有传真图像处理电路,用于将处理后的图像数字信号变成一页一页的8位并行的数据格式存入闪速存储器中。传真的数字信号在微处理器的控制下,经调制解调电路变成串行文稿数字信号,然后经线路接口送入电话网。

在接收传真状态下,由电话线路送来的传真信号(串行信号),首先经线路接口送入调制解调电路中,经调制解调器的处理后变成并行数字信号,然后经数据总线存入闪速存储器中。微处理器在接收传真状态下,再从闪速存储器中将数字信号取出并进行处理,然后将其变成串行数字信号送至打印头数据控制电路,形成驱动热敏打印头的控制信号。与此同时,微处理器控制输纸机构完成接收传真的打印工作。

复印状态就是在微处理器的控制下将图像传感器输出的数据转换成驱动打印头的信号,一边扫描一边打印,完成复印的任务。

1.2.5 数码复印机的电路结构

1.数码复印机的功能特点

数码复印机是一种集扫描仪、传真机和打印机于一体的办公室设备。除了进行复印工作外,它还可以单独进行文稿、图片的扫描工作,还可以作为打印机完成电脑文稿的打印工作。

2.数码复印机的电路信号流程

数码复印机是指带有数字信号处理电路的复印机,数码复印机是由主控制电路、定影组件、低压电源电路、打印控制电路、自动输稿器电路、CCD图像传感器、传真控制电路和操作显示电路等构成的,图1-24所示为松下DP—1810型数码复印机的整机结构方框图。

图1-24 松下DP—1810型数码复印机的整机结构方框图

(1)数码复印机系统控制电路的结构和信号流程

数码复印机的系统控制电路是数码复印机的控制中心,它可以根据人工操作指令和整机的功能设置通由微处理器(IC1)和主控系统(IC5)对各个电路进行控制。图1-25所示为松下DP—1810型数码复印机系统控制电路的结构和信号流程方框图。

图1-25 松下DP—1810型数码复印机系统控制电路的结构和信号流程方框图

数码复印机系统控制电路中主要包括存储器、主控系统、模拟前端、扫描机构控制CPU、图像存储器、操作显示CPU、激光组件、调制解调器、PWM控制电路及桥接电路等部分。

(2)数码复印机图像数据电路的机构和信号流程

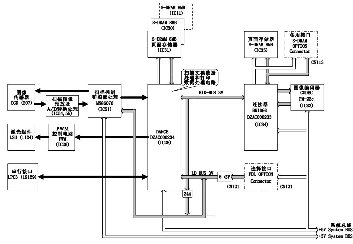
图1-26所示为松下DP—1810型数码复印机图像数据电路信号流程方框图。在数码复印机工作时,首先由扫描器对文稿进行扫描CCD图像传感器将文稿的光图像变成电信号送到IC54、IC55中进行预放(消噪处理)和A/D转换变成数字信号,再送到IC51中进行图像处理,然后送到IC28中进行数据处理。最后将数字信号存到存储器中。需要对扫描的数据进行打印时,将存储器中的数字信号调出,在IC28中转换成控制激光束的PWM信号,经IC26后将控制信号送到激光组件中进行激光打印。

图1-26 松下DP—1810型数码复印机图像数据电路信号流程方框图

数码复印机中的图像数据电路是由图像传感器、激光组件、扫描图像预放和A/D转换处理电路、扫描控制和图像处理电路、扫描文稿数据处理、打印机数据处理电路、连接器、图像编码器和页面存储器等部分构成的。

由上图可以看到高速扫描和打印与图像存储器及分页存储器无关。因此,所有的图像数据都是由图像数据电路进行管理和控制的,只有编码数据传送至系统数据总线。

(3)数码复印机扫描控制电路的结构和信号流程

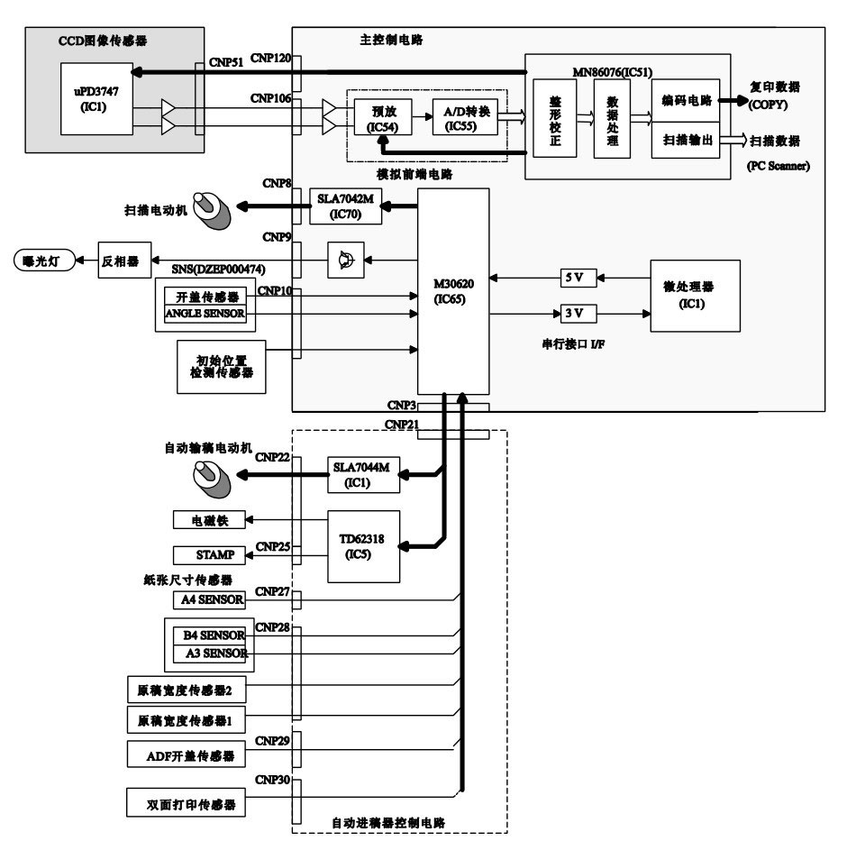
数码复印机的扫描系统通常是由CCD图像传感器、自动输稿器、主控电路等部分构成的,图1-27所示为松下DP—1810型数码复印机扫描控制电路信号流程方框图。

图1-27 松下DP—1810型数码复印机扫描控制电路信号流程方框图

主控电路板中的微处理器(IC1)向芯片IC65(M30620)提供控制信号,由芯片IC65控制驱动电动机、电磁铁等工作对原稿进行扫描,扫描的图像经过光学系统投射到CCD图像传感器上。CCD图像传感器向芯片IC51(MN86076)传输图像信号,经过芯片IC51处理后,输出复印、扫描等图像数据。

(4)数码复印机复印的工作流程

图1-28所示为数码复印机进行复印时的信号流程方框图。

图1-28 数码复印机进行复印时的信号流程方框图

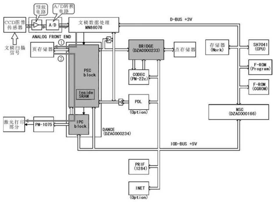
数码复印机的复印工作是由CCD图像传感器接收到文稿扫描信号,经预放电路和A/D转电路后,将文稿扫描信号传送到文稿数据处理器中进行处理的。当信号经过处理后,送入页存储器进行存储。打印时从存储器中读出数据通过PEC和IPC部分送入激光打印部分进行打印输出,从而完成整个复印过程。

1.2.6 摄像头监控的电路结构

1.摄像头监控电路的功能特点

摄像头监控电路可以实现对多路摄像头的控制,并对各摄像头捕获的图像信号进行处理,也可作为视频监控设备进行远程监控。

2.多摄像头监控的电路结构

图1-29所示是多摄像头监控电路的结构方框图。由图可见,它主要是由多个摄像头及接口电路、数字媒体处理器(芯片)、视频输出和接口电路等部分构成的。

图1-29 多摄像头监控电路的结构方框图

多个摄像头拍摄的景物图像信息可以通过数字接口变成数字信号后再送到数字媒体处理器,也可以通过多路复合、模拟滤波电路、视频解码电路解码后送到数字媒体处理器进行切换和处理,处理后的数字图像信息可以存储到存储器中,也可以通过D/A转换器转换后进行图像显示,还可以进行网络传输。

1.2.7 条码扫描仪的电路结构

1.条码扫描仪的功能特点

条码扫描仪的应用很普遍,特别是商品的信息都用条码标识。随着数字处理芯片的开发,条码扫描仪的功能性能有了很大的提高。

2.条码扫描仪的电路原理

图1-30所示是条码扫描仪的电路结构方框图。由图可见,它主要是由图像传感器(CCD/CMOS)、A/D转换器和数字处理器等部分构成的。

图1-30 条码扫描仪的电路结构方框图

图像传感器(CD/CMOS)是一个摄像头,它将条码的图像拍摄下来变成图像信号,再经A/D变换器将条码图像信号转换成数字信号,然后再经数字信号处理电路还原出条码的代表内容。最后可通过USB接口连接到电脑等相关设备上。