1.3 数码产品的电路结构

1.3.1 数码相机的电路结构

1.数码相机的功能特点

数码相机是光图像变成数码照片的设备,在拍摄时它将镜头拍摄的景物图像变成数字信号经数字处理和数据压缩后存储到存储卡上,同时可在LCD显示屏上显示出来。目前数码相机已非常普及。但高清晰度、低成本和智能化仍是它的发展方向。

2.数码相机的基本结构原理

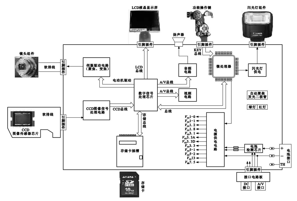
图1-31所示是数码相机的电路结构方框图,由图可见,它主要是由镜头和图像传感器、摄像信号处理电路、数据处理电路、控制电路、音频电路、电源供电电路及外围电路等部分构成的。

图1-31 数码相机的电路结构方框图

镜头是捕捉景物目标的光学系统,景物图像通过镜头后照射到图像传感器(CCD/CMOS)上,图像传感器是由几万至几千万像素单元构成的光电转换器件,它将光图像变成电信号送到摄像信号处理电路(AFE)中,进行处理,并将模拟图像信号变成数字图像信号。然后送到数据处理芯片中进行数据处理和压缩编码。再将数字图像信号送到外部存储卡(SD/MMC、XD)中存储,同时可在液晶显示屏上显示景物图像。

由于数码相机是一种高度精巧的机电一体化设备,镜头中设自动聚焦驱动结构、电子变焦驱动结构,因而聚焦和变焦控制需要专门的控制系统。

目前数码相机不仅可拍摄静止的数码照片,还能拍摄视频动态的图像及伴音信号,还可以将图像和伴音信号送到大屏幕显示器上欣赏,内设相应的电路及输入/输出接口。

3.数码相机的信号处理过程

图1-32所示为数码相机的整体电路信号流程图。

图1-32 数码相机的整体电路信号流程图

数码相机最突出的特色就是将所拍摄的景物图像变成数码图像,数码相机的图像信号处理流程图如图1-33所示。外部景物光图像经过镜头投射到CCD图像传感器,图像传感器将光图像转换成电信号,并传送到图像信号处理电路进行处理,处理得到的模拟信号再转换成数字信号传送到数字信号处理电路,此时,数字信号处理电路在系统控制电路(微处理器)的控制下对图像信号进行压缩、扩展处理,得到的数字图片以数字文件的格式存储在内部存储器或存储卡中。数码相机还具有D/A转换电路,可将存储卡上的数字图片转换成模拟信号,通过A/V OUT接口输出到电视机上观看。

图1-33 数码相机的图像信号处理流程图

4.典型数码相机各电路之间的关系

图1-34所示为典型数码相机各电路之间的关系图。

图1-34 典型数码相机各电路之间的关系图

(1)数字图像信号处理电路

数码相机再拍摄景物时,景物的光图像经过镜头照射到CCD图像传感器的感光面上,CCD在驱动脉冲的作用下,经光图像变成电信号,并经过软排线送到CCD图像信号处理电路中进行预防、消噪和A/D转换处理,将模拟图像信号转换成数字信号,再送到数字信号处理芯片中进行处理。经处理后将数字图像记录到存储卡中

(2)液晶显示电路

数码相机再进行取景和拍摄时,镜头对准的景物图像在进行处理时,同时送到液晶显示驱动电路,使液晶显示器上能显示镜头捕捉的景物图像。

(3)微处理器控制电路

数码相机的设置和操作都是由微处理器进行控制的,人工操作键的控制信号,如变焦控制和模式选择。微处理器收到人工指令后,分别通过接口电路对镜头中的变焦电动机和聚焦电动机进行控制。用户觉得满意时,便可按下拍摄键。

(4)电源供电电路

电池经过接口将直流电压送到数码相机中,在相机中设有电源供电电路,电源供电电路经过对电池的处理、升压和稳压电路,输出多种直流电压。

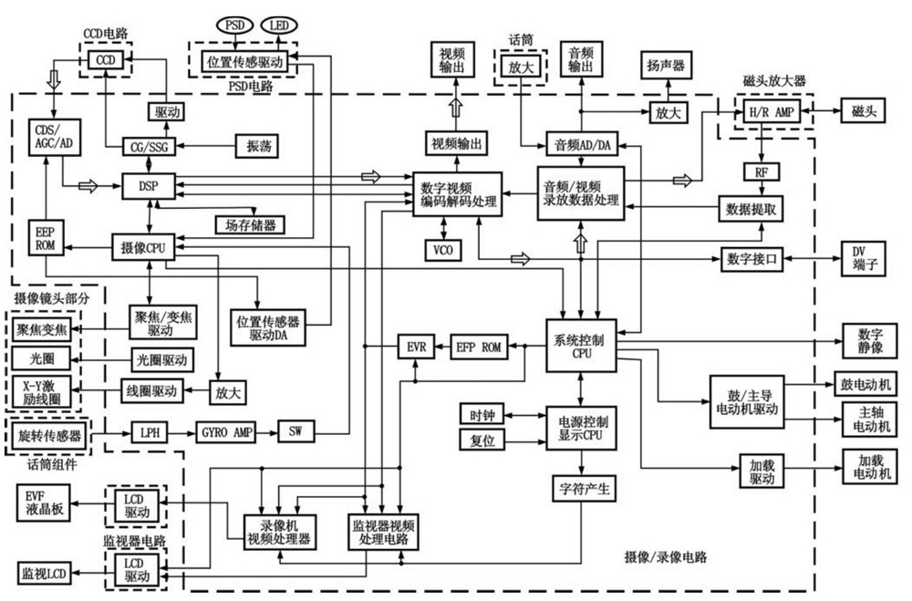
1.3.2 DV摄录机的电路结构

1. DV摄录机的功能特点

典型NV—DS99型摄录机的外形如图1-35所示。它使用微型DV带(Mini DV Cassertte Tape),标准数字记录格式;两种带速,SP方式为18.83mm/s, LP方式为12.57mm/s;信号制式为625行50场PAL制彩色制式,视频输出电平1V,75Ω, S—视频输出电平,Y为1V, C为0.3V。音频采用PCM数字记录格式、16bit(48kHz/2声道)、12bit(32kHz/4声道)。具有标准数字(DV)接口(i, Link,4引脚)。

图1-35 NV—DS99型摄录机外形

2. DV数码摄录机的整机电路构成

NV—DS99型摄录机的整机电路结构方框图如图1-36所示,摄像时的信号流程如图中箭头所示,景物图像经镜头投射到CCD摄像元件上,在CCD摄像元件上将光图像转变成电信号,在同步信号的驱动下输出,送到CDS/AGC/AD电路(CDS是CCD信号的预放电路,AGC是自动增益控制放大器,AD是A/D变换器),将图像信号变成数字信号,送到摄像信号的数字处理电路DSP中。在DSP中对数字视频图像信号进行处理。然后再送到数字视频编码解码处理电路中,将数字视频图像按DV格式编码,形成统一标准的数字信号。这种数字信号送到多个电路中进行处理:

● 经视频输出电路变成模拟视频信号送到视频输出端。

● 送到音频/视频录放数据处理电路,与音频数字信号合成。然后送到磁头放大器,经旋转视频磁头将数字音频/视频信号记录到磁带上。

● 送给寻像器和LCD显示驱动部分:主要完成监视用液晶显示屏(LCD)和寻像器的驱动,将图像显示在显示屏和寻像器上。

3.摄录机各单元电路的结构和功能

(1)摄像部分

摄像部分是摄录机摄取图像信号的部分,当摄录机的镜头对准景物的时候,景物图像就会通过镜头射到CCD图像传感器上,CCD将光图像变成电信号,并在驱动信号的作用下输出图像信号到IC203 , IC203是摄像信号处理电路,它完成对图像信号的取样和AGC放大。摄像部分的同步信号发生器是一个晶体振荡器,X201是31.5MHz的晶体,IC202经分频后产生IC203所需要的取样脉冲和IC201所需的同步脉冲,IC201产生CCD的驱动脉冲使CCD中的电荷在驱动脉冲的作用下进行扫描。

(2)摄像信号处理电路

摄像信号处理电路主要是对摄取的图像信号进行数字处理、数字编码等。来自摄像电路IC203的图像信号,首先送到IC303中进行A/D转换,变成10bit的数字信号,再送到IC301(DSP)中进行数字处理。经DSP处理后将图像信号变成亮度和色度分离的数字信号,并送到IC3001(DVIO)电路中,进行标准数字格式的信号处理。IC3001处理后的数字信号分别送到几种电路中进行处理。

图1-36 NV—DS99型摄录机整机电路结构方框图

● 将亮度和色度信号变成模拟信号送到IC3006视频驱动电路,由IC3006分别输出视频信号和亮度、色度信号。

● 将视频图像信号变成亮度和色差信号送到摄像和LCD显示电路,在录像器和液晶监视器上显示视频图像。

● IC3001的数字视频信号经存储器IC3002送到视频数据压缩处理电路IC3003中进行压缩编码。

● 视频信号经压缩编码处理后将信号送到IC3201中,音频数字信号也送到IC3201中,然后再对这两种数字信号进行记录编码处理,同时在电路中进行自动磁迹跟踪处理。经编码的数字信号由IC3201输出送到磁头放大器进行放大,再送到记录磁头上。记录时磁鼓旋转,在磁带上形成一条一条的倾斜磁迹。

(3)音频电路

音频电路是由话筒放大器、扬声器及驱动放大电路、音频接口电路等部分构成的。在记录状态时,话筒信号经放大后送到音频接口电路,在音频接口电路中变成数字信号,然后送入IC3003中,与视频数字信号一起送到IC3201进行记录处理。

在重放状态时,磁头输出的数字信号由IC3003送到音频接口电路,再变成模拟信号,由IC4001放大→IC4201驱动放大→扬声器发声。

(4)系统控制和伺服电路

系统控制和伺服电路的主体是IC2001微处理器。摄录机的鼓电动机和主导轴电动机,还有加载电动机是它的控制对象,鼓电动机与主导轴电动机都要求与视频信号同步,播放时还要求使旋转的视频磁头准确地跟踪磁带上的磁迹。

摄录机在进行软件调整和维修时,外部的调整装置要与系统控制微处理器进行数据交换及数据更改、存储等操作。

(5)录像器和LCD显示部分

NV—DS1/S5型摄录机具有一个0.5英寸的彩色电子录像器和一个3.8英寸的彩色液晶显示器,来自摄像信号处理电路的亮度信号(Y)和色差信号(R-Y, B-Y),分别送到视频信号处理电路IC601和IC602。IC601是为液晶显示板提供信号的电路,将视频信号处理成驱动液晶板的驱动信号。IC602是为录像器小液晶板提供信号的电路。

1.3.3 MP3/MP4数码机的电路结构

1. MP3数码机的整机结构

MP3机主要是以播放或记录音频节目为主的数码产品,该机所播放的音频文件为MP3格式,图1-37所示为MP3机的整机实物结构图。

图1-37 MP3机的整机实物结构图

MP3机的内部主要采用了音频处理芯片,可以播放出音质较高的效果。视频MP3机比音频MP3机要多出一个1.5英寸到2.2英寸之间的LCD显示屏,可以用来观看一些特定格式的图片或视频,但还是以播放MP3音乐格式的文件为主。

图1-38所示为MP3机的结构和功能示意图,通过USB接口下载网上的音乐文件,存储到MP3机的存储器电路当中,然后通过音频信号处理芯片对数据信息处理后,再变成模拟音频信号,就可以通过耳机收听音乐节目。MP3机还具有多种功能,如通过话筒电路将收集到的声音素材录制到MP3机中进行存储;接收FM收音节目,经过CPU和解码电路的处理,由耳机电路收听,等等。这些工作状态都可以通过LCD显示屏显示出来。

图1-38 MP3机的结构和功能示意图

MP3机的核心电路是微处理器和音频信号处理器合二为一的集成芯片,简称CPU和解码器芯片,不同的机型采用的芯片型号不同,但基本功能相同,典型的芯片如图1-3所示。

2. MP4数码机的整机结构

MP4机是播放视频文件的数码机,同时兼容MP3的功能,因此大都带有3.5英寸到7英寸的大屏幕LCD显示板,其典型的整结构外形如图1-39所示。

图1-39 MP4机整机结构外形

MP4机的视频信号处理能力非常强,是视频MP3机所不能比拟的,网络上所流行的视频文件格式,几乎都能通过MP4机进行下载和播放,因此大都带有独立的视频处理芯片,而且还可以接收摄像机的视频信号,还有些MP4机带有摄像头。

由于MP4机兼容MP3机的部分功能,因此在工作原理上有些相似,同样需要通过操作按键输入人工指令,并在CPU和解码电路的控制下,使存储器电路、接口电路、LCD显示电路、USB电路及摄像头电路等进行工作,完成各种信息的处理,使MP4机正常工作。

图1-40所示为MP4机的结构和功能示意图,由USB接口下载网上的音/视频文件,存储到MP4机的存储器电路当中,然后通过数字信号处理芯片和音/视频编解码器变成音频和视频信号,送到耳机接口电路和LCD显示屏中,来观看视频节目。

图1-40 MP4机的结构和功能示意图

与MP3机一样,MP4机也具有录音、FM收音等功能,但又比MP3机多出摄像功能,也就是通过摄像头将捕捉到的动态图像以视频文件的格式存储到存储器电路中,再通过LCD显示器观看,还可以通过存储卡扩展存储器的容量。

1.3.4 蓝光播放器与家庭影院的电路结构

1.整机结构

蓝光播放器与家庭影院的电路结构方框图如图1-41所示,从图可见,它是由蓝光驱动器、蓝光信号处理芯片、视频信号输出电路、多声道音频信号输出电路、操作显示电路和电源供电电路等部分构成的。它与数字平板电视机和多声道环绕立体声音箱相配合可构成家庭影院系统。

图1-41 蓝光播放器与家庭影院电路结构方框图

2.各单元电路的结构和功能

(1)蓝光光驱

蓝光光驱是由蓝光激光头、激光器驱动电路、激光头放大器、伺服驱动电路和光盘驱动机芯构成的。它可以播放蓝光DVD,同时可兼容普通DVD光盘。

(2)蓝光信号处理芯片

蓝光信号处理芯片是蓝光DVD信息的处理电路,它在外围存储器的配合下完成对光盘信息的解压缩处理,即音频和视频信号的解压缩过程处理。

(3)视频输出电路

解压缩处理后将数字音频和数字视频信号还原,然后再经视频编码器和D/A转换器变成模拟视频输出,它可以以S-视频(亮度、色度分离的视频)、复合视频和分量视频的格式输出。将视频信号和音频信号经射频调制器调制后,还可以输出射频调制信号。信号处理芯片还可以以高清数字格式的信号输出(HDMI)。

(4)音频输出电路

蓝光DVD可记录多声道环绕立体声编码的信号,因而在解码芯片中可输出多声道环绕立体声的数字音频信号。该数字音频信号经三通道D/A转换器输出双声道音频信号(线性输出)和驱动立体声耳机的信号。也可以通过无线传输的方式传输到音频功效电路中。还可以通过多声道D/A转换器输出多路音频信号。该数字音频信号经D类调制器,将数字音频信号变成PWM信号后经功率放大器和低通滤波器去驱动扬声器。

(5)操作显示电路

操作显示电路是由键盘、能摸屏、遥控电路和液晶显示屏构成的。其功能是为数字处理芯片输入人工指令,同时显示整机的工作状态。

1.3.5 便携式媒体播放器的电路结构

1.整机结构

便携式媒体播放器可以将外部音频和视频节目源的信号存入内部存储器(闪存)或硬盘(HDD),也可将网络的音频视频文件下载、存储,然后再进行选择和播放。因而也被称之为音频视频点播器。图1-42所示是便携式媒体播放器的整机方框图,由图可见,它主要是由数字信号处理器(OMAP35XX)、媒体信息输入电路、音频/视频输出电路、存储器及接口电路、电源供电电路和操作显示电路等部分构成的。

图1-42 便携式媒体播放器的整机结构方框图

2.各单位电路的结构和功能

(1)数字信号处理芯片

OMAP35XX是一种基于ARM®Cortex™—A8内核处理器芯片。该芯片主要用来处理各种A/V信号。

(2)媒体信息输入电路

媒体信息输入电路包括如下几部分。

● 媒体接口:WiFi/Zigbee是借助于短距离、低功耗通信技术与个人电脑、手机等终端设备进行互相通信、交换信息。

蓝牙模块是一种无线通信方式,它可以与其他具有蓝牙模块的设备进行信息交换。

低功率无线模块是采用高频无线电信号进行传输和接收的通信技术。

以太网接口可以连接网络。

GPS导航信息。

● 视频接口:视频信号经视频解码器变成CCIR标准的格式送到芯片中进行选择和处理。

● 摄像头(CCD/CMOS图像传感器)将拍摄的图像信息送入OMAP35XX芯片。

(3)音频视频信号输出电路

● 媒体播放输出电路分别输出音频和视频信号、音频编/解码电路可以将数字音频信号变成模拟音频信号经放大器去驱动扬声器,并送到音频信号输出端。话筒信号或音频输入信号也可经音频编/解码电路送入芯片中进行存储。

● S—Video输出亮度/色度信号,同时可由XGA/QVGA显示图像。

● HS USB收发电路可与USB接口相连通过该接口与外部设备交换信息。

(4)存储器及接口电路

媒体播放器的数字信号处理芯片具有多种格式的存储介质和相应的接口电路。可以存储很多的音频、视频文件和信息。

(5)操作显示电路

媒体播放器具有键盘和触摸屏,可作为人工指令的输入电路。

(6)电源供电电路

媒体播放器可使用电池,也可使用交流220V电源,在电源部分设有交直流电转换电路、充电电路、系统电路、芯片及接口电路的供电电路。

1.3.6 数字录像机与数字视频服务器的电路结构

1. DVR/DVS的整机结构

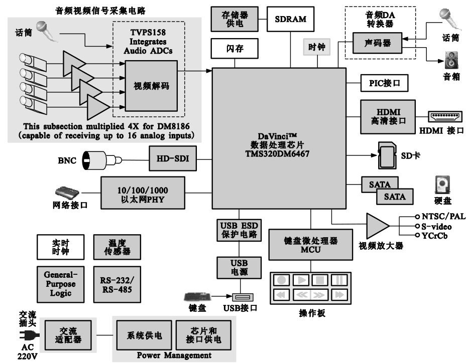
图1-43和图1-44所示是DVR/DVS的整机电路结构方框图。数字录像机(DVR)和数字视频服务器(DVS)多用于监控设备。它可以将多个模拟监控摄像头获取的模拟视频信号经视频编/解码器转换成数字视频信号送到媒体数据处理器芯片TMS320DM6467中进行格式变压和压缩处理,然后再存到存储器、存储卡或硬盘中,需要时再输出,并可以通过TCP/IP网络对所存的数据进行远程访问。

图1-43 DVR/DVS整机电路结构方框图(一)

图1-44 DVR/DVS整机电路结构方框图(二)

由图可见,DVR和DVS主要是由数字媒体数据处理器(TMS320DM6467)、音频信号采集电路、音频视频信号存储电路、音频/视频信号输出电路、网络接口电路、操作显示电路和电源供电电路构成的。

2.各单元电路的结构和功能

(1)数字媒体处理芯片和音视频信号采集电路

DVR和DVS中数字媒体数据处理芯片(TMS320DM6467)是主要的信号处理芯片,它具有强大的功能,可以对输入的音频、视频信息进行数字编码和压缩处理。该芯片具有很多接口,音频视频信号采集电路是主要的输入信号接口电路。

● 音频、视频信号输入接口用以接收音视频信号采集电路的信号。

● 网络接口(Ethernet PHY)用以连接以太网,通过网络获取各种音视频信息。

● 高清串行接口(HD-SDI)用以输入高清摄像机的视频信号。

(2)音频、视频信息存储电路

SD存储卡和硬盘(HDD)是数字录像机的主要存储器件,它具有存储容量大的特点可存储长时间采集的视频和音频信息。此外闪存和SDRAM是芯片的程序和数据存储器,是数据处理过程中的辅助存储器。这些存储器通过接口与芯片连接。

(3)音频、视频输出电路

存在于存储卡或存储设备(HDD)中的音频视频信号,可根据需要进行播放,这些信息再从存储设备中调出经过解压缩处理和D/A转换由音频和视频输出接口输出。视频信号经视频放大器可输出复合视频(PAL/NTSC)信号、S-视频信号和分量视频信号(YCrCb)。音频信号经接口与声码器(变/解码电路)与话筒和音箱相连。可播放伴音,也可通过话筒录入音频信号。

信号处理芯片还可通过高清数字接口(HDMI)输出高清信号,通过数字平板电视机显示图像。

(4)操作电路

操作电路有两个接口,录像机的录、放、快速搜索键经键控微处理器(MCO)与数字芯片相连为DVR输入人工指令。还有一个接口是键盘接口,标准键盘经USB接口与主芯片相连,用以输入人工指令。

(5)电源电路

电源电路是由交流电源适配器、系统供电电路和芯片/接口供电电路构成的。为DVR提供各种直流电压。

3. DVR和DVS的中端解决方案

图1-45所示是一种记录标准分辨率的DVR和DVS的中端解决方案,同前述的高端方案相比,该电路不能记录和存储高清晰度视频图像信号。因而,视频信号采集电路(视频解码器)、数字信号处理电路(DM648/7)及视频信号的输出电路(DM6446)的选择,都应按标准清晰度的标准。

图1-45 DVR/DVS中端解决方案的方框图

1.3.7 高清晰度激光视盘机的电路结构

1.高清晰度激光视盘机的功能特点

高清晰度激光视盘机(DVD)是采用激光来读取光盘的方式,具有高精度激光头、光盘驱动机构及数据处理电路。DVD视盘机通常都能兼容CD/VCD光盘。由于数据处理芯片的开发,其电路结构有很大简化,性能有很大提高。

图1-46所示为万利达DVP—801型DVD机中的部分电路,电源电路板为整机提供工作所需的电压;数字信号处理电路集伺服预放、数字信号处理、系统控制、A/V解码、伺服驱动、音频、视频输出接口等于一体,接收、处理、传递各种数字信号,控制整机工作;操作显示电路则为人工指令的输入提供操作平台,接收和传递遥控信号,并通过多功能显示屏显示DVD机的工作状态;接口电路主要用于输出和输入音频/视频信号,如输出音频/视频信号,输入VGA显卡信号等。卡拉OK电路则由回响信号产生电路和话筒信号放大器构成,该电路是DVD机接收和处理话筒信号的通道。

图1-46 万利达DVP—801型DVD机中的部分电路

2. DVD机的各部件关系

各种品牌和型号的DVD机的工作原理基本类似,从结构上来说基本上都包含了机械传动机构、激光头组件、电源电路、数字信号处理电路、操作显示电路和接口电路等部分,它们之间通过连接插件及引线进行信号的传输,图1-47所示为万利达DVP—801型DVD机中各部分电路之间的连接关系图。

图1-47 万利达DVP—801型DVD机中各部分电路之间的连接关系图

图1-48所示为万利达DVP—801型DVD机的整机电路结构方框图。

由图可知,电源电路是DVD机正常工作的动力源,只有电源电路正常,其他电路和部件才可能正常工作,该电路是将市电交流220V进行滤波整流、开关振荡和稳压后输出其他电路所需的各种电压的工作过程。它通过一组线缆与数字信号处理电路相连(图1-47中[1]号线缆)。

卡拉OK电路用于将从话筒插口输入的话筒信号进行放大处理和回响处理,图1-47中通过[2]号屏蔽线将信号送入数字信号处理电路中。

操作显示电路与开关按键也由数据线进行连接,该电路接收的各种人工指令信号通过[4]号数据线传递给数字信号处理电路板,由其内部的微处理器(CPU)进行控制,并输出相应的控制信号。

图1-47和图1-48中的[8]号线缆为连接激光头的软排线,激光头通过该软排线输出激光头信号和激光二极管功率检测信号送入数字板中进行处理,同时,数字信号处理电路也通过该软排线为激光二极管、聚焦线圈、循迹线圈供电。

图1-48 万利达DVP—801型DVD机的整机电路结构方框图

[6]号、[7]号线缆分别连接加载电动机和主轴电动机及进给电动机,主要是为电动机提供工作电压,同时,加载电动机通过[6]号线缆将开关信号传送到数字板中,由微处理器(CPU)进行控制。

3. DVD机的信号流程

DVD影碟机是播放DVD光盘的激光视听设备,它也能兼容CD、VCD光盘。典型DVD机的电路结构方框图如图1-49所示。

图1-49 典型DVD机的电路结构方框图

(1)DVD机的控制过程

当播放DVD光盘时,用户操作遥控器或DVD前面板上的按键,人工指令通过操作电路送到数字处理芯片中的CPU中,CPU收到控制指令后根据程序分别给机芯和电路发送控制指令,使DVD机进入播放状态。主要过程是CPU输出主轴电动机启动信号,激光二极管供电驱动信号和进给电动机驱动信号,使光盘旋转,进给机构动作,激光头中聚焦线圈和循迹线圈启动,搜索光盘,读取目录信号,开始播放。

(2)DVD机的信号处理过程

激光头读取光盘的方法是由激光头内的激光二极管发出激光束并经物镜照射到DVD光盘盘面上,经光盘反射回来的光束经反射镜照射到光敏二极管组件上。激光二极管发射的激光束是恒定的光束,而从光盘上反射回来的光束则受到光盘信息纹坑槽的调制,这样由光盘反射回来的光束就受到了光盘信息的调制,因而就包含了光盘上的信息。只要将光盘信息解读出来就能恢复出光盘的数字信号内容。其工作过程如下:

激光头的输出信号经软排线送到主电路板,然后送入数字处理芯片。数字处理芯片是一种超大规模集成电路,它往往集成了DVD主要的信号处理和控制电路,其中主要包括伺服预放处理电路、数字信号处理电路、数据分离电路、视频解压缩电路(视频解码)、音频解压缩电路(音频解码)、视频(PAL/NTSC)编码电路、视频D/A转换电路、AC-3杜比环绕立体声解码电路。数字处理芯片中还包含伺服处理电路,它将激光头读取数据时的聚焦误差信号、循迹误差信号和光盘旋转误差信号转换成聚焦线圈、循迹线圈、进给电动机和主轴电动机的驱动信号输出。

数字处理芯片外围设有暂存图像数据的存储器和程序存储器,这些电路通过接口与芯片相连。

(3)音频/视频输出电路

音频数据和视频数字信号在光盘上是合成在一起的,在数据处理芯片中经数字处理和数据分离后才将两者分离,分别进行解压缩和D/A转换等处理。视频信号的处理大都在数字处理芯片内完成,并由视频接口直接输出模拟视频信号(亮度信号Y、色度信号C、复合视频信号V)。

数字处理芯片的音频接口输出的信号仍然是数字信号,它主要是由串行数字信号(DATA)、数据时钟信号(CLK)和左右分离时钟信号(LRCK)组成的。因此在音频输出电路中还设有音频D/A转换器和音频放大器。DVD机具有杜比AC-3多声道(5.1声道)环绕立体声的解码和输出功能。对普通DVD光盘的伴音输出双声道立体声信号,对杜比数字环绕立体声光盘可输出多路音频信号,即5.1声道音频信号。

(4)伺服信号处理电路

伺服误差的检测是在数字处理芯片的内部,芯片内的伺服处理电路通过对误差信号的处理转换成伺服驱动信号送到伺服驱动的电路中,经驱动放大,将驱动控制信号放大到足够的功率,然后分别去驱动聚焦线圈、循迹线圈、进给电动机和主轴电动机。在DVD光盘的播放过程中使这些数字信号处理控制电路实时的检测光盘与激光头之间的偏离误差,根据误差的方向和大小再反馈到驱动控制器件进行纠正,保证系统的误差在允许的范围内。使激光头能准确的跟踪光盘,完成信息的读取。

进给机构在播放之初受微处理器(CPU)控制,进行光盘搜索,当进入播放状态后作为循迹伺服的粗调,循迹线圈的动作是循迹(跟踪信息纹)细调。

加载电动机是驱动光盘装卸的部分,它直接受CPU的控制。

1.3.8 DVD录像机和播放器的电路结构

1. DVD录像机的整机结构

DVD录像机和播放器既可记录电视节目也可以播放DVD光盘,普通DVD只能播放DVD光盘。DVD录像机中的信号处理器是按照MPEG2的压缩标准对输入的音频视频信号进行数字编码和压缩的过程。图1-50所示是DVD录像机的整机电路结构方框图。由图可见,它主要是由音频视频输入电路、DVD编码/解码芯片、网络接口电路、音频/视频输出电路、操作显示电路、电源供电电路、DVD激光头和机芯等部分构成的。

图1-50 DVD录像机的整机电路结构方框图

2.各单元电路的结构和功能

(1)DVD编码/解码芯片

DVD编码/解码处理芯片是一个较大规模的集成电路。它是处理音频和视频信息的主要电路。当录像时,它对输入的音频、视频信号进行数字编码和压缩处理,然后将压缩后的数字信号通过激光头记录到空白光盘上,当播放光盘时,又可将光盘上的信号进行解压缩处理、还原出原来的音频、视频信息送到输出接口。该芯片具有很大接口以便与输入和输出电路相连。

(2)音频/视频输入电路

DVD录像机具有多种格式的视频输入接口,可以接收复合视频信号(CVBS)、S-视频信号及分量视频信号(YCrCb/YPrPb)。还具有调制器电路,通过天线接收电视节目信号。这些信号经输入信号切换电路切换后再经解码器处理,然后送到DVD编码/解码芯片中进行处理。

(3)网络接口与USB接口和IEEE1394接口

网络接口(LAN)、USB接口和IEEE1394接口(摄像机接口)可以与相应的设备相连,可以互传音频/视频信息。

(4)音频/视频输出电路

DVD编码/解码芯片输出的音频和视频信息可以以多种格式输出。

● 视频信号既可以经视频编码器形成表针PAL/NTSC视频信号送到视频输出接口,也可以调制到射频信号上输出RF信号。

● 数字音频信号经音频D/A转换器输出音频信号,并设有音频编码器(声码器)。在录像时输入音频信号,在播放时输出音频信号。

● 数字视频经三路D/A转换器输出分量视频信号。

● 数字视频经DVI/HDMI输出接口输出高清晰度视频信号。

(5)操作显示电路(用户界面)

操作显示单元设有人工指令输入键和遥控电路,以及显示器件(液晶显示器和发光二极管显示器)进行人机交互。

(6)电源电路

(7)DVD可刻机芯

DVD可刻机芯是一个具有记录功能的光驱,它是由DVD激光头、主轴电动机驱动系统、伺服驱动系统和激光信息预放电路组成的。

1.3.9 电子书阅读器的电路结构

1.电子书阅读器的基本结构

电子书阅读器(electronic book reader)简称eBook Reader,是专为查看和阅读数字媒体而设计的手持电子设备。图1-51所示是电子书阅读器的电路结构方框图。

图1-51 电子书阅读器的电路结构方框图

由图可见,数据处理电路QAMP36X系列芯片是它的核心控制电路,显示子系统和音频子系统是显示电子书图文和伴音的系统。电源供电(含电池充电电路)、操作电路(键盘)是电子产品不可缺少的部分。

2.各单元电路的结构和功能

(1)数据处理器

电子书阅读器的核心电路是数据处理器。QMAP36X系列的处理器是常用的芯片,它是专门针对低功耗操作进行优化设计的产品。整个阅读器的控制运行都由该芯片控制,例如电子文本的调用、视屏显示屏的显示和音频信号的播放。它的使用操作系统为Linux和Android。

(2)LPDDR/eMMC的存储器

MDDR即为Mobile DDR、SDRAM,是内存的一种。也可称为LPDDR(Low Power DDR)。特点为功耗低、体积小。

eMMC(Embedded MultiMediaCard)为MMC协会所订立的内嵌式存储器标准规格,主要是针对便携式手机产品为主。eMMC的一个明显优势是在封装中集成了一个控制器,它提供标准接口并管理闪存。

(3)无线连接接口

Ti的WiLink™是一款单芯片WiFi、蓝牙和FM解决方案WiLink6.0,它可以满足电子书对低功耗、小尺寸和低成本的要求。

(4)显示屏(显示子系统)

与传统显示屏(例如LCD)相比,新型电子显示屏(EPD)具有双稳定的优点。双稳定性可在显示文本时实现零功耗,它仅在刷新显示屏(即翻到下一页)时消耗功率,从而使系统具有极低功耗。TI的触摸屏控制器解决方案可提供低功耗、高ESD保护和小尺寸封装选项。它们可以消除振动和显示噪声。TPS65180可提供完整的EPD偏置解决方案。

(5)音频子系统

TLV320AIC3100/10/11是低功耗音频编/解码器,它们集成了立体声耳机放大器和D类扬声器放大器,可延长电池寿命。它们具有高级音频处理功能,可对增强的语音和音乐进行处理。它们还具有引脚和软件兼容性,可实现快捷简便的产品开发。同时提供适用于OMAP的软件。通过使用TPA6141A2G类DirectPath立体声耳机放大器,可以进一步节省电源。

(6)电源管理系统

TI为电子书设计提供了完整的电源管理解决方案,其中包括专为EPD(TPS65180)设计的电源管理单元(PMU)给系统供电的其他PMU和3G调制解调器模块电源。出众的电源转换效率可延长电池工作时间,并且可以最大程度地降低散热量。

(7)电池管理系统

精确的电量监测可以最大化的提高电池的使用率并可确保依次关断。系统端和封装端电池电量监测选择为客户提供了设计的灵活性。TI推出广泛的线性和开关充电器集成电路。如果使用了高电压充电器,则不需要充电器前端保护集成电路。但是,如果充电器集成在低电压PMU或芯片组中,则前端集成电路对于防止系统免受过压和过流损坏至关重要。

1.3.10 数码收音机的电路结构

1.数码收音机的功能特点

数码收音机是采用数字电路接收AM和FM广播节目的收音机。由于数字处理器芯片的采用,大大地扩展了收音机的功能,是收音机不仅能接收无线电广播节目,还能通过网络传输或接收音频信息。此外它还具有多种格式的存储卡(多媒体卡)接口,以播放卡中的节目。收音机中设有声码器(音频编码/解码器),可借助该电路输入静止信号进行录音。

2.数码收音机的电路结构

图1-52所示是数码收音机的电路结构控制方框图。由图可见,它主要是由广播信号接收电路、A/D与D/A转换电路、数字信号处理电路(含微处理器)、外围电路和音频信号输出电路组成的。

图1-52 数码收音机的电路结构控制方框图

在接收无线电信号时,天线接收的射频信号经RF滤波器(BPF)提取出交频信号,然后经低噪声高频放大器(LNA)送到混频电路。外差信号产生电路是有数字式频率合成器和压控报端器(VCO)组成的,它输出的外差信号也送到混频电路,经混频器后输出差频信号(中频信号)再经中频滤波器和放大检波电路检出音频信号。音频信号自经A/D转换器转成数字信号,送到数字信号处理电路中进行处理,处理后的音频信号再送到声码器中进行D/A转换,然后经音频功放去驱动扬声器或耳机。收音的节目也可以存入多媒体存储器中,同时将附加信息显示在数码显示器上。

1.3.11 GPS个人导航设备的电路结构

1. GPS个人导航设备的功能特点

GPS(Globak Positioning System)是全球定位系统的简称,它是利用围绕在地球外围的每颗卫星进行车辆定位、防盗、反劫、行驶路线监控及呼叫指挥等功能。GPS个人导航设备是一种便携式导航设备,由于高性能数据处理芯片的开发,不仅可提供精确的定位,而且还集成了很多附加的功能,为人们提供了很大的方便。

2. GPS个人导航设备的电路原理

图1-53所示是GPS个人导航设备的电路结构方框图,由图可见,该系统包括无线信息接口电路、多种环境信息检测传感器、数据信息处理器、音频/视频信号输出电路及外围存储器等部分。

GPS信号接收电路是通过无线的方式接收的,此外GPS设备还设有蓝牙接收器、FM收/发电路及WiFi无线互联的接口电路,这些电路为数据处理芯片提供各种导航信息和相关数据。

图1-53 GPS个人导航设备的电路结构方框图

GPS设备还设有高度表用以检测高度,湿度传感器用以检测环境湿度,陀螺用以检测车辆的运动姿态,此外还设有检测压力和加速度的传感器。这些传感器分别将检测的信号经A/D转换器变成数字信号送给数字信号处理器。

数字信号处理芯片对GPS信号处理后,会将车辆的运动径迹和行驶路线显示在液晶屏幕上,同时还通过音频输出电路输出声音信号。

1.3.12 数码家庭影院系统的电路结构

1.数码家庭影院系统(A/V)的构成

数码家庭影院是处理音频视频信号的数码影音设备,又称A/V功放,它以处理音频信号为主,也对视频信号进行处理。它是由输入信号切换电路、数字信号处理(含系统及控制电路)和音频多声道功放电路三个主要部分构成的,如图1-54所示。

图1-54 数码家庭影院的电路结构

其中,多声道音频功放作为该类数码产品中处理音频信号的重要电路,根据其构成部件的不同可将其分为模拟功放和数字功放两大类。模拟音频功放电路主要是指由晶体管、集成电路或电子管等构成的音频信号功率放大器;数字功放则指进行功率放大的器件由数字芯片构成,它将模拟音频信号变成数字信号进行功率放大,放大后再变成模拟信号去驱动扬声器。

另外,在A/V功放中,模拟式的音频功放电路中采用晶体管和集成电路较多;由电子管构成的音频功放通常制作为独立的功放设备称为音频功放机,当然晶体管和集成电路式的也可构成独立的音频功放机使用。

家庭影院设备中主要是处理音频(Audio)和视频(Video)信号的电路,因而这种设备又称为A/V处理器或A/V功放。A/V功放是处理音频/视频信号的数码产品,A/V功放的后面板上设置了很多音频和视频信号的输入端口,组合音响、数字卫星接收机、数码影碟机(VCD/DVD/EVD/蓝光等)、摄像机、录放像机等都可将音频信号和视频信号送到A/V功放的输入电路中,在A/V功放内部进行切换。图1-55所示为其整机信号流程图。

图1-55 典型A/V功放的整机信号流程图

由图可以看到,A/V功放机的主要功能主要可分成三个:一是完成对众多视、音频输入信号的选择作用,对同一套信号源的输入音频和视频信号进行同步切换,不能发生失步或时间延迟等现象;二是完成对编码的声音信号进行解码,对声音信号进行DSP处理,完成数字声场模式的变换,这是一项十分重要和复杂的信号处理过程,通过利用大规模集成电路和微处理器来完成复杂的处理和控制任务;第三是完成对解码输出的多声道信号分别进行功率放大,去推动各路扬声器(音箱)系统,最后可重放出具有环绕声的声场效果。

另外,A/V功放需要通过操作按键输入人工指令,并由输入选择A/V信号切换开关,使电源电路、控制电路、接口电路及选择电路、数字音频信号处理电路、遥控发射器电路、液晶显示驱动电路等进行工作,完成各种信息处理,使功放正常工作。

2.典型A/V功放的电路结构和信号流程

一台A/V功放中,最基本的电路单元主要包括电源电路、控制电路、数字音频信号处理电路、音频控制电路、遥控发射器电路、液晶显示驱动电路和一些其他电路等。

下面我们以典型A/V功放机(雅马哈王妃级A/V功放RX—V750型)中的实际电路为例,介绍其电路原理和分析过程。

(1)数字音频信号处理电路的结构和信号流程

图1-56所示为该A/V功放机中的数字音频信号处理电路。由图可知,该电路主要是由数字音频接口电路IC2(LC89057W)、数字信号处理器(主解码芯片)IC5(YSS948)、数字信号处理芯片IC7(YSS930)、切换电路IC14(74VHC157M7CX)、D/A转换器IC15(AK4382A)、编码器IC16(AK4628)及1M存储器IC6(CY62128BLL)、4M存储器IC8(MSM514260E)等部分构成的。

图1-56 A/V功放机中的数字音频信号处理电路

该电路中,由数字信号输入接口输入的各种数字音频信号,首先经数字音频接口电路后,由其[21]脚输出,并分成两路:一路经数字信号处理器IC5的[29]脚输入,经其内部进行选择、解码及输出后由其[39]脚、[40]脚和[43]脚、[44]脚输出四路数据音频信号,再经数字信号处理芯片IC7处理后由其[27]脚输出一路送往切换电路IC14,由其[28]~[31]脚输出送往后级音频编码器IC16中;另一路则直接送往切换电路IC14,与来自数字信号处理芯片IC7的音频信号进行切换后输出,经D/A转换器IC15转换为模拟音频信号后,再经IC17放大,输出主声道音频信号。

同时,由数字信号处理芯片处理后输出的音频信号经编码器IC16(AK4628)处理,输出多路模拟音频信号,这些信号经后级放大电路放大后输出中置声道、重低音、环绕声音频信号送往后级电路。

另外,来自话筒接口的话筒信号,经话筒接口、衰减器IC18后,再经编码器IC16送入数字信号处理器(主解码器)中进行处理,与来自接口输入的音频信号在IC16中进行选择、处理、译码后输出送往后级电路中。

(2)音频信号控制电路的结构和信号流程

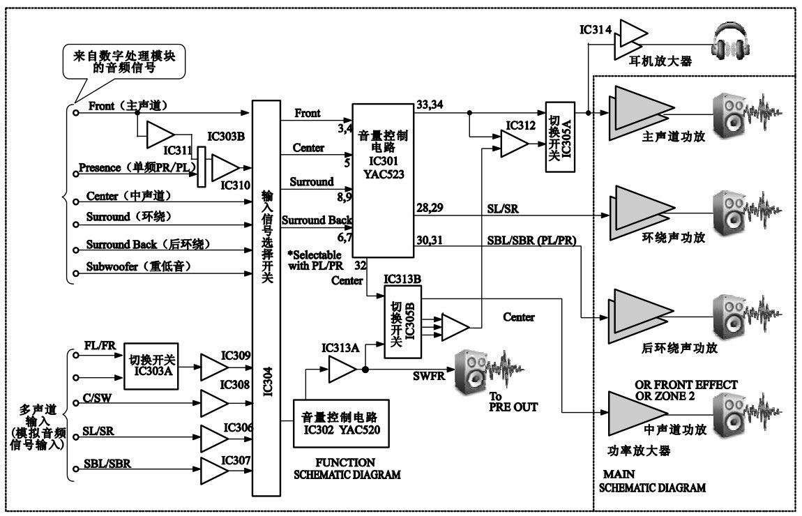
图1-57所示为该A/V功放机中的音频信号控制电路。由图可知,该电路主要是由输入信号选择开关IC304,音量控制电路IC301(YAC523)、IC302(YAC520),切换开关IC303、IC305,主声道功放、环绕声功放、后环绕声功放、中声道功放及耳机放大器等部分构成的。

图1-57 A/V功放机中的音频信号控制电路

由图可知,来自数字音频信号处理电路输出的主声道音频信号、单频信号、中声道信号、环绕声音频信号、后环绕声音频信号、重低音音频信号等送入输入信号选择电路,与来自模拟输入接口的多声道音频信号进行选择后,送入音量控制电路,再经切换电路进行切换后,分别送往后级的各个功放中进行功率放大,最后输出去驱动扬声器(音箱)发声。

在该电路中,模拟音频信号输入端是来自FM收音电路、录音机及多声道输入接口送来的音频信号。

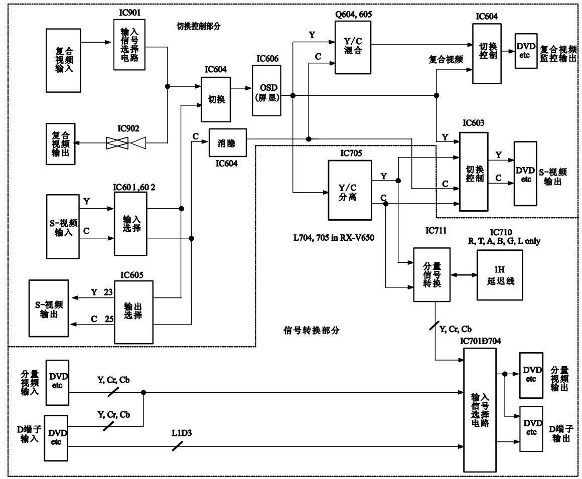
(3)视频信号接口及选择电路的结构和信号流程

图1-58所示为A/V功放机中的音频/视频接口和切换控制电路。视频设备(录像机、影碟机)输入的视频信号经切换后输出送往电视机中显示图像。伴音由功放处理并驱动立体声音箱。声音和图像应保持同步关系。

图1-58 A/V功放机中的音频/视频接口和切换控制电路

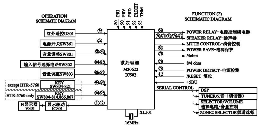
(4)控制电路

图1-59所示为A/V功放机中的控制电路。该电路是接收操作按键和遥控发射器的工作指令,然后对机内电源部分、数字信号处理、音频信号控制电路、消音电路、收音调谐器、音量选择和控制电路、频道选择电路等进行控制。同时,它还通过显示驱动芯片IC801控制多功能显示屏,显示各种信息。

由图可知,该机控制电路部分以微处理器IC502(M30622)为核心,其[75]脚为红外遥控信号接收端,[74]脚为开机控制端,[86]~[89]脚为音量调整控制端,[84]、[85]脚为输入信号选择控制端、[94] 、[95]脚为键控信号输入端,[12]脚为复位端,微处理器将这些引脚输入的相关指令进行识别、处理后输出相应的控制信息,如控制收音电路,输出音量控制信号,输出开机信号及消音信号等。

另外,微处理器外接16MHz晶体,与微处理器芯片内的振荡电路构成晶体振荡器,为其提供时钟信号,作为芯片能够正常工作的基本条件之一。

图1-59 A/V功放机中的控制电路

(5)遥控发射器电路

图1-60所示为A/V功放机中的遥控发射器电路。由图可知,该电路主要是由遥控编码微处理器IC1、4MHz晶体X1、键盘矩阵电路、红外发光二极管D2~D4等部分构成的。该发射器由四节7号电池供电,电压为6V。

图1-60 A/V功放机中的遥控发射器电路

该遥控发射器中,晶体X1,电容器C3、C4和遥控编码微处理器[33]脚、[40]脚组成4MHz的高频主振荡器,振荡器产生的信号经分频后产生38kHz的载频脉冲。

在键矩阵扫描电路中,微处理器的15个引脚组成矩阵,满足系统的控制要求。微处理器的[1]~[7]脚是扫描脉冲发生器的7个输出端,高电平有效;[45]~[52]脚是键控信号编码器的8个输入端,低电平有效。7个输出端和8个输入端构成7×8键矩阵,可以有56个功能键位,实际上只使用了55个功能键位。

遥控器工作时,操作按键后,IC1的[41] ~[43]脚输出遥控指令信号,经限流电阻器R18、R34、R7后输出去驱动红外发光二极管D2~D4,发射出红外光遥控信号。

电路中,四节电池输出电压经稳压器IC5稳压后,加到遥控编码微处理器芯片IC1的[10]脚、[20]脚为其提供工作电压,另外,电池输出电压经复位电路(Q3、D5)后将复位信号加到IC1的[28]脚;IC5的[14] ~[19]脚输出液晶显示屏驱动数字信号。

1.3.13 音频数码功放的电路结构

1.数码功放的功能特点

在普通的由电子管、晶体管和集成电路类型的功放中,大都采用模拟功率放大器、功率大、失真小、频带宽是这种功放的重要指标。很多大功率功放采用分立元件,为了减少失真,对晶体管的要求很高,挑选和调试要求也很高,批量生产的难度较大。目前开发了数字功放集成电路,使这个问题得以解决,特别是失真的问题。

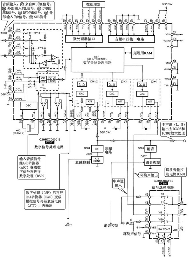
下面我们以松下DT100型数码环绕功放为例,介绍其电路结构和工作原理。图1-61所示是具有5.1声道输出的环绕数码功放的电路结构方框图。

图1-61 5.1声道输出的环绕数码功放电路结构方框图

IC601是具有输入信号选择功能的数字信号处理电路,它可以输入多路音频信号,在其中先变成数字信号,再进行数码声场处理,然后再变成多路环绕声数字信号,在集成电路内经D/A转换器后输出,并送到音量调整电路IC501中,进行调整。多路环绕声信号经调整后,分成三组分别送到三路A/D转换器中,L/R信号送到24位(bit)A/D转换器中,C和SUB(中声道和重低音信号)送到16位(bit)A/D转换器中。A/D转换器将双路模拟信号变成串行数字信号(串行数据、串行时钟、LR分离时钟)。串行数字信号再送到PWM处理器,将串行数字音频信号变成脉宽调制的信号,即脉冲的宽度表示音频信号的幅度,脉冲的幅度是恒定的。最后由6个数字功放集成电路放大6路脉宽调制信号。由于数字功放所放大的脉冲信号的幅度是恒定的,功放的输出工作在开关状态(截止或饱和),数字功放输出的信号即为PWM信号,这种信号经RC组成的低通滤波器后,即可变成模拟信号直接去驱动扬声器。数字功放避开了在模拟功放中的交越失真和非线性失真。因而其性能很好,而且调试简化。

2.数码功放的电路结构

(1)数码音场处理电路(DSP)

图1-62所示是数码音场处理电路,这种电路是对数字音频信号进行数字处理,用这种方法可以使音频信号具有多种音响效果,用数字仿真的方法在微处理器的控制下,可以进行数码合成,增强低音的深度和范围,进行延迟和混响处理,进行均衡控制等,使输出的多声道信号具有音乐厅、体育场、歌剧院等效果(可以选择)。延迟电路采用数字存储器RAM。

图1-62 数码音场处理电路

[65] 、[69] 、[66] 、[70]、[67]、[71]、[68] 、[72] 均为模拟音频信号的输入端,内设开关切换电路,从输入中选择2路立体声信号,经运算放大器(OP AMP)和A/D转换器(ADC)变成数字信号送入DSP电路中,经处理后输出4路信号,再分别经D/A转换器(∑△ DAC),然后再经衰减控制(ATT)输出模拟信号。[11] 、[14]脚输出主声道信号(L、R),[27]脚输出中声道信号,[30]脚输出环绕声信号。环绕声信号再由开关电路变成两路(SL、SR)。重低音信号单独处理,外部设备可以直接送入重低音信号(SUB),也可以利用主声道(LR)合成出重低音信号。

(2)A/D转换器

图1-63所示是A/D转换电路,经处理后的6路音频信号(5.1声道)分成3组分别经过3个A/D转换集成电路,将模拟音频信号变成数字音频信号,这种数字音频信号被称为串行数字信号。每一组是由三个信号构成的,同时传输。其中Dout为串行数字信号,也称Date; BCK为串行时钟信号,LRCK为左右(L/R)分离时钟信号。

图1-63 环绕声A/D转换器

在三个A/D转换器中,主声道(L、R)采用24bitA/D转换器,主要是保证主声道的频带宽,失真小、动态范围大的特性。环绕声(SL.SR)A/D转换器和中声道、重低音的A/D转换器均采用16bit的量化值。

(3)PWM处理和数字功放

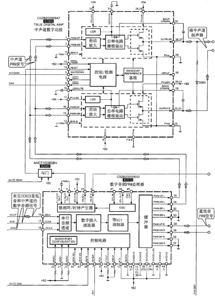
图1-64所示是音频PWM处理电路和数字功放的电路方框图,由于A/D转换器输出的信号不能直接与数字功放接口,因而先由PWM处理电路将串行数字音频信号转换成脉宽调制的信号(简称PWM),这是为了便于进行功率放大而开发的一种新型数字处理方式,这样就把结构复杂的多路数字信号,变成了一路简单的脉冲信号,数字功放实际上是一种脉冲功率放大器。在集成电路中的输出级采用双场效应晶体管的方式,脉冲的高电平期间上面的场效应晶体管道导通,下面的场效应晶体管截止,脉冲的低电平期间,上面的场效应晶体管截止、下面的场效应晶体管导通。输出的脉宽调制信号经RC低通滤波器,即可变成模拟信号直送扬声器,功放几乎无失真。

图1-64 音频PWM处理电路和数字功放电路