- 可编程控制器技术应用(西门子S7系列)
- 唐波微 谭勇 彭庆丽主编
- 1354字
- 2018-12-28 14:25:42
任务2 顺序控制设计法
一、目标
通过项目教学,让学生了解顺序控制设计法的基本概念,掌握顺序控制设计法的具体操作步骤、顺序功能图的结构。
二、要求
(1)了解顺序控制设计法的基本概念。
(2)了解顺序控制设计法的具体操作步骤。
(3)掌握顺序功能图的结构。
三、知识链接
1.顺序控制设计法
顺序控制设计法,就是将一个复杂系统的工作流程分解为若干个较为简单的工步,然后分别对各个工步进行编程设计方法,可使编程工作简单化和规范化。
具体操作步骤是先根据系统的工艺过程画出顺序功能图,然后根据顺序功能图编写顺序控制梯形图程序。若编程软件提供顺序功能图语言,例如,S7-300/400的S7 Graph语言,在编程软件中生成顺序功能图后便完成了编程工作,不再需要编写梯形图程序。
2.顺序功能图的组成与基本结构
顺序功能图主要由步、有向连线、转换、转换条件和动作组成。有单流程、选择结构流程和并行结构流程三种基本结构。
四、设计举例(演示教学)
通过3台电动机顺序启动/停止控制来说明顺序控制设计法的操作步骤和顺序功能图的结构。
1.控制要求
设某设备有3台电动机,控制要求:按下启动按钮,第1台电动机M1启动;M1运行5s后,第2台电动机M2启动;M2运行15s后,第3台电动机M3启动。按下停止按钮,3台电动机全部停机。
2.PLC的I/O分配及功能表(见表4-2)
表4-2 PLC的I/O分配及功能表

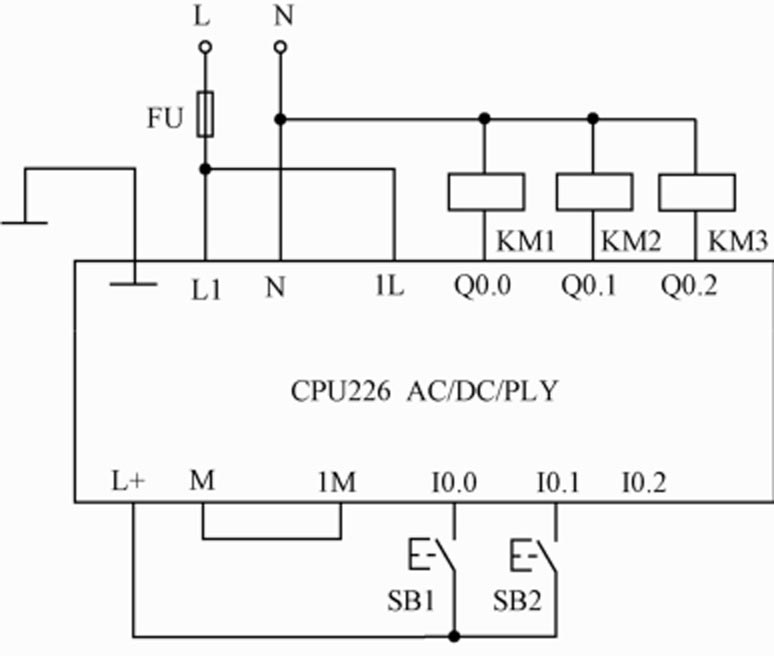
3.PLC的外部接线图(见图4-4)
4.顺序功能图(见图4-5)
图4-4 3台电动机顺序启/停控制的PLC外部接线图
图4-5 多台电动机顺序启/停控制的顺序功能图
1)步
将控制系统的一个工作周期划分为若干个顺序相连的阶段,这些阶段称为步(Step),并用编程元件S(顺序控制继电器)或M(位存储器)来代表各步。一般在顺序功能图中用编程元件的符号外加矩形方框表示步,编程元件的地址作为步的编号。
(1)初始步:与系统的初始状态相对应的步称为初始步,初始状态一般是系统等待启动命令的相对静止的状态。初始步用双线方框表示,每一个顺序功能图中至少应该有一个初始步。
(2)活动步:当系统正处于某一步所在的阶段时,该步处于活动状态,称为“活动步”。
2)有向连线
有向连线表示步的转移方向。在绘制顺序功能图时,将代表各步的方框按成为活动步的先后顺序排列,并用有向连线将它们连接起来。表示从上到下或从左到右这两个方向为步的活动状态习惯的进展方向,其有向连线的箭头可以省略。
3)转换
转换用有向连线上与有向连线垂直的短划线来表示,转换将相邻两步分隔开。步的活动状态的进展是由转换的实现来完成的,并与控制过程的发展相对应。
4)转换条件
使系统由当前步进入下一步的信号称为转换条件,一般为与转换逻辑相关的触点,可以是常开触点、常闭触点或它们的组合。
5)动作
步右边用线条连接的线圈为本步的控制对象,简称为动作(允许某些步无控制对象)。
5.根据顺序功能图编写梯形图程序(见图4-6)
图4-6 梯形图程序
图4-6 梯形图程序(续)
6.演示步骤
① 按如图4-4所示的线路连接好PLC的外部控制线路;
② 接通PLC的电源;
③ 启动编程软件,单击工具栏“停止”按钮(▇)使PLC处于STOP(停止)状态;
④ 将图4-6所示的梯形图程序下载到PLC中;
⑤ 单击工具栏“运行”按钮(►)使PLC处于RUN(运行)状态;
⑥ 按下启动按钮SB1,Q0.0灯亮,第一台电动机M1启动;M1运行5s后,Q0.1灯亮,第2台电动机M2启动;M2运行15s后,Q0.2第3台电动机M3启动运行。按下停止按钮SB2,3台电动机全部停止工作。