3.3 使用全加器来构造加法机
在学习了二进制加法运算之后,大家可能会感觉很愉快、很满足(通常吃饱了之后也是这种感觉,这证明知识的确也是食粮)。高兴之余,你可能想在别人——比如你的父亲面前卖弄一下你的学问,向他演示101+11=1000。看到你拥有这样非凡的才能,他肯定表现得非常激动:“揍死你这个不成器的东西,竟然连加法都不会做了!”
这也难怪,大人们很少有懂得二进制的。如果不是为了研制计算机,我们干吗要研究二进制,和它纠缠在一起?
任何一个二进制数都是由一个以上的比特组成的,是一个比特串。为了突出组成它的每个比特,一个二进制数可以表示成(如果它包含了6比特的话):
a5a4a3a2a1a0
在这里,a0、a1…a5都是单个的比特,是这个二进制数的每一位。奇怪吧?它们都有一个“a”,脚底下还吊着一个独一无二的下标。什么意思呢?“a”表示它们都属于同一个大家庭,即这个二进制数;下标则指明了它们在这个二进制数中的位置,或者说,在这个大家庭里的长幼次序。
我们在日常生活中通常都是从1开始编号,但是这里却是从0开始,而且从右向左递增。为什么要这样干呢?电子计算机是外国人发明的,我们研究计算机技术,引进他们的技术资料,自然也就把这个学来了。交朋友要交脾气相投的,干事业要找志趣一样的。要是你和自己的创业伙伴一起放羊,晚上赶羊进圈的时候,你数的是1、2、3、4、5,共5只,而他数的是0、1、2、3、4,共4只,弄不好你们俩就要反目。
所以,如果a5a4a3a2a1a0=110101,那么它们的对应关系就如图3.3所示。
图3.3 二进制数中各个比特的编号方法
你可能怀疑我的动机,正在猜想我为什么要跟你说这些。你的怀疑是对的,因为我正是想和你一起分析分析,在不知道或不用知道两个二进制数究竟是几的情况下,它们是如何相加的,这里面都有些什么规律。如果可能的话,我们将会得到一份奖赏,那就是顺利地把期盼已久的加法机造出来。
既然知道了我的心思,那么,让我们来看看,随便两个二进制数相加时会怎样,比如:
a5a4a3a2a1a0+b5b4b3b2b1b0
它们可以是任意两个数。照惯例,要先把它们右对齐,叠在一起,如图3.4所示。
图3.4 两个二进制数相加、要和十进制加法一样对齐
因为最先相加的是最右边那一列,即a0和b0,所以这里没有从其他列来的进位,属于单纯的两个比特相加。如图3.5所示,这里有4种可能的情况。
图3.5 不考虑其他列的进位时两个比特相加的4种可能
依据二进制加法口诀,很显然,只有在来自被加数和加数的比特都为“1”的时候,也只有在这个时候,才会向左边甩出一个进位“1”,并且结果是“0”。
相比之下,倒数第二列就没有这么幸运了。因为它不单纯是a1和b1相加,还可能会收到最右边那列赠予的礼物——进位,这样这一列实际上就是三个比特相加。当然,要是运气好,最右边一列没有产生进位,那么情况会和图3.5一样。
不过,如果最右边一列产生了进位,那么这一列实际上是另外4种可能,如图3.6所示。
图3.6 存在其他列的进位时两个比特相加的4种可能
综合图3.5和图3.6,就得到了在这一列上做加法时,所有可能出现的情形,共8种。我想大家都看得很清楚,这一列相加的结果可能是0,也可能是1。而且,也可能产生进位,但这个进位必定是1(而不会是其他数值)。
我们可以接着研究其他列上相加的情况,但实际上已无必要,原因是除了最右边那一列,不管哪一列相加,情况都和刚才讨论的一样,每一列都有可能需要加上前一列来的进位(1),相加的结果可能是0,也可能是1,并且它自己也可能会把一个进位(1)塞给别人。
既然是这样,你的大脑也许会闪出灵感的火花,迸出一个非常绝妙的想法:既然加法都是按列进行的,而且每一列的计算过程都一样,那么完全可以设计一个电路来完成每一列的相加过程,如图3.7所示。
图3.7 全加器示意图
在图中,A和B分别是来自被加数和加数的一个比特,它们正好在同一列上;Ci是来自右边一列的进位;Co是本列产生的进位;S是本列的“和”。为了表明这个电路的用途,我们在图的中间加了一个符号“∑”。在数学中,这个符号用来表示“加”,它的读音是“西格马”。很显然,这并不是马的一个新品种。
既然是一个电路,它肯定有一个名字。是的,它叫全加器。这不是一个很容易理解的名字,特别是这个“全”字。而且,既然有全加器,是不是还应该有“半加器”?你别说,还真有半加器这东西。但是,半加器仅仅是把来自被加数和加数的两个比特加起来,产生一个“和”以及一个进位,并不考虑从其他列来的进位。换句话说,它只是用电路来实现二进制加法口诀。全加器则不然,它真正实现了二进制加法中每一列的加法过程,所以它才叫做“全加器”。
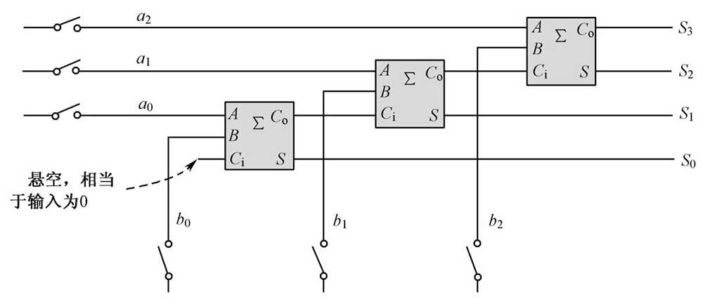
有了全加器,解决了二进制加法过程中每一列的计算问题,那么,我们可以搞一大堆全加器,根据被加数和加数的比特数,把它们串联起来组成一个完整的加法电路,图3.8显示了这一过程。
图3.8 由3个全加器组成的3比特加法机(结果是4比特)
图中,参与相加的两个二进制数分别是 a2a1a0和 b2b1b0,组成它们的每一个比特都可以用开关的闭合与断开来得到。
随着开关的闭合与断开,我们会得到一些二进制数,比如 a2a1a0=110,这个很正常。
但是,也有可能会得到一些看似不那么正常的,比如 a2a1a0=011。不要大惊小怪,这其实很正常,它实际上就是11,只不过前面多了个“0”。和十进制一样,在1左边不管有多少个“0”,都不会改变它的大小。有人不是说嘛,“1”就好比是健康,“0”就是财富。健康打头,财富多了才有意义;否则,你把健康放到最后,前面的财富再多有什么用呢?
因为被加数和加数各自用了3个开关,很明显,参与运算的被加数和加数都只能是3比特的二进制数,比如110+101。之所以没有使用比3比特更大的二进制数,是因为较小的数能够使我少画一些电路,这样看起来更清楚,并因此而节约了篇幅(印刷之前,出版社的老编们可能会重新绘制这些图,我希望他们能感谢我如此善解人意,并在适当的时候请我吃饭)。
像按列做加法一样,3个全加器串联在一起,把被加数和加数中位置相同的两个比特相加,输出结果,并将进位传递给下一个全加器。可以看出,第一个(左下角那个)全加器的进位输入端没有使用,意思是“没有进位输入”,或者“从后面来的进位是0”。其余的全加器,它们的进位输入端都和前一个全加器的进位输出端相连,意思是“前面的,你产生进位了吗?如果有,我得加上它”。S2S1S0是两个二进制数相加后的最终结果。S3是最后一个全加器产生的进位,由于这是最后一个全加器,所以它的进位也是最终结果的一部分。尽管100+1的结果是3比特的101,但是100+100却产生4比特的结果1000,最左边的那个“1”纯粹是由于进位产生的。
如果仔细品味的话,你还可以发现它很容易进行扩充以计算更大的数(这样它会更实用),唯一所要做的就是在现有的基础上再串联更多的全加器。现在你应该感到高兴,看看你自己,进步多大呀!刚拿起这本书的时候,你对电子技术还知之甚少,现在,你连这样复杂的电路都能看懂了,这难道不值得庆贺吗?
在所有的计数方法里,二进制不见得是最实用的,它不够简明,写起来麻烦。别人不敢说,我相信交警们一定喜欢十进制,而不是二进制。当他们在路上执勤的时候,肯定能迅速记住刚才超速的是“计A9998”,而“计A10011100001110”这样的车牌号只能让他们眼晕。
好吧,我承认大家平时过日子不需要它。但是,计算机需要它。很奇怪吧?就因为它简单。它的全部,它的一切,就只有0和1。简单意味着具有较少的运算规则;较少的运算规则意味着设计不太复杂;不复杂的设计又意味着可以用很少的材料来制造,并最终节省人力、物力、时间和金钱,还能保证机器工作的可靠性。
要造一台机器来计算加法,全加器无疑是最基础的零部件了。但是,这个全加器到底应当如何构造呢?看起来,我们已经离目标不远了,应该很快就能揭开最终的谜底。
事实上,还差得远呢。要想知道全加器的内部都是些什么,它是如何把3个比特加起来的,我们还必须回到过去,了解电与磁的历史,以及先哲们创立的逻辑学,看能不能从中得到一些启发。
- Mastering Spark for Data Science
- 自动检测与传感技术
- Python Data Science Essentials
- Embedded Programming with Modern C++ Cookbook
- 自动控制理论(非自动化专业)
- 具比例时滞递归神经网络的稳定性及其仿真与应用
- 网络安全与防护
- INSTANT Heat Maps in R:How-to
- Visual FoxPro程序设计
- Bayesian Analysis with Python
- ADuC系列ARM器件应用技术
- 计算机硬件技术基础(第2版)
- Flash CS5二维动画设计与制作
- 超好玩的Python少儿编程
- 暗战强人:黑客及反黑客工具快速精通