- 可编程控制器技术应用(西门子S7系列)
- 唐波微 谭勇 彭庆丽主编
- 1763字
- 2018-12-28 14:25:44
任务1 使用启保停电路的编程方法
一、目标
主要介绍启保停电路的编程方法。
二、要求
学习使用启保停电路的编程方法设计梯形图。
三、知识链接
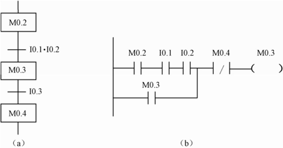
设计启保停电路的关键是找出它的启动条件和停止条件。
根据转换实现的规则,转换实现的条件是它的前级步为活动步同时相应的转换条件得到满足。因此,前级步对应M的常开触点与转换条件对应的触点或电路组成的串联起来作为启动条件。
根据转换实现应完成的操作可知,当后续步成为活动步,前级步就成为了非活动步。因此,可以以后续步对应M的常闭触点作为停止条件。
在图5-1中,步M0.3变为活动步的条件是,它的前级步M0.2为活动步,且转换条件I0.1和I0.2同时为ON,因此,M0.3的启动电路为M0.2的常开触点和I0.1、I0.2的常开触点串联。当步M0.4成为活动步,则M0.3就成为了非活动步,则用M0.4的常闭触点作为停止条件。
图5-1 用启保停电路实现转换
对于输出电路的处理方法如下:
(1)某一个输出量仅仅只在一步为ON,则可将它的线圈与对应步的存储器的线圈相并联。
(2)某一输出量在几个步中都为ON,则应将这几个步的位存储器M的常开触点并联后,再来驱动该输出量的线圈。
1.单序列的编程方法
单序列就是指每一步后面仅有一个转换,每一个转换后面也只有一个步。
例5-1 用步进顺控指令设计某行车循环正反转自动控制的程序。
控制要求为送电等待信号显示→按启动按钮SB1→正转→正转限位SQ1→停5s→反转→反转限位SQ2→停7s→返回到送电显示状态。
解 (1)输入/输出地址分配及功能表(见表5-1)。
表5-1 输入/输出地址分配及功能表

(2)根据上述要求,可将整个工作过程分为5个状态,其顺序功能图及梯形图如图5-2所示。
图5-2 行车循环正反转自动控制程序
2.选择序列的编程方法
对于选择序列的分支处,如果某一步后面有N条分支组成选择序列,则该步可能转换到不同的N步去,因此,这N个后续步对应M的常闭触点的串联电路作为该步的停止条件。如例5-2中的步M0.0。
对于选择序列的合并处,如果某一步之前有N条转换,则该步可能有N条分支到达该步,因此,启动电路由N条支路组成,各支路由某一前级步对应M的常开触点和转换对应的触点串联形成。如例5-2中的步M0.2。
3.并行序列的编程方法
对于并行序列的分支处,如果某一步后面有N条分支组成并行序列,则用其中任意一支对应M的常闭触点作为停止条件。
如例5-2中的步M0.2,当它成为活动步,若I0.3=ON,则步M0.3和步M0.5同时成为活动步,则M0.2的停止条件为后续步M0.3或M0.5的常闭触点。
对于并行序列的合并处,如果某一步之前有N条分支,则将所有前级步对应M的常闭触点及转换的触动串联起来作为启动条件。
例5-2中,当M0.4和M0.6同时为活动步,且I0.6=ON时,M0.0将为活动步,而M0.4和M0.6将为非活动步。
例5-2 选择与并行序列举例。
顺序功能及梯形图如图5-3所示。
图5-3 例5-2对应程序
4.仅有两步的闭环处理
如果在顺序功能图中,仅由两步组成的小闭环,如图5-4所示,若像图5-4(a)使用启保停电路的设计梯形图将不会正常工作,原因在于步M0.2既是M0.3的前级步又是它的后续步,而M0.2的常开触点和它的常闭触点在同一时刻是不可能都闭合的。
将M0.2常闭触点给为转换条件I0.3的常闭触点就可以解决问题,如图5-4(b)所示。
图5-4 仅有两步的闭环处理
实训一 生产流水线小车控制程序
1.实验目的
掌握使用启保停电路的顺序控制程序的设计和调试方法。
2.控制要求
某生产线要求一小车执行以下控制:初始状态下,小车停在行程开关ST1的位置,且行程开关ST1被压合。第一次按下按钮SB1后,小车前进至行程开关ST2处停止,5min后退回到行程开关ST1处停止。第二次按下SB1后,小车前进到行程开关ST3处,8min后退回到行程开关ST1处停止。第三次按下按钮SB1后,小车前进到行程开关ST4处停止,10min后退回至行程开关ST1处停止。再按下按钮SB1,重复以上过程。
3.端口分配及接线图
1)I/O地址分配及功能表(见表5-2)
表5-2 I/O地址分配及功能表

2)控制线路图(见图5-5)
图5-5 生产流水线小车控制线路
4.梯形图参考程序(见图5-6)
图5-6 生产流水线小车控制程序
5.操作步骤
(1)按图5-5所示连接好控制线路。
(2)接通电源,将PLC置于STOP模式下,将控制程序下载到PLC中。
(3)将PLC置于RUN模式下,并监控程序运行。
(4)按下行程开关ST1,模拟小车停在ST1处。按下SB1按钮,输出点Q0.0点亮,之后断开ST1;按下行程开关ST2,模拟小车停在ST2处,Q0.0灭,5min后Q0.1点亮,模拟小车自动返回,按下行程开关ST1,指示灯Q0.1灭。
(5)按照控制要求进行操作,观察输出点变化。
(6)按下SB2,观察输出点Q0.0、Q0.1的变化。