- 可编程控制器技术应用(西门子S7系列)
- 唐波微 谭勇 彭庆丽主编
- 9143字
- 2018-12-28 14:25:38
任务3 S7-200基本指令
子任务1 位逻辑指令、定时器
一、目标
通过本项目的学习,让学生掌握位逻辑指令和定时器的定义、工作原理并利用它们进行编程。
二、要求
(1)熟悉位逻辑指令和定时器,并对其工作电路进行工作原理分析。
(2)能熟练地利用位逻辑指令和定时器进行编程。
三、知识链接
PLC完成基本逻辑控制用得最多的是基本指令。指令在程序中通常以梯形图、指令表或功能块的形式出现,且三种形式又可以互相转换。
1.位逻辑指令
位逻辑指令,是PLC编程中最基本、使用最频繁的指令,主要是位操作及运算指令,同时也包含与位操作相关的定时器和计数器等。利用位操作指令可以实现基本的位逻辑运算和控制。
按功能可以分为如表2-9所示的几类。
表2-9 位逻辑指令分类

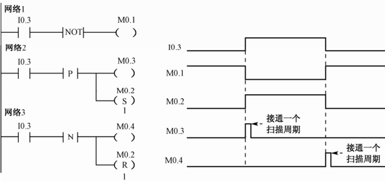
1)置位/复位逻辑指令
置位/复位指令执行时,从指定的位地置开始的N个连续位地址,以及对应的物理输出点均被置位/复位。复位指令在复位定时器和计数器的状态位时,同时将定时器/计数器的当前值清零。
置位/复位指令程序及波形图如图2-16所示。
图2-16 置位/复位指令程序与波形图
(1)当I0.2第一次为“ON”时,Q0.2~Q0.7被置位,输出为1。
(2)当I0.3第一次为“ON”时,Q0.2~Q0.7被复位,输出为0。
(3)由PLC扫描工作方式可知,当I0.2第二次为“ON”时,I0.3此时也为“ON”,复位为0盖写了置位为1,故其结果为复位,即Q0.2~Q0.7输出为0。
2)优先置位/优先复位指令
优先置位是指置位信号S和复位信号R同时为1时输出为1。优先复位是指置位信号S和复位信号R同时为1时输出为0。示例程序和波形图如图2-17所示。
图2-17 示例程序与波形图
3)立即位逻辑指令
立即置位/复位指令执行时,立即置位/复位从指定的位地置开始的N个连续位地址,以及对应的物理输出点。立即位置位逻辑指令程序如图2-18所示。
若外接实际设备,程序扫描周期周够长,则可以发现I0.0接通时,Q0.0比Q0.1先接通,I0.0断开时,Q0.0比Q0.1先断开。
4)其他位逻辑指令
(1)取反指令:
将源操作数的状态取反后作为目标操作数据输出。
(2)上升沿触发:
检测到其左边的逻辑状态由“0”变为“1”的正跳变时,该触点接通一个扫描周期。
(3)下降沿触发:
检测到其左边的逻辑状态由“1”变为“0”的负跳变时,该触点接通一个扫描周期。
(4)空操作指令:
对程序的的执行没有影响。
(5)取反、上升沿和下降沿指令示例程序与工作时序图如图2-19所示。
图2-18 立即置位程序
图2-19 取反、上升沿、下降沿指令程序与波形图
(6)位逻辑指令程序示例如图2-20所示。
图2-20 位逻辑指令程序示例
2.定时器
S7-200定时器有TON、TONR和TOF三种类型。
1)TON——接通延时定时器
接通延时定时器是输入端能流延时一段指定时间后定时器被置位而开始输出(常开触点闭合,常闭触点断开)。示例程序及其工作时序图如图2-21所示。
图2-21 接通延时定时器示例程序及其工作时序图
从时序图可以将其工作情况作如下几个时段进行分析:
① I0.0为断开状态时,T37的输入端没有能流而不工作;
② 当I0.0接通时,定时器T37输入端有能流,开始计时,即延时;
③ 当到达设定值50即5s时,T37状态位置位,常开触点闭合,Q0.0输出为“1”;
④ I0.0保持接通,T37继续保持原状态(计时最大值为32767),Q0.0输出保持为“1”;
⑤ 当I0.0断开瞬间,T37复位清零,常开触点恢复为常开状态,Q00.0输出为“0”;
⑥ I0.0保持为断开状态,Q0.0输出保持为“0”;
⑦ I0.0由断开状态变为接通,T37又开始计时—延时,到达指定的时间5s后又置位,其常开触点又闭合,Q0.0输出又变为“1”(与前一个阶段的过程相似)。
2)TONR——保持型接通延时定时器
当定时器的输入端有能流时开始计时,在定时器未到达预设时间时,若输入能流中断,不会清当前定时器变量,而当输入能流恢复时,在原定时器变量上继续累加。到达设定值时被置位(常开触点闭合,常闭触点断开),此后,若输入能流中断,定时器变量被清零。
示例程序及其工作时序图如图2-22所示。
图2-22 保持型接通延时定时器示例程序及其工作时序图
根据时序图可以对其工作原理作进行如下分析:
当I0.0接通时,定时器T2开始定时,当前值递增;当I0.0断开时,停止定时,当前值保持不变;当I0.0重新接通时,T2继续定时,当前值累计到设定值0.5s时,T2的状态位置位,对应的常开触点接通,常闭触点断开,Q0.0输出为“1”,当前值继续增加,直到32767;虽然此时I0.0断开,但T2的状态位仍保持置位状态;要想T2复位,只能通过复位指令R来实现,其当前值才能被清零。
3)TOF——断开延时定时器
将输入能流立即输出到指定变量,在输入能流关闭时,延时一段时间关闭指定变量。在这个过程中,在关闭输入能流时,才是一个触发开始。在之前没关闭输入时,输入和输出通道相通的,有输入立即有输出。
它用于设定停机后的延时,如电动机停机后冷却风扇的延时。
示例程序及其工作时序图如图2-23所示。
图2-23 断开延时定时器示例程序及其工作时序图
根据时序图可以对其工作原理进行如下分析:
当I0.0接通时,定时器T33的状态位立即置位,对应的常开触点闭合,常闭触点断开,Q0.0输出为“1”,当前值不增加;当I0.0断开时,T33开始定时,当前值由0开始增大,但其状态位和Q0.0保持不变;当当前值增加到设定值0.5s时,T33的状态位复位,对应的常开触点断开,常闭触点闭合,Q0.0输出为“0”,当前值保持不变,直到I0.0重新接通,当前值才被清零。
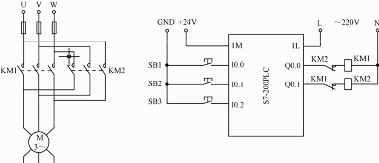
四、课堂演示实验:电动机延时正/反转控制
1.所需设备(见表2-10)
表2-10 演示实验器材表

2.程序流程图(见图2-24)
图2-24 延时正/反转控制程序流程图
3.端口分配及接线图
1)I/O端口分配及功能表(见表2-11)
表2-11 I/O端口分配及功能表

2)控制接线图(见图2-25)
图2-25 延时正/反转控制程序流程图
4.操作步骤
(1)按控制接线图连接控制回路与主回路。
(2)将编译无误的控制程序下载至PLC中,并将模式选择开关拨至RUN状态。
(3)分别拨动SB1~SB3,观察并记录电机运行状态。
(4)尝试编译新的控制程序,实现不同于示例程序的控制效果。
五、实训:抢答器控制
1.实训目的
(1)掌握置位复位指令的使用及编程方法。
(2)掌握抢答器控制系统的接线、调试、操作方法。
2.实训所需设备(见表2-12)
表2-12 实训所需设备清单

3.面板图(见图2-26)
图2-26 抢答器面板图
4.控制要求
(1)系统初始上电后,主控人员在总控制台上按开始键后,允许各队人员开始抢答,即各队抢答按键有效。
(2)在抢答过程中,1~4队中的任何一队抢先按下各自的抢答按键(S1、S2、S3、S4)后,该队指示灯(L1、L2、L3、L4)点亮,LED数码显示系统显示当前的队号,并且其他队的人员继续抢答无效。
(3)主控人员对抢答状态确认后,按“复位”键,系统又继续允许各队人员开始抢答;直至又有一队抢先按下各自的抢答按键。
5.程序流程(见图2-27)
图2-27 抢答器面板图
6.端口分配及接线图
1)I/O端口分配及功能表(见表2-13)
表2-13 I/O端口分配及功能表

2)控制接线图(见图2-28)。
图2-28 抢答器控制接线图
7.操作步骤
(1)按控制接线图连接控制回路。
(2)将编译无误的控制程序下载至PLC中,并将模式选择开关拨至RUN状态。
(3)分别单击“开始”开关,允许1~4队抢答。分别单击S1~S4按钮,模拟四个队进行抢答,观察并记录系统响应情况。
(4)尝试编译新的控制程序,以实现不同于示例程序的控制效果。
8.实训总结
尝试分析某队抢答后是如何将其他队的抢答动作进行屏蔽的。
子任务2 计数器、比较指令、移位指令
一、目标
通过本项目的学习,让学生掌握计数器的定义和工作原理,掌握比较指令、移位指令的使用方法,并利用它们进行编程。
二、要求
(1)熟悉计数器、比较指令和移位指令,能对其工作电路进行工作原理分析。
(2)能熟练地利用计数器、比较指令和移位指令进行编程。
三、知识链接
1.计数器的功能是用来累计脉冲的个数
S7-200的计数器CTU(加计数器)、CTD(减计数器)和CTUD(加/减计数器)三类。它们的梯形图指令格式如图2-29所示。
图2-29 加计数器、减计数器和加/减计数器梯形图指令格式
其中,CU为加计数脉冲输入端,CD为减计数脉冲输入端,均为上升沿有效,R为复位端,LD为装载复位输入端,只用于减计数器,PV为计数器的预设值。
1)加计数器
当脉冲输入端有上升沿时,计数器加1,这种计数器称为加计数器。加计数器的示例程序及其工作时序图如图2-30所示。
图2-30 加计数器的示例程序及其工作时序图
根据时序图,对其工作过程可作如下分析:
当I0.0由断开状态转为接通状态的瞬间,即CU端第一个上升沿到来时,计数器C2的当前值由“0”变为“1”;I0.0保持接通状态、由接通变为断开状态和保持断开状态时,计数器C2的当前值均不改变,即均保持为“1”;当I0.0重新由断开变为接通状态时,C2的当前值加1,即当前值变为“2”。当CU端第四个上升沿来临时,C2当前值达到了预设值4,C2的状态位置位,其对应的常开触点闭合,常闭触点断开,Q0.0输出由“0”变为“1”。
此后,C2的状态位保持不变,当前值随着CU端上升沿个数的增多而增大,直到最大值32767。C2的状态位只有在其复位端R上升沿到来时才会被复位,其当前值才被清零。
2)减计数器
当脉冲输入端有上升沿时,计数器当前值递增,这种计数器称为减计数器。减计数器的示例程序及其工作时序图如图2-31所示。
图2-31 减计数器示例程序及其工作时序图
根据时序图,对其工作过程可作如下分析:
(1)当I0.0、I0.1均为断开状态时,计数器C2的当前值为0,其状态位为“1”,与之对应的常开触点闭合,常闭触点断开,Q0.0输出为“1”;
(2)当I0.1转为接通状态的瞬间,即装载复位输入端(LD)上升沿到来的瞬间,计数器被复位,即C2的当前值由0变为预设值5,C2的状态位变为“0”,与之对应的常开触点断开,常闭触点闭合,Q0.0输出为“0”;
(3)当I0.0由断开转为接通时,即减计数脉冲输入端上升沿到来的瞬间,计数器C2的当前值减1,当上升沿个数与预设值相同时,计数器C2的当前值递减至0,之后停止计数,计数器的状态位置位,对应的常开触点闭合,常闭触点断开,Q0.0的输出由“0”又变为“1”,直到下一个装载复位脉冲到来才开始发生状态的改变。
2.比较指令
S7-200比较指令按照操作数的类型可以分为字节(B)比较指令、整数(I)比较指令、双整数(DI)比较指令和实数(R)比较指令四种。其梯形图指令格式如图2-32所示。
图2-32 比较指令梯形图指令格式
(1)字节比较指令比较的是字节数据的大小,其操作数为8位无符号数,如IB0、QB0、MB0、VB0、LB0等。
例2-1 当SMB28>128时,输出Q0.0接通。示例程序如图2-33所示。
(2)整数比较指令比较的是字数据的大小,其操作数为16位有符号整数,如IW0、QW0、MW0、VW0、LW0等。
例2-2 当MW10>=128时,输出Q0.0接通。示例程序如图2-34所示。
图2-33 示例程序
图2-34 示例程序
(3)双整数比较指令比较的是双字数据的大小,其操作数为32位双整数,如ID0、QD0、MD0、VD0、LD0等。
例2-3 当双整数数据MD20<=128时,输出Q0.0接通。示例程序如图2-35所示。
(4)实数比较指令比较的是双字数据的大小,其操作数为32位实数,如ID0、MD0、QD16、VD100、LD0等。
例2-4 VD1000>5.0时,输出Q0.0接通。示例程序如图2-36所示。
图2-35 示例程序
图2-36 示例程序
3.传送指令
S7-200的传送指令有单个数据传送指令、块传送指令、字节立即读、写指令和字节交换指令如图2-37所示。它们主要用于各个编程元件之间的数据传送,将输入的数据(IN)传送到输出(OUT)。传送过程中不断改变原地址的值。
图2-37 S7-200的各种传送位指令(梯形图指令格式)
1)单个数据传送指令
单个数据传送指令包括字节传送、字传送、双字传送和实数传送指令等。
单个数据传送指令编程示例:将VB100、VW102、VD104、VD108中存储的数据分别送到VB200、VW202、VD204、VD208中。
示例程序如图2-38所示。
2)块传送指令
(1)块传送指令可用来一次传送多个数据。将从输入地址IN开始的n个数据传送到输出地址OUT开始的n个单元(n的取值范围为1~255)。例如,IN为VB10,n为4,OUT为VB84,执行的结果为VB10~VB13四个存储器单元的数据被传送到VB84~VB87四个存储器单元当中。块的类型有字节块、字块和双字块。
图2-38 传送位指令示例程序梯形图
(2)块传送指令编程练习:
将VB100开始的四个字节存储的数据传分别送到VB200开始的四个字节中。
步骤一:编程。参考程序如图2-39所示。
步骤二:保存、编译、下载程序到PLC中,并将PLC设置为RUN模式,运行程序。
步骤三:单击“程序运行状态监控”按钮(
),查看程序的执行情况。
步骤四:通过状态表修改VB100~VB103四个字节当中的数值,查看VB200至VB203四个字节当中的数值。
① 单击“状态表”按钮,在系统弹出的表格第1行的地址栏中输入“VB100”,按下回车键,在弹出的第2行地址栏中输入“VB101”,同样的方法输入“VB102”、“VB103”、“VB200”、“VB201”、“VB202”、“VB203”;
② 在1、2、3、4行(分别对应VB100、VB101、VB102、VB103)的新值栏中分别输入10、11、12、13,单击“写入”按钮(
),1、2、3、4行的当前值应该马上分别变为10、11、12、13;
③ 拨动I0.0后再查看5、6、7、8行(分别对应VB200、VB201、VB202、VB203)的当前值,分别由原来的0变为10、11、12、13。
3)字节立即读、写指令
字节立即读、写指令是在物理I/O与存储器之间立即传送一个字节数据。
图2-39 参考程序
字节立即读指令读取物理输入“IN”指定的一个字节的输入,并将结果写入“OUT”指定的字节存储单元,但不刷新输入过程映像寄存器。
字节立即写指令将输入“IN”指定的一个字节的数值写入物理输出“OUT”,同时刷新相应的输出过程映像区。
4)字节交换指令
字节交换指令是用来交换输入字“IN”的高字节与低字节。
字节交换指令编程示例:按下I0.0,将VW100中的高、低字节的数据进行交换。
示例程序如图2-40所示。
图2-40 字节交换指令示例程序
4.移位指令
S7-200的移位指令有字节(B)、字(W)、双字(DW)的左移(SHL)、右移(SHR)、循环左移(ROL)和循环右移(ROR)等。其梯形图指令格式如图2-41所示。
图2-41 S7-200的各种移位指令梯形图指令格式
1)字节移位指令
移位指令将输入数据(IN端)的每一位向右或左移移动n位后送给输出端(OUT),移出的位被移动到特殊存储器中,而移动后的空位自动补0。若移动的位数n大于或等于允许值,则实际移位的位数为最大允许值。字节、字和双字移位操作的允许值分别为8、16和32。所有的移位指令的操作值均为字节变量。
字节移位指令练习:按下I1.2,将VB100中存储的数据左移2位送到VB200中,按下I1.3将VB100中存储的数据右移2位送到VB300中。
图2-42 字节移位指令示例程序
查看其效果的方法如下:
按图2-42的指令示例程序将程序编好,单击保存编译将程序下载,单击“运行”按钮,运行程序,单击“程序状态结构”按钮,观察程序运行情况,通过状态表,查看VB100、VB200和VB300中的数值,分别按下I1.2和I1.3来查看效果。按图2-43、图2-44的操作方法进行。
① 单击“状态表”。
② 在1、2、3行VB地址栏中分别填写VVB100、VB200和VB300。
图2-43 查看数据的操作方法1
③ 单击“状态表监控”按钮。
④ 单击1、2、3行的“格式”栏,分别单击下拉按钮并在系统弹出的下拉菜单中都选中“二进制”。
⑤ 在VB100的新值中填入“2#10010110”。
⑥ 单击“写入”按钮。
图2-44 字移位指令示例程序
经过移位后结果如图2-45所示。
图2-45 移位后的结果
2)循环移位指令
循环移位指令是将输入数据的每一位向左或向右循环移动n位后送给输出-OUT。
循环移位是环形的,如图2-46所示。移出的位被填补到移位后的空位中,同时影响特殊存储器位。移位次数n与移位数据的长度有关,若n小于实际数据的长度则执行n次移位;若n大于或等于实际数据的长度则在执行循环移位之前,将n除以实际的数据长度,取余数得到有效的移位次数。例如,对于字节移位,将n除以16,余数的范围为0~7,字移位时则余数的范围为0~15,双字移位时则余数的范围为0~31。若移位次数为0,则循环移位指令不执行。
图2-46 向左循环移动四位示意图
5.移位寄存器指令(SHRB)
移位寄存器指令是可以指定移位寄存器的长度和移位方向的移位指令。其指令梯形图格式如图2-41所示。其STL指令格式为SHRB DATA,S-BIT,N。
梯形图中的EN为使能输入端,连接移位脉冲信号,每次使能有效时,整个移位寄存器移动1位。DATA为数据输入端,连接移入移位寄存器的二进制数值,执行指令时将该位的值移入寄存器。S-BIT指定移位寄存器的最低位。N指定移位寄存器的长度和移位方向,移位寄存器的最大长度为64位,N为正值表示左移位,输入数据(DATA)移入移位寄存器的最低位(S-BIT),并移出移位寄存器的最高位。移出的数据被放置在溢出内存位(SM1.1)中。N为负值表示右移位,输入数据移入移位寄存器的最高位中,并移出最低位。移出的数据被放置在溢出内存位(SM1.1)中。
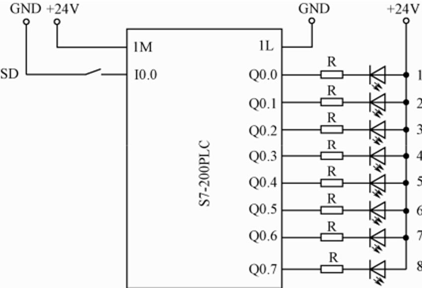
四、演示实验:循环移位指令的使用
1)控制要求
PLC运行时,Q0.1~Q0.7依次以1s的频率亮。
2)操作方法
步骤一:编程。参考程序如图2-47所示。
图2-47 参考程序
步骤二:保存、编译、下载程序到PLC中,并将PLC设置为RUN模式,运行程序。
步骤三:单击“程序运行状态监控”按钮(
),查看程序的执行情况。
步骤四:观察PLC的输出状态指示灯,也可以通过状态表查看QB0的值。
单击系统操作界面左边的“状态表”按钮(
),在系统弹出的表格第1行的地址栏中输入“QB0”,单击“格式”下的“无符号”,在其下拉菜单中选中“二进制”,再单击“状态表监控”按钮(
),在“当前值”下方的空格中可以看到不断向左进行循环移位的8位二进制数
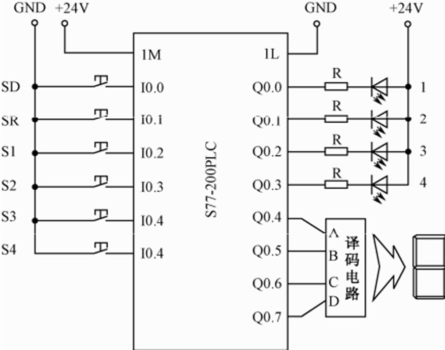
五、实训:音乐喷泉控制
1.实训目的
掌握置位与移位指令的使用及编程方法。
2.实训所需设备(见表2-14)
表2-14 实训所需的设备清单

3.面板图(见图2-48)
4.控制要求
(1)置位启动开关SD为ON时,LED指示灯依次循环显示1→2→3…→8→1、2→3、4→5、6→7、8→1、2、3→4、5、6→7、8→1→2…,模拟当前喷泉“水流”状态。
(2)置位启动开关SD为OFF时,LED指示灯停止显示,系统停止工作。
5.程序流程图(见图2-49)
图2-48 音乐喷泉实验台的面板图
图2-49 程序流程图
6.I/O端口分配及功能表(见表2-15)
表2-15 I/O端口分配及功能表

7.控制接线(见图2-50)
图2-50 程序流程图
8.操作步骤
(1)按控制接线图连接控制回路;
(2)将编译无误的控制程序下载至PLC中,并将模式选择开关拨至RUN状态;
(3)拨动启动开关SD为ON状态,观察并记录喷泉“水流”状态;
(4)尝试编译新的控制程序,实现不同于示例程序的控制效果。
9.实训总结
(1)尝试分析整套系统的工作过程;
(2)尝试用其他不同于示例程序所用的指令编译新程序,实现新的控制过程。
子任务3 编码指令、译码指令、段码指令
一、目标
通过本项目的学习,让学生掌握编码指令、译码指令、段码指令的功能,并利用它们进行编程。
二、要求
(1)熟悉编码指令、译码指令和段码指令的功能与操作数。
(2)能熟练地利用编码指令、译码指令和段码指令进行编程。
三、知识链接
1.编码指令
1)编码指令的功能
编码指令能将输入字(IN)最低有效位的位号写入输出字节(OUT)的低4位中。也就是用半个字节来对一个字型数据16位最低的1位进行编码。
IN的操作数有VW、IW、QW、MW、SMW、LW、SW、AIW、T、C、AC和常量,其数据类型为字(W),OUT的操作数有VB、IB、QB、MB、SMB、LB、SB和AC,其数据类型为字节(B)。
2)编码指令功能的示例
如图2-51所示,假设AC2中的错误信息为第9位,其对应的值为1,通过编码指令将错误信息转换为VB40中的错误代码9。
3)编码指令的利用练习
假设MW10中的某位为1时表示某种故障,该故障代码即为其位号,读取该位至VB0。
步骤一:编程。参考程序如图2-52所示。
图2-51 编码指令功能示意图
图2-52 参考程序
步骤二:保存、编译、下载程序至PLC,并将PLC设置为RUN状态。
步骤三:单击“程序监控”按钮,观察程序运行情况。
步骤四:通过状态表,修改MW10的值,查看VB0中的数值。
① 单击“状态表”按钮,在“地址”下方的第1行中填入MW10,在第二行中填入VB0;
② 单击“格式”下方的“无符号”中的下拉菜单,在系统弹出的数据类型中选中“二进制”;
③ 单击“状态表监控”按钮,显示的当前值为MW10即
,VB0即
,在“新值”下方的MW10中写入2#0100000000000000;
④ 单击“写入”按钮,拨动I1.2,VB0的当前值立即变为14。
2.译码指令
1)译码指令的功能
译码指令根据字节型输入数据IN的低4位所表示的位号将输出数据所指定的字单元的相应位置1,其他位置0,也就是对半个字节的编码进行译码来选择一个字型数据16位中的1位。
2)译码指令功能的示例
如图2-53所示,假设AC2中的错误信息为第9位,其对应的值为1,通过编码指令将错误信息转换为VB40中的错误代码9。
假设VB0中包含错误代码9,通过译码指令将VW100的第9位,其他位置0。VW100二进制数如图2-53所示。
3)译码指令使用练习
假设VB0中的低4位数值对应了16台电动机,按下I1.2时置位VW100中相应位表示对应的电动机启动。
步骤一:编程。参考程序如图2-54所示。
图2-53 译码指令功能示意图
图2-54 参考程序
步骤二:保存、编译、下载程序至PLC,并将PLC设置为RUN状态。
步骤三:单击“程序监控”按钮,观察程序运行情况。
步骤四:通过状态表,查看VW10的值。
① 单击“状态表”按钮,在“地址”下方的第1行中填入VB0,在第二行中填入VW100;
② 在“新值”下方的VB0(第1行)中写入10,单击“写入”按钮,将“格式”下方第2行数据类型选择为“二进制”;
③ 拨动I1.2,VW100的当前值立即变为
。
3.段码指令
1)段码指令的功能
段码指令能将输入字节(IN)的低四位确定的十六进制数(0~F)产生相应的七段显示码,送入输出字节OUT。
IN的操作数有VB、IB、QB、MB、SB、SMB、LB、AC、常量等。OUT的操作数为VB、IB、QB、MB、SB、SMB、LB和AC。IN/OUT的数据类型均为字节。
2)段码指令使用的七段显示器的编码(见表2-16)
表2-16 七段显示器的编码

四、实训:数码显示控制
1.实训目的
(1)掌握段码指令的使用及编程方法。
(2)掌握LED数码显示控制系统的接线、调试、操作方法。
2.实训所需设备(见表2-17)
表2-17 实训所需设备清单

3.面板图(见图2-55)
图2-55 面板图
4.控制要求
(1)硬件模式一:置位启动开关K0为ON时,LED数码显示管依次循环显示0、1、2、3…9。
(2)硬件模式二:置位启动开关K0为ON时,LED数码显示管依次循环显示0、1、2、3…9、A、B、C…F。
(3)置位停止开关K0为OFF时,LED数码显示管停止显示,系统停止工作。
5.端口分配及接线图
1)I/O端口分配及功能表(见表2-18)
表2-18 I/O端口分配及功能表

2)控制接线(见图2-56)
图2-56 控制接线图
6.操作步骤
(1)按控制接线图连接控制回路。
(2)将编译无误的控制程序下载至PLC中,并将模式选择开关拨至RUN状态。
(3)分别拨动启动开关K0,观察并记录LED数码管显示状态。
(4)尝试编译新的控制程序,实现不同于示例程序的控制效果。
7.实训总结
(1)尝试分析整套系统的工作过程。
(2)尝试用其他不同于示例程序所用的指令编译新程序,实现新的控制过程。
一、填空
1.PLC在工作过程中一般分为________、________和________三个阶段。完成上述三个阶段称为一个________,PLC通过________将外部信号的状态读入并存储在输入过程映像寄存器中。
2.PLC编程语言通常有________、________、________、________、________等5种。
练习
3.S7-200的程序有________、________、________三种,指令在程序中通常以________、________或________的形式出现。
二、选择题
1.运行监控特殊标志位是( )。
A.SM0.0 B.SM0.1 C.SM0.2 D.SM0.3
2.通常用来在RUN状态下启动自由口通信方式的特殊标志位是( )。
A.SM0.4 B.SM0.5 C.SM0.6 D.SM0.7
3.如图2-57所示,当I0.2为“ON”时,Q0.5的输出为( )。
A.0 B.1
4.如图2-57所示,当I0.3为“ON”时,Q0.6的输出为( )。
A.0 B.1
图2-57 程序与波形图
三、写出图2-58所示梯形图的语句表程序
图2-58 题三图
四、画出与图2-59语句表程序对应的梯形图
图2-59 题四图
答案
一、填空
1.输入采样 用户程序执行 输出刷新 扫描周期 光电耦合器
2.梯形图 指令表 顺序功能图 功能块图 结构文本
3.主程序 子程序 中断程序 梯形图 指令表 功能块
二、选择题
1.A 2.D 3.B 4.A
三、

四、
