- 可编程控制器技术应用(西门子S7系列)
- 唐波微 谭勇 彭庆丽主编
- 1722字
- 2018-12-28 14:25:37
任务2 基本数据类型、S7系列PLC的编程元件及其功能
一、目标
通过本项目的学习,让学生了解基本数据类型,掌握S7系列的编程元件及其功能。
二、要求
(1)能分清变量的数据类型。
(2)掌握编程元件及其相应的功能,初步用部分编程元件进行编程。
三、知识链接
1.基本数据类型
数据类型决定了数据的属性和所采用的操作数。数据类型可分为基本数据类型和复杂数据类型(由基本数据类型组合生成)。其中基本数据类型如表2-5所示。
表2-5 基本数据类型

位、字节、字、双字之间的关系如表2-6所示。
表2-6 位、字节、字、双字之间的关系

2.S7-200的编程元件及其功能
S7系列PLC有许多种编程元件,为了分辨它们,给它们指定了专有的字母符号。
I:输入继电器,记录输入点的状态。在每次扫描周期开始时采样,其结果以“1”或“0”的方式写入输入映像寄存器。
Q:输出继电器,用于从PLC直接输出控制命令。
M:内部标志位、辅助继电器或中间继电器,不直接驱动外部负载,只起到中间状态暂存的作用。
SM:特殊标志位,是用户程序与系统之间的界面,为用户提供一些特殊的控制功能及系统信息,用户对操作的一些特殊要求也通过SM通知系统。
其中,SM0.0:运行监控,PLC在运行状态时,它总是为1;SM0.1:初始脉冲,PLC由STOP转为RUN时,它ON一个周期;SM0.2:当RAM中保存的数据丢失时,它ON一个周期;SM0.3:PLC上电进入运行状态时,它ON一个周期;SM0.4:周期为1min、占空比为50%的分脉冲串;SM0.5周期为1s、占空比为50%的分脉冲串;SM0.6:扫描时钟,一个周期为ON,下一个周期为OFF,交替运行;SM0.7:指示CPU上MODE开关的位置,0=TERM,1=RUN,通常用来在RUN状态下启动自由口通信方式。
S:状态元件——顺序控制继电器(SCR),用于组织设备的顺序操作,提供控制程序的逻辑分段,通常与顺序控制指令LSCR、SCRT、SCRE结合使用。
T:定时器,相当于时间继电器。S7-200有3种定时器,其基增量分别为1ms、10ms和100ms。定时器的当前值寄存器是16位有符号整数,用于存储定时器累计的时基增量值(1~32767)。
C:计数器,用来计数输入端子或内部元件送来的脉冲数。高频信号可以指定的高速计数器(HSC)。
V:变量寄存器,用于模拟量控制、数据运算和参数设置等。
AC:累加器,支持以字节、字和双字的存取。
AIW/AQW:模拟量输入/输出,模拟量在PLC外为模拟量,在PLC内则变成数字量(16位,2字节,其地址均为偶数,如AIW0、AIW2、AIW4)。
四、实训装配:流水线控制
1.实训目的
(1)掌握移位寄存器指令的使用及编程。
(2)掌握装配流水线控制系统的接线、调试、操作。
2.实训设备(见表2-7)
表2-7 实训所需设备清单

3.实训台的面板图(见图2-13)
图2-13 装配流水线的面板图
4.控制要求
(1)总体控制要求:如图2-13所示,系统中的操作工位A、B、C,运料工位D、E、F、G及仓库操作工位H能对工件进行循环处理。
(2)闭合“启动”开关,工件经过传送工位D送至操作工位A,在此工位完成加工后再由传送工位E送至操作工位B……,依次传送及加工,直至工件被送至仓库操作工位H,由该工位完成对工件的入库操作,循环处理。
(3)断开“启动”开关,系统加工完最后一个工件入库后,自动停止工作。
(4)按“复位”键,无论此时工件位于任何工位,系统均能复位至起始状态,即工件又重新开始从传送工位D处开始运送并加工。
(5)按“移位”键,无论此时工件位于任何工位,系统均能进入单步移位状态,即每按一次“移位”键,工件前进一个工位。
图2-14 程序流程
5.程序流程(见图2-14)
6.I/O端口分配及功能表(见表2-8)
表2-8 I/O端口分配及功能表

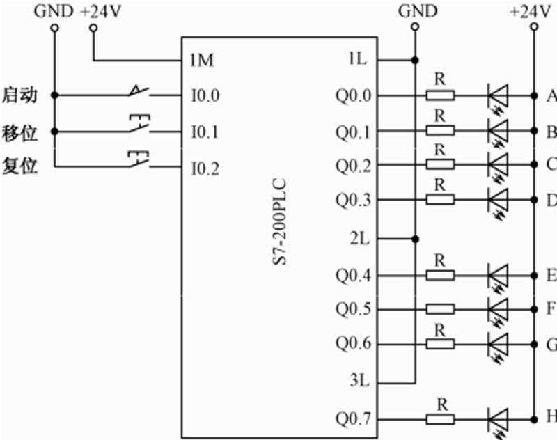
7.PLC外部接线(见图2-15)
图2-15 程序流程
8.操作步骤
(1)检查实训设备中器材及调试程序。
(2)按照I/O端口分配表或接线图完成PLC与实训模块之间的接线,认真检查,确保正确无误。
(3)打开示例程序或用户自己编写的控制程序,进行编译,有错误时根据提示信息修改,直至无误,用PC/PPI通信编程电缆连接计算机串口与PLC通信口,打开PLC主机电源开关,下载程序至PLC中,下载完毕后将PLC的“RUN/STOP”开关拨至RUN状态。
(4)按下启动按钮后,系统进入自动运行状态,调试装配流水线控制程序并观察自动运行模式下的工作状态。
(5)按“复位”键,观察系统响应情况。
(6)按“移位”键,系统进入单步运行状态,连续按“移位”键,调试装配流水线控制程序并观察单步移位模式下的工作状态。
9.实训总结
总结记录PLC与外部设备的接线过程及注意事项。