- 可编程控制器技术应用(西门子S7系列)
- 唐波微 谭勇 彭庆丽主编
- 2018-12-28 14:25:34
模块一 认知可编程控制器西门子S7系列
任务1 PLC的基本概念、基本结构、特点与应用领域
一、目标
通过项目教学,让学生掌握PLC的基本概念,了解PLC的基本结构、特点、产生的背景和应用领域,提高对PLC的认识。
二、要求
(1)了解PLC的基本概念。
(2)了解PLC的基本结构。
(3)了解PLC的特点及其应用领域。
三、知识链接
1.PLC的定义
可编程控制器(Programmable Logic Controller,PLC),即可以编写程序并通过运行程序来控制各种类型的机械或生产过程的装置。它是一种专门为在工业环境下应用而设计的数字运算操作的电子装置。它采用可以编制程序的存储器,用来在其内部存储执行逻辑运算、顺序运算、计时、计数和算术运算等操作的指令,并能通过数字式或模拟式的输入和输出,控制各种类型的机械或生产过程。PLC及其有关的外围设备都应该按易于与工业控制系统形成一个整体,易于扩展其功能的原则而设计。
2.PLC的特点
1)可靠性高,抗干扰能力强
PLC用软件代替大量的中间继电器和时间继电器,仅剩下与输入和输出有关的少量硬件,接线可减少到继电器控制系统的1/10~1/100,因触点接触不良造成的故障大为减小。
2)硬件配套齐全,功能完善,适用性强
PLC发展到今天,已经形成了大、中、小各种规模的系列化产品,并且已经标准化、系列化、模块化,配备有品种齐全的各种硬件装置供用户选用,用户能灵活方便地进行系统配置,组成不同功能、不同规模的系统。PLC的安装接线也很方便,一般用接线端子连接外部接线。PLC有较强的带负载能力,可直接驱动一般的电磁阀和交流接触器,可以用于各种规模的工业控制场合。除了逻辑处理功能以外,现代PLC大多具有完善的数据运算能力,可用于各种数字控制领域。近年来PLC的功能单元大量涌现,使PLC渗透到了位置控制、温度控制、CNC等各种工业控制中。加上PLC通信能力的增强及人机界面技术的发展,使用PLC组成各种控制系统变得非常容易。
3)易学易用,深受工程技术人员欢迎
PLC作为通用工业控制计算机,是面向工矿企业的工控设备。它接口容易,编程语言易于工程技术人员接受。梯形图语言的图形符号与表达方式和继电器电路图相当接近,只用PLC的少量开关量逻辑控制指令就可以方便地实现继电器电路的功能。为不熟悉电子电路、不懂计算机原理和汇编语言的人使用计算机从事工业控制打开了方便之门。
4)功能强,易改造,性价比高
一台小型的PLC内有成百上千个可供用户使用的编程元件,功能强大,能实现非常复杂的控制功能,且系统的设计、安装、调试工作量小,维护方便,容易改造。PLC的梯形图程序一般采用顺序控制设计法。这种编程方法很有规律,很容易掌握。对于复杂的控制系统,梯形图的设计时间比设计继电器系统电路图的时间要少得多,因而它与相同功能的继电器系统相比较,具有很高的性价比。
PLC用存储逻辑代替接线逻辑,大大减少了控制设备外部的接线,使控制系统设计及建造的周期大为缩短,同时维护也变得容易起来。更重要的是使同一设备经过改变程序和生产过程成为可能。
5)体积小,质量轻,能耗低
以超小型PLC为例,新近出产的品种底部尺寸小于100mm,仅相当于几个继电器的大小,因此,可将开关柜的体积缩小到原来的1/2~1/10。它的质量小于150g,功耗仅数瓦。由于体积小很容易装入机械内部,是实现机电一体化的理想控制设备。
6)维修工作量小,维修方便
PLC的故障率很低,且有完善的自诊断和显示功能。PLC或外部的输入装置及执行机构发生故障时,可以根据PLC上的发光二极管或编程器提供的信息迅速查明故障原因,用更换模块的方法迅速排除故障。
3.PLC的应用领域及应用实例
随着现代科学技术的进步和发展,目前自动化控制系统已是一种以先进控制技术和智能控制技术为核心的综合自动化控制,其内涵不断扩充和深化,主要包括电气传动控制技术、电器控制系统、电气控制技术、低压电器。PLC在集散自动化系统中充分发挥其强大功能。使用范围可覆盖从替代继电器的简单控制到更复杂的自动化控制。应用领域极为广泛,覆盖所有与自动检测、自动化控制有关的工业及民用领域,如钢铁、石油、化工、电力、建材、机械制造、汽车、轻纺、交通运输、环保及文化娱乐等各个行业,使用情况大致可归纳为如下几类。
图1-1 双控电路电气接线图
1)模拟量控制
在工业生产过程中,有许多连续变化的量,如温度、压力、流量、液位和速度等都是模拟量。为了使可编程控制器处理模拟量,必须实现模拟量(Analog)和数字量(Digital)之间的A/D转换及D/A转换。PLC厂家都生产配套的A/D和D/A转换模块,使可编程控制器用于模拟量控制。
2)开关量的逻辑控制
这是PLC最基本、最广泛的应用领域,它取代传统的继电器电路,实现逻辑控制、顺序控制。既可用于单台设备的控制,也可用于多机群控及自动化流水线。如注塑机、印刷机、订书机械、组合机床、磨床、包装生产线、电镀流水线等。
3)运动控制
PLC可以用于圆周运动或直线运动的控制。从控制机构配置来说,早期直接用于开关量I/O模块连接位置传感器和执行机构,现在一般使用专用的运动控制模块。如可驱动步进电机或伺服电机的单轴或多轴位置控制模块。世界上各主要PLC厂家的产品几乎都有运动控制功能,广泛用于各种机械、机床、机器人、电梯等场合。
4)过程控制
过程控制是指对温度、压力、流量等模拟量的闭环控制。作为工业控制计算机,PLC能编制各种各样的控制算法程序,完成闭环控制。PID调节是一般闭环控制系统中用得较多的调节方法。大中型PLC都有PID模块,目前许多小型PLC也具有此功能模块。PID处理一般是运行专用的PID子程序。过程控制在冶金、化工、热处理、锅炉控制等场合有非常广泛的应用。
5)数据处理
现代PLC具有数学运算(含矩阵运算、函数运算、逻辑运算)、数据传送、数据转换、排序、查表、位操作等功能,可以完成数据的采集、分析及处理。这些数据可以与存储在存储器中的参考值比较,完成一定的控制操作,也可以利用通信功能传送到别的智能装置,或将它们打印制表。数据处理一般用于大型控制系统,如无人控制的柔性制造系统;也可用于过程控制系统,如造纸、冶金、食品工业中的一些大型控制系统。
6)通信及联网
PLC通信含PLC间的通信及PLC与其他智能设备间的通信。随着计算机控制的发展,工厂自动化网络发展得很快,各PLC厂商都十分重视PLC的通信功能,纷纷推出各自的网络系统。新近生产的PLC都具有通信接口,通信非常方便。
7)应用实例(演示实验):利用PLC实现双控功能的控制电路
日常生活中常用到双控电路,如在门口和床头两个地方都可以实现对床头灯的控制。接线如图1-1所示。
(1)所需器材如下。
① 可编程控制器实训装置:THPFSM-1/2;
② 导线若干;
③ PC/PPI通信电缆;
④ 计算机;
⑤ 双控开关(两只);
⑥ 白炽灯(220V 15W)一盏。
(2)I/O端口分配及功能(见表1-1)。
表1-1 I/O端口分配及功能表

(3)PLC控制接线图(见图1-2)。
(4)演示电路控制程序(见图1-3)。
图1-2 PLC双控电路接线图
图1-3 演示电路控制程序
(5)演示步骤。
① 教师在上课前按照图1-1所示的接线图预先接好电路,在课堂上分别拨动双控开关A和B,以实现双控功能。
② 按照图1-2接线图完成PLC硬件接线,并按图1-4连接上位计算机与PLC。
(6)打开软件,单击“设置PG/PC接口”,选择“PC/PPI通信方式”,单击“属性”按钮,设置PC/PPI属性,如图1-5所示。
图1-4 PLC与上位计算机连接图
图1-5 PC/PPI属性设置
(7)单击“通信”图标,在弹出的对话框中,双击“刷新”,搜寻PLC,寻找到PLC后,选择该PLC;至此,PLC与上位计算机的通信参数设置完成。
(8)编程并编译,确认无误后将程序下载到PLC中,按图1-6所示的方法单击“运行”按钮,运行程序。
(9)将K0和K1全部置0,观察LED是否不亮;并照图1-6所示的方法,单击“监视”按钮,观察程序运行情况和各编程元件的状态。
图1-6 运行与监视设置
(10)将K0置0,K1置1,观察LED的状态是否亮。
(11)将K0置1,K1置1,观察LED的状态是否不亮。
(12)将K0置1,K1置0,观察LED的状态是否亮。
通过改变K0、K1的状态,使LED的状态发生改变,从而实现双控功能。
四、实训:对S7-200的认知
1.实训目的
(1)了解PLC软、硬件结构及系统组成。
(2)掌握PLC外围直流控制及负载线路的接法及上位计算机与PLC通信参数的设置。
2.实训设备(见表1-2)
表1-2 实训所需设备清单

3.S7-200系列PLC外形图(见图1-7)
4.控制要求
(1)认知西门子S7-200系列PLC的硬件结构,详细记录其各硬件部件的结构及作用。
图1-7 S7-200系列PLC外形图
(2)打开编程软件,编译基本的与、或、非程序段,并下载至PLC中。
(3)能正确完成PLC端子与开关、指示灯接线端子之间的连接操作。
(4)拨动K0、K1,指示灯能正确显示。
(5)分别输入下面的程序。
说明 与逻辑(见图1-8):当I0.0、I0.1状态均为1时,Q0.0有输出;当I0.0、I0.1两者有任何一个状态为0时,Q0.0输出时即为0。
说明 或逻辑(见图1-9):当I0.0、I0.1状态任意一个为1时,Q0.1即有输出;当I0.0、I0.1状态均为0时,Q0.1输出为0。
说明 非逻辑(见图1-10):当I0.0状态为0时,Q0.2有输出;当I0.0为1,Q0.2输出为0。
图1-8 与逻辑
图1-9 或逻辑
图1-10 非逻辑
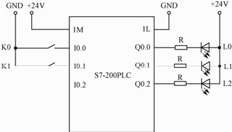
5.端口分配及接线图
1)I/O端口分配及功能表(见表1-3)
表1-3 I/O端口分配及功能表

2)控制接线图(见图1-11)
6.操作步骤
(1)用PC/PPI将上位计算机与PLC连接好。
(2)按“控制接线图”连接PLC外围电路。
(3)设置好PLC与上位计算机间的通信参数。
(4)编译实训程序,确认无误后,单击
将程序下载至PLC中,下载完毕后,单击“运行”按钮,运行程序。
图1-11 控制接线图
(5)将K0、K1均拨至OFF状态,观察记录L0指示灯点亮状态,单击“监视”按钮,观察程序运行时各编程元件的状态。
(6)将K0拨至ON状态,将K1拨至OFF状态,观察记录L1指示灯点亮状态。
(7)将K0、K1均拨至ON状态,观察记录L2指示灯点亮状态。
7.实训总结
(1)详细描述S7-200PLC的硬件结构。
(2)总结出上位计算机与S7-200PLC通信参数的设置方法。
- 21天学通JavaScript
- 来吧!带你玩转Excel VBA
- Learning Apache Cassandra(Second Edition)
- 模型制作
- Expert AWS Development
- 乐高创意机器人教程(中级 下册 10~16岁) (青少年iCAN+创新创意实践指导丛书)
- SharePoint 2010开发最佳实践
- Apache Spark Deep Learning Cookbook
- 网络管理工具实用详解
- 自动化生产线安装与调试(三菱FX系列)(第二版)
- Bayesian Analysis with Python
- 基于RPA技术财务机器人的应用与研究
- MongoDB 4 Quick Start Guide
- 传感器原理与工程应用
- 30天学通Java Web项目案例开发