- 汽车底盘电控系统检修
- 杨智勇 李敬福
- 13字
- 2019-12-20 17:20:31
项目一 电控自动变速器的检修
任务一 常规电控自动变速器的检修
学习目标
(1)熟悉自动变速器的基本组成与工作原理。
(2)熟悉自动变速器主要部件的结构、工作过程和检修方法。
(3)掌握自动变速器的检查方法、自动变速器的正确使用与维护方法。
(4)熟悉自动变速器常见故障的检修方法。
任务引入
车主刘先生来到某汽车4S店反映,他的上汽大众Polo轿车在上坡加速行驶时,发动机转速很高,但车速不能快速提高,然而在平坦的路面行驶时基本正常。经过进一步询问,该车行驶里程为4.6万千米,车辆使用不到3年。
该车的故障现象是典型的自动变速器故障,为了查明故障原因,汽车维修人员必须了解自动变速器的分类、组成等相关的基础知识,熟悉自动变速器的结构、工作原理与故障诊断方法,为排除相关故障打下基础。
相关知识
一、自动变速器的基本知识
自动变速器(Automatic Transmission,AT)是指汽车行驶中离合器的操纵和变速器的操纵都实现自动化的变速装置。目前自动变速器的自动换挡过程都是由自动变速器的电子控制单元(Electronic Control Unit,ECU)(俗称行车电脑)控制的,因此自动变速器又可简称为EAT、ECAT、ECT等。
1.自动变速器的分类
自动变速器可以按车辆驱动方式、控制方式、变速机构、前进挡挡位数的不同来分类,如表1-1所示。
前轮驱动自动变速器与驱动桥合为一体,又常称为自动传动桥;后轮驱动自动变速器用于发动机前置后轮驱动的布置形式,变速器与主减速器、差速器分开。这两种自动变速器在结构和布置上有很大的不同,如图1-1所示。
表1-1 自动变速器的分类
图1-1 前轮驱动和后轮驱动自动变速器
2.自动变速器的基本组成
现在自动挡汽车上的自动变速器多用的是液力自动变速器。如图1-2所示,液力自动变速器主要由液力变矩器、齿轮变速机构、换挡执行机构(图中未画出)、液压控制系统、电子控制系统和冷却滤油装置(图中未画出)等组成,液力自动变速器组成部件的作用如表1-2所示。
图1-2 液力自动变速器的组成
表1-2 液力自动变速器组成部件的作用
续表
3.自动变速器基本工作原理
(1)液力自动变速器的工作原理
图1-3所示为液力自动变速器的工作原理。液力自动变速器是通过机械传动方式,将汽车行驶时的车速和节气门开度这2个主控制参数转变为液压控制信号。液压控制系统阀板总成中的各控制阀根据这些液压控制信号的变化,按照设定的换挡规律,操纵换挡执行元件动作以实现自动换挡。
图1-3 液力自动变速器的工作原理
(2)电控自动变速器的工作原理
图1-4所示为电控自动变速器的工作原理。它是通过各种传感器,将发动机的转速、节气门开度、车速、冷却液温度、ATF油温等参数信号输入ECU,ECU根据这些信号,按照设定的换挡规律,向换挡电磁阀发出控制信号,换挡电磁阀再将ECU的控制信号转变为液压控制信号,阀板中的各控制阀根据这些液压控制信号,控制换挡执行元件的动作,从而实现自动换挡。
4.自动变速器换挡杆的布置与使用
自动变速器的换挡操纵方式有按钮式和换挡杆式2种。驾驶员通过操纵按钮或换挡杆进行挡位选择,使车辆前进、停止或倒退。按钮式应用较少,按钮一般布置在仪表板上,换挡杆一般布置在转向柱(已很少见)或驾驶室地板上。
如图1-5所示,自动变速器换挡杆一般设有P挡(驻车挡)、R挡(倒挡)、N挡(空挡)、D挡(前进挡)、3挡(前进低挡)、2(或S)挡(前进低挡)和L(或1)挡(前进低挡)。有的自动变速器换挡杆设有OD挡(超速挡)。
图1-4 电控自动变速器的工作原理
图1-5 自动变速器换挡杆位置示意图
自动变速器换挡杆各挡位的名称及功用如表1-3所示。
表1-3 自动变速器换挡杆各挡位的名称及功用
续表
5.自动变速器的优点和缺点
自动变速器的优点和缺点如表1-4所示。
表1-4 自动变速器的优点和缺点
二、液力变矩器
液力变矩器安装在发动机的飞轮上,是构成自动变速器不可缺少的重要组成部分。液力变矩器的结构和性能直接决定自动变速器的传动效率。
1.液力变矩器的功用与组成
(1)液力变矩器的功用
液力变矩器位于发动机和齿轮变速器之间,以ATF为工作介质,其主要功用如表1-5所示。
表1-5 液力变矩器的功用
续表
(2)液力变矩器的组成
如图1-6所示,液力变矩器一般由泵轮、涡轮、导轮、单向离合器和锁止离合器组成,其中,单向离合器安装在导轮内。液力变矩器主要部件的作用如表1-6所示。
图1-6 液力变矩器的组成
表1-6 液力变矩器主要部件的作用
续表
图1-7 楔块式单向离合器的结构与工作原理
图1-8 锁止离合器的结构及工作原理
2.液力变矩器的工作原理及特性

(1)液力变矩器的工作原理
液力变矩器工作时,壳体内充满ATF,发动机带动壳体旋转,壳体带动泵轮旋转,泵轮的叶片将ATF带动起来,并冲击到涡轮的叶片;如果作用在涡轮叶片上的冲击力大于作用在涡轮上的阻力,涡轮将开始转动,并使机械变速器的输入轴一起转动。由涡轮叶片流出的ATF经过导轮后再流回到泵轮,形成图1-9所示的循环流动。
图1-9 ATF在液力变矩器中的循环流动
上述ATF的循环流动是两种运动的合运动。当液力变矩器工作,泵轮旋转时,泵轮叶片带动ATF旋转起来,ATF绕着泵轮轴线做圆周运动;同样随着涡轮的旋转,ATF也绕着涡轮轴线做圆周运动。旋转起来的ATF在离心力的作用下,沿着泵轮和涡轮的叶片从内缘流向外缘。当泵轮转速大于涡轮转速时,泵轮叶片外缘的液压大于涡轮外缘的液压。因此,ATF在做圆周运动的同时,在上述压差的作用下由泵轮流向涡轮,再流向导轮,最后返回泵轮,形成在液力变矩器环形腔内的循环运动。
(2)液力变矩器的工作特性
① 扭矩放大特性。在泵轮与涡轮的转速差较大的情况下,由涡轮甩出的ATF以逆时针方向冲击导轮叶片,如图1-10所示,此时导轮是固定不动的,因为导轮上装有单向离合器,它可以防止导轮逆时针转动。导轮的叶片形状使得ATF的流向改变为顺时针方向流回泵轮,即与泵轮的旋转方向相同。泵轮将来自发动机和从涡轮回流的能量一起传递给涡轮,使涡轮输出扭矩增大。液力变矩器的扭矩放大倍数一般为2.2左右。
图1-10 液力变矩器的扭矩放大原理
液力变矩器的变矩特性只有在泵轮与涡轮转速相差较大的情况下才成立,随着涡轮转速的不断提高,从涡轮回流的ATF会按顺时针方向冲击导轮。若导轮仍然固定不动,ATF将会产生涡流,阻碍其自身的运动。为此绝大多数液力变矩器在导轮机构中增设了单向离合器。单向离合器在液力变矩器中起单向导通的作用,当涡轮与泵轮转速相差较大时,单向离合器处于锁止状态,导轮不能转动。
提示
涡轮转速升高到一定程度后,单向离合器处于解锁状态,允许导轮按涡轮的旋转方向转动,避免涡流的产生,使油液顺利回流至泵轮。
② 耦合工作特性。液力变矩器工作时,当涡轮转速达到泵轮转速的85%~90%时,单向离合器解锁,液力变矩器进入耦合工作区,即导轮空转,变矩器不能改变输出扭矩,只有液力耦合器的功能。液力变矩器进入耦合区的转速受发动机节气门开度和车速的影响而有所不同。液力变矩器在低速时按变矩器特性工作,在高速时按耦合器特性工作,高效区工作的范围有所扩大。
③ 失速特性。液力变矩器失速状态是指涡轮因负荷过大而停止转动,但泵轮仍保持旋转的现象,此时液力变矩器只有动力输入而没有输出,全部输入能量都转化成热能,因此变矩器中的油液温度急剧上升,会对变矩器造成严重危害。失速点转速是指涡轮停止转动时液力变矩器的输入转速,该转速大小取决于发动机扭矩、变矩器的尺寸,以及导轮、涡轮的叶片角度。
3.四元件液力变矩器
为了使液力变矩器工作效率在进入耦合区之前不会显著下降,可采用2个导轮,分别安装在各自的单向离合器上,形成双导轮,即四元件液力变矩器,如图1-11所示。
四元件液力变矩器中的2个导轮具有不同的叶片进口角度,在低转速比时,2个导轮均被单向离合器锁住,按变矩器工况工作。在中转速比时,涡轮出口液流开始冲击第1个导轮叶片背面,第1个单向离合器松开,第1个导轮与涡轮同向旋转,仅第2个导轮仍在起变矩作用。在高速比时,涡轮出口液流开始冲击第2个导轮叶片背面,其单向离合器松开,第2个导轮也与涡轮做同向旋转,变矩器全部转入耦合器工况工作。
图1-11 四元件液力变矩器示意图
1—起动齿圈;2—变矩器壳;3—曲轴凸缘;4—第1个导轮(Ⅰ);5—涡轮;6—泵轮;7—第2个导轮(Ⅱ);8—自由轮机构;9—输出轴;10—导轮固定套管
提示
四元件液力变矩器虽然可增大变矩器的高效率工作范围,但因结构更加复杂,现已很少使用。
三、齿轮变速机构
齿轮变速机构是自动变速器的重要组成部分,与液力变矩器串联组合,可以使扭矩、转速的变化范围再扩大2~4倍,以满足汽车行驶的要求,同时实现倒挡和空挡。
齿轮变速机构可分为行星齿轮变速机构和非行星齿轮变机构2种,目前多数齿轮变速机构都采用行星齿轮变速机构。行星齿轮变速机构由行星齿轮机构和换挡执行机构组成,换挡执行机构根据自动变速器控制系统的命令来接合或分离、制动或放松行星齿轮机构的某个元件,以改变动力传递路线来实现传动比的变化。
1.行星齿轮机构
根据其组合形式的不同,行星齿轮机构可分为单排行星齿轮机构和单排双级行星齿轮机构。
(1)单排行星齿轮机构
如图1-12所示,单排行星齿轮机构主要由1个太阳轮(或称为中心轮)、1个带有若干个行星齿轮的行星架和1个齿圈组成。

齿圈上制有内齿,其余齿轮均为外齿。太阳轮位于机构的中心,行星轮与太阳轮外啮合,行星轮与齿圈内啮合。行星轮通常有3~6个,通过滚针轴承安装在行星齿轮轴上,行星齿轮轴对称、均匀地安装在行星架上。行星齿轮机构工作时,行星轮除了绕自身轴线的自转外,同时还绕着太阳轮公转,行星架也绕太阳轮旋转。
图1-12 单排行星齿轮机构
提示
由于太阳轮与行星轮是外啮合的,所以二者的旋转方向是相反的;而行星轮与齿圈是内啮合的,所以二者的旋转方向是相同的。
设太阳轮、齿圈、行星架的转速分别为n1,n2,n3,齿数分别为z1,z2,z(3 行星架本身是没有齿的,其虚拟齿数z3是根据行星齿轮变速系统运行规律计算出来的),齿圈齿数与太阳轮齿数之比为α,即α=z2/z1。根据能量守恒定律,由作用在单排行星齿轮机构各元件上的力矩和结构参数,可得出表示单排行星齿轮机构运动规律的特性方程式为

提示
由上式可知,单排行星齿轮机构有2个自由度,通过对太阳轮、齿圈和行星架三者中的某个元件的运动进行约束和限制,则机构就可以得到1个自由度,整个行星齿轮机构就可以以一定的传动比传递动力。
单排行星齿轮机构的动力传递方式如图1-13所示。
图1-13 单排行星齿轮机构的动力传递方式
1—太阳轮;2—齿圈;3—行星架;4—行星轮
① 齿圈为主动件(输入),行星架为从动件(输出),太阳轮固定,如图1-13(a)所示。此时,n1=0,则传动比i23可通过下式计算:

由于传动比大于1,说明为减速传动,可以作为降速挡。
② 行星架为主动件(输入),齿圈为从动件(输出),太阳轮固定,如图1-13(b)所示。此时,n1=0,则传动比i32可通过下式计算:

由于传动比小于1,说明为增速传动,可以作为超速挡。
③ 太阳轮为主动件(输入),行星架为从动件(输出),齿圈固定,如图1-13(c)所示。此时,n2=0,则传动比i13可通过下式计算:

由于传动比大于1,说明为减速传动,可以作为降速挡。
对比①和③这两种情况的传动比,由于i13>i23,虽然都为降速挡,但i13是降速挡中的低挡,而i23为降速挡中的高挡。
④ 行星架为主动件(输入),太阳轮为从动件(输出),齿圈固定,如图1-13(d)所示。此时,n2=0,则传动比i31可通过下式计算:

由于传动比小于1,说明为增速传动,可以作为超速挡。
⑤ 太阳轮为主动件(输入),齿圈为从动件(输出),行星架固定,如图1-13(e)所示。此时,n3=0,则传动比i12可通过下式计算:

由于传动比为负值,说明主、从动件的旋转方向相反;又由于α>1,说明为减速传动,可以作为倒挡。
⑥ 若使太阳轮、齿圈和行星架3个元件中的任何两个元件连为一体转动,即n1=n2,n1=n3或n2=n3时,则可以得到n3=n1=n2,传动比i=1。整个行星齿轮机构中所有元件之间均无相对运动,用于变速器的直接挡传动。

⑦ 若太阳轮、齿圈和行星架3个元件没有任何约束,则各元件的运动是不确定的,此时为空挡。
(2)单排双级行星齿轮机构
单排双级行星齿轮机构的示意图和简图如图1-14所示。设太阳轮、齿圈和行星架的转速分别为n1、n2和n3,齿数分别为z1、z2和z3,齿圈与太阳轮的齿数比为α,则其运动规律为

图1-14 单排双级行星齿轮机构
1—内齿圈;2—太阳轮;3—内行星轮;4—外行星轮;5—行星架
单排双级行星齿轮机构的运动分析与单排行星齿轮机构相同。
提示
自动变速器中的行星齿轮变速器一般是采用两排以上行星齿轮机构传动,其各挡传动比就是按照上述单排行星齿轮机构传动规律进行合理组合而得到的。常见的行星齿轮变速器有辛普森式的和拉维娜式的。
2.换挡执行机构
自动变速器若要实现传动比和传动方向的改变,就必须利用换挡执行机构对行星齿轮机构中的不同元件进行约束和限制(固定或连接某些元件)。换挡执行元件包括离合器、制动器和单向离合器。离合器和制动器以液压方式控制行星齿轮机构元件的运动方式,单向离合器以机械方式控制行星齿轮机构元件的运动方式。
(1)离合器
离合器的功用是连接轴和行星齿轮机构中的元件或连接行星齿轮机构中的不同元件。自动变速器上的离合器多采用多片湿式离合器。
① 离合器的结构和组成。离合器主要由摩擦片、钢片、离合器毂、活塞、复位弹簧等组成,如图1-15所示。
图1-15 离合器
1、11—卡环(卡簧);2—弹簧座;3—活塞;4—O形圈;5—离合器毂;6—复位弹簧;7—碟形弹簧;8—钢片;9—摩擦片;10—压盘
离合器毂是一个液压缸,内圆轴颈上有进油孔与控制油路相通,通过花键与主动元件相连或与其制成一体,毂内有内花键,钢片通过外缘键齿与离合器毂的内花键槽配合,与主动元件同步旋转。摩擦片通过内缘键齿与花键毂相连,钢片和摩擦片均可以轴向移动,钢片和摩擦片交错排列,二者的接合与分离由离合器的活塞控制。压盘固定于离合器毂键槽中,用以限制钢片、摩擦片的位移量,其外侧安装了限位卡环。活塞装于离合器毂内。复位弹簧一端抵于活塞端面,另一端支撑在保持座上。复位弹簧有周置螺旋弹簧、中央布置螺旋弹簧和中央布置碟形弹簧3种不同形式。
② 离合器的工作原理。离合器的工作原理如图1-16所示。
图1-16 离合器的工作原理
1—控制油道;2—复位弹簧;3—活塞;4—离合器毂;5—主动片;6—卡环;7—压盘;8—从动片;9—花键毂;10—弹簧座
当一定压力的ATF经控制油道进入活塞左侧的液压缸时,液压作用力便克服弹簧力使活塞右移,将所有离合器片压紧,即离合器接合,与离合器主、从动部分相连的元件也被连接在一起,以相同的速度旋转。
当控制阀将作用在离合器液压缸的油压撤除后,离合器活塞在复位弹簧的作用下回复原位,并将缸内的ATF从进油孔排出,使离合器分离,离合器主、从动部分可以不同转速旋转。
为了快速泄油,保证离合器彻底分离,一般在液压缸中都有一个单向球阀,如图1-17所示。当ATF被撤除时,球体在离心力的作用下离开阀座,开启辅助泄油通道,使ATF迅速而充分地撤除。
图1-17 带单向球阀的离合器
(2)制动器
制动器的功用是固定行星齿轮机构中的元件,防止其转动。自动变速器中采用的制动器有片式和带式2种。
① 片式制动器。片式制动器与片式离合器的结构和原理基本相同,不同之处是片式离合器是起连接作用而传递动力,而片式制动器是通过连接而起制动作用。片式制动器的结构如图1-18所示。
图1-18 片式制动器的结构
片式制动器的工作原理如图1-19所示,当活塞受到控制油压的作用时,活塞在活塞缸内运动,使摩擦片与钢片相互接触。其结果是,在每个摩擦片与钢片之间产生很大的摩擦力,使行星齿轮机构某一元件或单向离合器锁定在变速器壳体上。当控制油压降低时,由于复位弹簧的作用,活塞回至原位,使制动解除。
图1-19 片式制动器的工作原理
② 带式制动器。带式制动器由制动带和控制油缸等组成,图1-20所示为带式制动器的零件分解图。制动带是内表面带有镀层的开口式环形钢带。制动带的一端支撑在与变速器壳体固连的支座上,另一端与控制油缸的活塞杆相连。
图1-20 带式制动器的零件分解图
1—锁紧螺母;2—垫圈;3—调整螺钉;4—制动带;5—活塞杆;6—止推垫圈;7—复位弹簧;8—活塞;9—O形圈;10—活塞定位架;11—卡环
带式制动器的工作原理如图1-21所示,制动带开口处的一端通过支柱支撑于固定在变速器壳体的调整螺钉上,另一端支撑于油缸活塞杆端部,活塞在复位弹簧和左腔油压作用下位于右极限位置,此时,制动带和制动毂之间存在一定的间隙。
制动时,压力油进入活塞右腔,克服左腔油压和复位弹簧的作用力推动活塞左移,制动带以固定支座为支点收紧。在制动力矩的作用下,制动毂停止旋转,行星齿轮机构某元件被锁止。随着油压撤除,活塞逐渐复位,制动解除。
提示
若仅依靠弹簧张力,则活塞复位速度较慢,目前大多数制动器设置了左腔进油道。在右腔撤除油压的同时,左腔进油,活塞在油压和复位弹簧的共同作用下复位,可迅速解除制动。
图1-22所示为间接作用式伺服装置,活塞杆通过杠杆控制推杆的动作,由于采用杠杆结构将活塞作用力放大,制动力矩进一步增加。
图1-21 带式制动器的工作原理
图1-22 间接作用式伺服装置
1—制动带;2—推杆;3—杠杆;4—活塞杆;5—壳体
(3)单向离合器
单向离合器的作用是使某一元件只能按一定方向旋转,而在另一方向上锁止。常见的单向离合器有楔块式和滚柱式2种结构,其结构和工作原理与液力变矩器中的单向离合器相同。
3.辛普森式行星齿轮机构
单排行星齿轮机构是变速机构的基础。通常自动变速器中的行星齿轮机构是由2排或3排以上的简单的行星齿轮机构组成的,归纳起来,使用比较普遍的2种复合式的行星齿轮机构是辛普森式行星齿轮机构和拉维娜式行星齿轮机构。尽管目前自动变速器的品种、规格很多,但多数都是采用这2种典型行星齿轮机构与其他齿轮机构的组合。
现以丰田卡罗拉轿车U341E型自动变速器为例,介绍辛普森式行星齿轮自动变速器。
(1)辛普森式行星齿轮自动变速器的结构
丰田卡罗拉轿车配备的U341E型自动变速器采用了CR-CR式行星齿轮机构,即将两组单行星排的行星架C和齿圈R分别组配。该行星齿轮机构仅有4个独立元件(前太阳轮、后太阳轮、前行星架和后齿圈组件、前齿圈和后行星架组件),其特点是变速比大,效率高,元件轴的转速低。
图1-23所示为U341E型自动变速器行星齿轮变速传动机构的结构,表1-7所示为主要部件的功能,表1-8所示为各换挡执行元件的工作情况。
图1-23 U341E型自动变速器行星齿轮变速传动机构的结构
表1-7 U341E型自动变速器行星齿轮变速传动机构主要部件的功能
表1-8 U341E型自动变速器行星齿轮变速传动机构各换挡执行元件的工作情况
续表
注:○表示工作。
(2)动力传递路线分析
① 1挡。换挡杆处于“D”位、“3”位和“2”位的1挡时,参与工作的换挡执行元件有C1和F2,其动力传递路线如图1-24所示。1挡时动力传递发生在前行星排,F2阻止前齿圈逆输入轴的旋转方向转动,此时,后排行星齿轮组没有元件被约束,因此处于空转状态,其动力传递路线如下:
输入轴→C1→前太阳轮→前行星轮→前行星架→中间轴主、从动齿轮→输出轴

图1-24 1挡动力传递路线
放松加速踏板时,前行星架转速高(接驱动轮),前太阳轮转速低(接发动机),使前齿圈试图被带动顺着前行星架(前太阳轮)的旋转方向加速转动。由于单向离合器F2不阻止前齿圈顺着行星架的旋转方向转动,整个行星排不能反向传递动力,所以无发动机制动效果。
为了提供有发动机制动的1挡,在“L”位1挡时,除了使上述的1挡换挡执行元件工作外,还使B3也工作,使得车辆行驶时,不论是踩下还是放松加速踏板,行星排都有动力传递能力,从而获得发动机制动效果。
② 2挡。换挡杆处于“D”位和“3”位的2挡时,参与工作的换挡执行元件有C1、B2和F1,其动力传递路线如图1-25所示。2挡时动力传递发生在前、后两个行星排,B2、F1联合作用,阻止后太阳轮逆输入轴的旋转方向转动,动力传递路线如下:

图1-25 2挡动力传递路线
放松加速踏板时,前行星架和后齿圈组件转速高(接驱动轮),前太阳轮转速低(接发动机),使前齿圈和后行星架组件加速转动,进而使后太阳轮试图被带动顺着前行星架(前太阳轮)的旋转方向加速转动。由于单向离合器F1不阻止后太阳轮顺着行星架的旋转方向转动,整个行星排不能反向传递动力,所以无发动机制动效果。
为了提供有发动机制动的2挡,在“2”位2挡时,除了使上述的2挡换挡执行元件工作外,还使B1也工作,使车辆获得发动机制动效果。
③ 3挡。换挡杆处于“D”位和“3”位的3挡时,参与工作的换挡执行元件有C1、C2和B2,其动力传递路线如图1-26所示。3挡时的前、后排行星齿轮机构互锁为一体旋转,其动力传递路线如下:

图1-26 3挡动力传递路线
由于行星齿轮机构的3个元件(太阳轮、行星架、齿圈)中有2个转速相等(前太阳轮、前行星架都与输入轴相连),因此在放松加速踏板时,驱动轮的动力可以经前行星架传给前太阳轮,所以有发动机制动效果。
④ 4挡。换挡杆处于“D”位的4挡时,参与工作的换挡执行元件有C2、B1和B2,其动力传递路线如图1-27所示。4挡时动力传递发生在后行星排,此时前排行星轮组处于空转状态,其动力传递路线如下:
输入轴→C2→后行星架→后行星轮→后齿圈→中间轴主、从动齿轮→输出轴
图1-27 4挡动力传递路线
由于行星齿轮机构的3个元件(太阳轮、行星架、齿圈)中有1个固定(后太阳轮被固定),因此在放松加速踏板时,驱动轮的动力可以经后齿圈传给后行星架,所以有发动机制动效果。
⑤ 倒挡。换挡杆处于“R”位时,参与工作的换挡执行元件有C3和B3,其动力传递路线如图1-28所示。倒挡时动力传递发生在后行星排,此时前排行星轮组处于空转状态,其动力传递路线如下:
输入轴→C3→后太阳轮→后行星轮→后齿圈→中间轴主、从动齿轮→输出轴
图1-28 倒挡动力传递路线
由于行星齿轮机构的3个元件(太阳轮、行星架、齿圈)中有1个固定(后行星架被固定),因此在放松加速踏板时,驱动轮的动力可以经后太阳轮传给后齿圈,所以有发动机制动效果。
4.拉维娜式行星齿轮机构
下面以大众01V型自动变速器为例,介绍拉维娜式(Ravigneaux)行星齿轮机构。
奥迪A6、A4和帕萨特B5等轿车装备的是德国采埃孚(ZF)公司的5HP-19型自动变速器(大众公司使用的名称为01V),它采用的是拉维娜式行星齿轮机构。
(1)结构
大众01V型自动变速器行星齿轮机构与换挡执行元件的位置如图1-29所示,其动力传递路线示意图如图1-30所示。
图1-29 大众01V型自动变速器行星齿轮机构与换挡执行元件的位置
图1-30 大众01V型自动变速器动力传递路线示意图
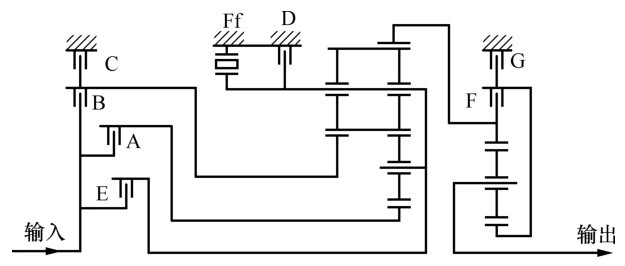
由图1-29和图1-30可知,其行星齿轮机构由1个主行星齿轮组(拉维娜式行星齿轮组)和1个次行星齿轮组(简单的单排单级行星齿轮机构)组合而成,其构件包括小太阳轮、大太阳轮、共用内齿圈、前行星架、后接太阳轮和后行星架(最终输出端)。换挡执行元件包括4个片式离合器A、B、E、F和3个片式制动器C、D、G及一个单向离合器Ff,表1-9所示为各换挡执行元件的作用。不同挡位时,各换挡执行元件的工作状态如表1-10所示。
表1-9 各换挡执行元件的作用
表1-10 各换挡执行元件的工作状态
注:“○”代表元件工作;“(○)”代表根据行驶状态起作用。
(2)动力传递路线分析


① 1挡动力传递路线。1挡动力传递路线如图1-31所示。
a.主行星齿轮组:离合器A工作,驱动大太阳轮(后排太阳轮);单向离合器Ff锁止,单向固定前行星架,则齿圈同向减速输出。
b.次行星齿轮组:动力由齿圈输入;制动器G工作,固定后接太阳轮,后接行星架同向减速输出。
图1-31 1挡动力传递路线
在直接1挡,因单向离合器Ff锁止是动力传递不可缺少的条件,故没有发动机制动效果。
②“2”位1挡动力传递路线。“2”位1挡动力传递路线如图1-32所示。
图1-32 “2”位1挡动力传递路线
a.主行星齿轮组:离合器A工作,驱动大太阳轮(后排太阳轮);单向离合器Ff锁止,同时,制动器D工作,双向固定前行星架,则齿圈同向减速输出。
b.次行星齿轮组:动力由齿圈输入;制动器G工作,固定后接太阳轮,则后接行星架同向减速输出。
在“2”位1挡,制动器D工作,将行星架双向固定,故有发动机制动效果。
③ 2挡动力传递路线。2挡动力传递路线如图1-33所示。
a.主行星齿轮组:离合器A工作,驱动大太阳轮(后排太阳轮);制动器C工作,固定小太阳轮(前排太阳轮),则齿圈同向减速输出。
b.次行星齿轮组:动力由齿圈输入;制动器G工作,固定太阳轮,则后接行星架同向减速输出。
图1-33 2挡动力传递路线
在直接2挡,因没有单向离合器参与动力传递,故有发动机制动效果。
④ 3挡动力传递路线。3挡动力传递路线如图1-34所示。
a.主行星齿轮组:3挡时,主行星齿轮组的状态与2挡相同。
b.次行星齿轮组:动力由齿圈输入;离合器F工作,将齿圈与后接太阳轮连接为一体,则整个行星齿轮机构作为一体旋转,后接行星架的输出相对于齿圈的输入没有减速。
图1-34 3挡动力传递路线
在直接3挡,因没有单向离合器参与动力传递,故有发动机制动效果。
图1-35 4挡动力传递路线
⑤ 4挡动力传递路线。4挡动力传递路线如图1-35所示。
a.主行星齿轮组:离合器A工作,驱动大太阳轮(后排太阳轮);同时,离合器E工作,驱动前行星架,因行星齿轮机构中有两个部件被同时驱动,则整个行星齿轮机作为一体旋转。
b.次行星齿轮组:次行星齿轮组的状态与3挡时相同。
4挡时,主、次级行星齿轮组的传动比均为1:1,故为直接挡。在直接挡即4挡,因没有单向离合器参与动力传递,故有发动机制动效果。
⑥ 5挡动力传递路线。5挡动力传递路线如图1-36所示。
a.主行星齿轮组:离合器E工作,驱动前行星架;制动器C工作,固定小太阳轮(前排太阳轮),则齿圈同向增速输出。
图1-36 5挡动力传递路线
b.次行星齿轮组:次行星齿轮组的状态与3挡时相同。
图1-37 倒挡动力传递路线
5挡时,主行星齿轮组传动比小于1,次行星齿轮组传动比为1,故总体传动比小于1,为超速挡。在直接5挡,因没有单向离合器参与动力传递,故有发动机制动效果。
⑦ 倒挡动力传递路线。倒挡动力传递路线如图1-37所示。
a.主行星齿轮组:离合器B工作,驱动小太阳轮(前排太阳轮);制动器D工作,固定前行星架,则齿圈反向减速输出。
b.次行星齿轮组:动力由齿圈输入;制动器G工作,固定后接太阳轮,则后接行星架同向减速输出。
5.平行轴式自动变速器
下面以本田MAXA型自动变速器为例,介绍平行轴式自动变速器。
广州本田雅阁轿车MAXA自动变速器采用电子控制式,它主要由定轴式齿轮变速传动机构、液压控制系统和电子控制系统3部分组成,可以提供4个前进挡和1个倒挡。
(1) MAXA自动变速器的结构
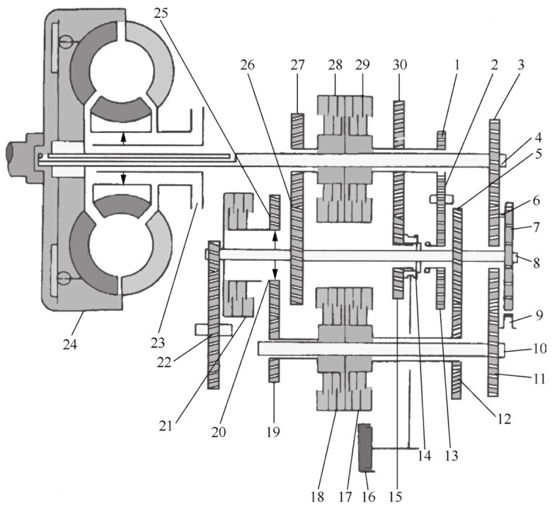
图1-38所示为广州本田雅阁轿车用MAXA自动变速器的结构,图1-39所示为MAXA自动变速器纵剖视图,图1-40所示为MAXA自动变速器的齿轮机构。平行轴式齿轮变速传动机构主要由平行轴、各挡齿轮和湿式多片离合器等组成。平行轴有3根,即主轴(输入轴)、中间轴和副轴(输出轴)。各挡离合器的特点如表1-11所示。
图1-38 广州本田雅阁轿车用MAXA自动变速器的结构
图1-39 MAXA自动变速器纵剖视图
图1-40 MAXA自动变速器的齿轮机构
1—主轴倒挡齿轮;2—倒挡齿轮;3—主轴惰轮;4—主轴;5—副轴2挡齿轮;6—副轴惰轮;7—驻车挡齿轮;8—副轴;9—驻车锁销;10—中间轴;11—中间轴惰轮;12—中间轴2挡齿轮;13—副轴倒挡齿轮;14—倒挡滑套;15—副轴4挡齿轮;16—伺服液压缸;17—2挡离合器;18—1挡离合器;19—中间轴1挡齿轮;20—单向离合器;21—1挡固定离合器;22—最终驱动齿轮;23—油泵;24—液力变矩器;25—副轴1挡齿轮;26—副轴3挡齿轮;27—主轴3挡齿轮;28—3挡离合器;29—4挡离合器;30—主轴4挡齿轮
表1-11 各挡离合器的特点
续表
(2)动力传递路线分析


MAXA自动变速器各挡位参与工作的相关部件如表1-12所示。
表1-12 MAXA自动变速器各挡位参与工作的相关部件
注:○表示工作。
① “P”位。液压油不作用到任何离合器,所有离合器均分离,动力不传递给副轴。此时,依靠制动锁块与驻车挡齿轮的互锁作用实现驻车。
② “N”位。发动机动力由液力变矩器传递给主轴惰轮、副轴惰轮和中间轴惰轮,但液压油没有作用到任何离合器上,动力没有传递给副轴。
当换挡杆从“D4”位变换到“N”位时,倒挡接合套将中间轴4挡齿轮与倒挡接合套及副轴相连;当换挡杆从“R”位变换到“N”位时,副轴倒挡齿轮也将处于啮合状态。但由于无动力传递给副轴,上述两种情况均无动力输出,从而使车辆处于空挡位置。
③ “D4”位或“D3”位1挡。其动力传递路线:液力变矩器→主轴→主轴惰轮→副轴惰轮→中间轴惰轮→中间轴→l挡离合器→中间轴1挡齿轮→副轴1挡齿轮→单向离合器→副轴→最终驱动齿轮,如图1-41所示。
图1-41 “D4”位或“D3”位1挡动力传递路线
1—副轴3挡齿轮;2—主轴惰轮;3—主轴;4—副轴惰轮;5—副轴;6—中间轴;7—中间轴惰轮;8—1挡离合器;9—中间轴1挡齿轮;10—最终输出齿轮;11—最终驱动齿轮;12—液力变矩器;13—副轴1挡齿轮;14—单向离合器
④ “D4”位或“D3”位2挡或“2”位。其动力传递路线:液力变矩器→主轴→主轴惰轮→副轴惰轮→中间轴惰轮→中间轴→2挡离合器→中间轴2挡齿轮→副轴2挡齿轮→最终驱动齿轮,如图1-42所示。
⑤ “D4”位或“D3”位3挡。其动力传递路线:液力变矩器→主轴→3挡离合器→主轴3挡齿轮→副轴3挡齿轮→副轴→最终驱动齿轮,如图1-43所示。
图1-42 “D4”位或“D3”位2挡或“2”位动力传递路线
1—副轴2挡齿轮;2—主轴惰轮;3—主轴;4—副轴惰轮;5—副轴;6—中间轴;7—中间轴惰轮;8—中间轴2挡齿轮;9—2挡离合器;10—最终输出齿轮;11—最终驱动齿轮;12—液力变矩器
图1-43 “D4”位或“D3”位 挡动力传递路线
1—3挡离合器;2—主轴;3—副轴;4—副轴3挡齿轮;5—最终输出齿轮;6—最终驱动齿轮;7—液力变矩器;8—主轴3挡齿轮
⑥ “D4”位4挡。其动力传递路线: 液力变矩器→主轴→4挡离合器→主轴4挡齿轮→副轴4挡齿轮→倒挡滑套→副轴→最终驱动齿轮,如图1-44所示。
图1-44 “D4”位4挡动力传递路线
1—主轴4挡齿轮;2—副轴;3—主轴;4—倒挡选择器轮壳;5—倒挡选择器;6—副轴4挡齿轮;7—最终输出齿轮;8—最终驱动齿轮;9—液力变矩器;10—4挡离合器
⑦ “1”位1挡。其动力传递路线与“D4”位或“D3”位1挡基本相同,区别仅在于1挡固定离合器接合,使动力分流,实现发动机制动,如图l-45所示。其动力传递路线:车轮→驱动桥→最终驱动齿轮→副轴→1挡固定离合器→副轴l挡齿轮→中间轴1挡齿轮→l挡离合器→中间轴→中间轴惰轮→副轴惰轮→主轴惰轮→主轴→液力变矩器→发动机。
图1-45 “1”位1挡动力传递路线
1—副轴3挡齿轮;2—主轴惰轮;3—主轴;4—副轴惰轮;5—副轴;6—中间轴;7—中间轴惰轮;8—1挡离合器;9—中间轴1挡离合器;10—1挡固定离合器;11—最终输出齿轮;12—最终驱动齿轮;13—液力变矩器;14—副轴1挡齿轮;15—单向离合器
⑧ “R”位。其动力传递路线:液力变矩器→主轴→4挡离合器→主轴倒挡齿轮→倒挡惰轮→副轴倒挡齿轮→副轴→最终驱动齿轮,如图1-46所示。
图1-46 “R”位动力传递路线
1—主轴倒挡齿轮;2—主轴;3—副轴;4—副轴倒挡齿轮;5—最终输出齿轮;6—最终驱动齿轮;7—液力变矩器;8—4挡离合器;9—倒挡惰轮;10—倒挡选择器;11—倒挡选择器轮壳;12—副轴倒挡齿轮;13—倒挡换挡拨叉
四、控制系统
自动变速器的自动换挡控制是由电子控制系统控制液压控制系统的各种滑阀,通过改变液压系统的油路来实现的。因此,自动变速器的控制系统可分为液压控制系统和电子控制系统2部分,控制系统的结构、工作原理及检修等相关知识是学习自动变速器的重要基础。
1.液压控制系统
液压控制系统担负着为液力传动装置提供传动介质,对齿轮变速机构进行换挡控制的重要任务。同时它还为变速器的各部分提供可靠的润滑和冷却。
(1)液压控制系统的基本组成
液压控制系统主要由动力源、执行机构和控制机构3部分组成,其组成部件及功用如表1-13所示。
(2)液压控制系统的主要元件
① 油泵。油泵是液压控制系统的动力源,它一般位于液力变矩器和行星齿轮系统之间,由液力变矩器泵轮驱动。其功用是产生一定压力和流量的ATF,供给液力变矩器、液压控制系统和行星齿轮机构。油泵的类型主要有内啮合齿轮泵、转子泵和叶片泵,如图1-47所示。这3种泵的共同特点是内部元件(转子)由液力变矩器花键毂或驱动轴驱动,外部元件与内部元件之间有一定的偏心距。
表1-13 液压控制系统组成部件及功用
图1-47 油泵
图1-48所示为内啮合齿轮泵的结构及工作原理。内啮合齿轮泵主要由主动齿轮、从动齿轮、月牙板、壳体等组成。主动齿轮为外齿轮,从动齿轮为内齿轮,在壳体上有一个月牙板,把主、从动齿轮不啮合的部分隔开,并形成2个工作腔,分别为进油腔和出油腔。进油腔与泵体上的进油口相通,出油腔与泵体上的出油口相通。主动齿轮内径上有2个对称的凸键,与液力变矩器后端油泵驱动毂的键槽或平面相配合。因此,只要发动机转动,油泵便转动并开始供油。
图1-48 内啮合齿轮泵的结构及工作原理
1—泵盖;2—主动齿轮;3—从动齿轮;4—壳体;5—进油腔;6—出油腔;7—月牙板
油泵在工作过程中,主动齿轮带动从动齿轮转动,在齿轮脱离啮合的一端(进油腔),容积不断变大,产生真空吸力,把ATF从油底壳经滤网吸入油泵。在齿轮进入啮合的一端(出油腔),容积不断减小,油压升高,把ATF从出油腔挤压出去。这样,油泵不断地运转,就形成了具有一定压力的油液,供给自动变速器工作。
这种油泵要求具有严格的加工制造精度。因为齿轮之间、齿轮与泵体之间,过大的磨损和间隙会导致油泵的性能下降,油压过低。而油压对于自动变速器的正常工作是非常重要的。
提示
发动机不工作,油泵不转,自动变速器无油压,即使在“D”位和“R”位,也不能靠推车起动发动机。
长距离拖车时,由于发动机不转,油泵也不转,齿轮系统没有润滑油,磨损会加剧,因此要求车速慢、距离短。例如,丰田车系要求拖车车速不高于30km/h,距离不超过80km;奔驰车系要求拖车车速不高于50km/h,距离不超过50km。
变速器齿轮系统有故障或严重漏油时,牵引车辆应将传动轴脱开。对于前轮驱动的汽车,应将前轮悬空牵引。
② 主调压阀。液压油从油泵输出后,即进入主油路系统,油泵是由发动机直接驱动的,输出流量和压力均受发动机运转状况的影响,变化很大。当主油路压力过高时,会引起换挡冲击,增加功率消耗;而主油路压力过低时,又会使离合器、制动器等执行元件打滑,因此在主油路系统中必须设置主调压阀。其作用是将油泵输出压力精确调节到所需值后再输入主油路。主调压阀应能满足主油路系统在不同工况、不同挡位时,具有不同油压的要求。
a.当节气门开度较小时,自动变速器所传递的扭矩较小,执行机构中的离合器、制动器不易打滑,主油路压力可以降低。而当发动机节气门开度较大时,因传递的扭矩增大,为防止离合器、制动器打滑,主油路压力要升高。
b.当汽车在低速挡行驶时,所传递的扭矩较大,主油路压力要高。而在高速挡行驶时,自动变速器传递的扭矩较小,可降低主油路油压,以减小油泵的运转阻力。
c.倒挡的使用时间较少,为减小自动变速器尺寸,倒挡执行机构被做得较小,为避免出现打滑,在倒挡时需提高操纵油压。
主调压阀的结构如图1-49所示。油压的调节是靠电子控制,电磁阀调整不同的油压值,使滑阀移动改变节流口a的大小,通过节流作用控制主油压的大小。节流口b泄出的油压经二次调压阀的节流作用,调整变矩器油压。
图1-49 主调压阀的结构
A、B、C—油腔;a、b—节流口
③ 二次调压阀。二次调压阀是把主调压阀泄出的油压调节成变矩器油压,其结构如图1-50所示。作用于滑阀向下的力有手动阀的油压力和主油压,向上的力有弹簧弹力和来自主油压调节阀调节后的油压力,向上和向下2种力的平衡决定了节流口的开度,即通过节流口的开度将主油压调节成变矩器油压。
图1-50 二次调压阀结构
④ 手动阀。手动阀又称为手控阀或手动换挡阀,与驾驶室内的换挡杆相连,其功用是控制各挡位油路的转换。如图1-51所示,当驾驶员操纵换挡杆时,手动阀会移动,使主油压通往不同的油道。例如,当换挡杆置于“P”位时,主油压会通往“P”位、“R”位和“L”位油道;当换挡杆置于“R”位时,主油压会同时通往“P”位、“R”位和“L”位油道与“R”位油道;当换挡杆置于“N”位时,手动阀会将主油压进油道切断,则不会有主油压通往各换挡阀;当换挡杆置于“D”位时,主油压会通往“D”位、“2”位和“L” 位油道;当换挡杆置于“2”位时,主油压会同时通往“D”位、“2”位和“L”位油道与“2”位和“L”位油道;当换挡杆置于“L”位时,主油压会同时通往“D”位、“2”位和“L” 位油道,“2”位和“L”位油道及“P”位、“R”位和“L” 位油道。
图1-51 手动阀的结构
⑤ 换挡阀。电控自动变速器换挡阀的工作由换挡电磁阀控制,其控制方式有2种:一种是加压控制,即通过开启或关闭换挡阀控制油路进油孔来控制换挡阀的工作;另一种是泄压控制,即通过开启或关闭换挡阀控制油路泄油孔来控制换挡阀的工作。加压控制方式的工作原理如图1-52所示,压力油经电磁阀后通至换挡阀的左端。当电磁阀关闭时,没有油压作用在换挡阀左端,换挡阀在右端弹簧力的作用下移向左端,如图1-52(a)所示;当电磁阀开启时,压力油作用在换挡阀左端,使换挡阀克服弹簧力右移,如图1-52(b)所示,从而改变油路,实现挡位变换。
图1-52 加压控制方式的工作原理
⑥ 锁止离合器控制阀。目前在一些新型电控自动变速器上,锁止电磁阀采用脉冲式电磁阀,ECU可利用脉冲电信号占空比的大小来调节锁止电磁阀的开度,以控制作用在锁止离合器控制阀右端的油压,由此调节锁止离合器控制阀左移时所打开的排油孔的开度,从而控制锁止离合器活塞右侧油压的大小,如图1-53所示。
当作用在锁止电磁阀上的脉冲电信号为0时,电磁阀关闭,没有油压作用在锁止离合器控制阀的右端,此时锁止离合器活塞左右两侧的油压相同,锁止离合器处于分离状态;当作用在锁止电磁阀上的脉冲电信号较小时,电磁阀的开度和作用在锁止离合器控制阀右端的油压以及锁止控制阀左移打开的排油孔开度均较小,锁止离合器活塞左右两侧油压差以及由此产生的锁止离合器接合力也较小,使锁止离合器处于半接合状态。脉冲信号越大,锁止离合器活塞左右两侧油压差以及锁止离合器接合力也越大。当脉冲信号达到一定数值时,锁止离合器即可完全接合。
图1-53 电控系统锁止离合器控制阀的工作原理(脉冲式电子阀)
1—变矩器;2—锁止离合器;3—脉冲线性式锁止电磁阀;4—锁止离合器控制阀
提示
ECU在控制锁止离合器接合时,可以通过电磁阀来调节其接合速度,让接合力逐渐增大,使接合过程更加柔和。
⑦ 节流控制阀。在自动变速器内,为改善换挡质量,减轻换挡冲击和延长离合器制动的使用寿命,在通往离合器或制动器的油路中加装了许多节流控制阀。
提示
节流控制阀的作用有2个:一个是使作用在离合器和制动器上的油压缓慢上升,以减轻接合时的冲击;另一个是使作用在离合器和制动器的油压泄油时尽快泄出,使分离迅速、彻底,防止摩擦片分离不彻底造成磨损。
如图1-54所示,当工作油液从进排液口①流入进排液口②时,油压使防松球压靠在一个节流孔上,因此工作油液仅能流经另一个节流孔,使流至进排液口②的工作油液压力上升比较缓慢,减小了离合器和制动器接合时的冲击;当工作油液反转流动时,工作油液将防松球从受阻的节流孔处推开,泄油迅速,使离合器和制动器片能够快速分离。
⑧ 储能减振器。储能减振器也称蓄能器,通常用于防止离合器和制动器在接合时的冲击,一般安装在自动变速器的壳体上,如图1-55所示。
图1-54 节流控制阀的结构与工作原理
如图1-56所示,油压从进排液口将活塞1推至右端,同时将活塞2向下推。用此方式不但可减小活塞1上的油压冲击,防止离合器或制动器片快速接合时引起冲击,而且在推下活塞2压缩弹簧时又储存了能量。
图1-55 储能减振器
图1-56 储能减振器的结构与工作原理
⑨ 阀体。液压控制系统的阀体用于装载各种电磁阀和液压阀,其上制造有许多密集复杂的油道,用于控制液压及切换液压通道。阀体通常分为上阀体、下阀体和手动阀体。图1-57所示为典型的液压控制阀体实物。
图1-57 阀体
图1-57 阀体(续)
(3)液压控制系统的工作原理
目前大部分电子控制自动变速器由2个电磁阀操纵3个换挡阀实现4个挡位的变换。电控自动变速器换挡液压控制系统的工作原理如图1-58所示,它采用泄压控制方式。由图1-58可知,1-2挡换挡阀和3-4挡换挡阀由电磁阀A控制,2-3挡换挡阀由电磁阀B控制。电磁阀不通电时关闭泄油孔,来自手动阀的主油路压力油通过节流孔后作用在各换挡阀右端,使阀芯克服弹簧力左移。电磁阀通电时泄油孔开启,换挡阀右端压力油被泄空,阀芯在左端弹簧力的作用下右移。
① 1挡控制。图1-58(a)所示为1挡控制过程,此时电磁阀A断电,电磁阀B通电,1-2挡换挡阀阀芯左移,关闭2挡油路;2-3挡换挡阀阀芯右移,关闭3挡油路。同时使主油路油压作用在3-4挡换挡阀阀芯右端,使3-4挡换挡阀阀芯停留在右位。
② 2挡控制。图1-58(b)所示为2挡控制过程,此时电磁阀A和电磁阀B同时通电,1-2挡换挡阀右端油压下降,阀芯右移,打开2挡油路。
图1-58 电控自动变速器换挡液压系统原理
图1-58 电控自动变速器换挡液压系统原理(续)
A、B—换挡电磁阀;1—1-2挡换挡阀;2—2-3挡换挡阀;3—3-4挡换挡阀
③ 3挡控制。图1-58(c)所示为3挡控制过程,此时电磁阀A通电,电磁阀B断电,2-3挡电磁阀右端油压上升,阀芯左移,打开3挡油路。同时使主油路油压作用在1-2挡换挡阀左端,并让3-4挡换挡阀阀芯左端控制油压泄空。
④ 4挡控制。图1-58(d)所示为4挡控制过程,此时电磁阀A和电磁阀B均不通电,3-4挡换挡阀阀芯右端控制压力上升,阀芯左移,关闭直接挡离合器油路,接通超速制动器油路,由于1-2挡换挡阀阀芯左端作用着主油路油压,虽然右端有压力油作用,但阀芯仍然保持在右端不能左移。
2.电子控制系统
电子控制系统是自动变速器的控制核心,它接收各传感器的信息并通过运算、分析、比较,根据自动变速器的工作状态,调用其内部的控制程序,向各个执行器发出指令,使相应的电磁阀动作,从而对变速器进行最优化的控制。
(1)电子控制系统的组成
自动变速器的电子控制系统包括传感器、电子控制单元(ECU)和执行器3部分,其组成框图如图1-59所示。
传感器部分主要包括节气门位置传感器、车速传感器、冷却液温度传感器、ATF温度传感器、空挡起动开关、强制降挡开关、制动灯开关、模式选择开关、OD开关等。
执行器部分主要包括各种电磁阀和故障指示灯等。
ECU是电子控制系统的核心,主要完成换挡控制、锁止离合器控制、换挡平顺性控制、故障自诊断和失效保护等功能。
(2)输入信号
自动变速器的输入信号主要指各种传感器信号和开关信号。
① 节气门位置传感器(TPS)。
a.功用。节气门位置传感器安装在节气门体上,用于检测节气门开度的大小,并将数据传送给ECU,ECU根据此信号判断发动机负荷,从而控制自动变速器的换挡,调节主油压,控制锁止离合器。节气门位置信号相当于液控自动变速器中的节气门油压。
图1-59 电子控制系统组成框图
b.结构与工作原理。节气门位置传感器一般是采用线性输出型可变电阻式传感器,其结构与工作原理如图1-60所示。它实际上是1个滑动变阻器,有4个接线端子,E是搭铁端子,IDL是怠速端子,VTA是节气门开度信号端子,VC是ECU供电端子,由ECU提供恒定5V电压。当节气门开度增加时,节气门开度信号触点逆时针转动,VTA端子输出电压也随之线性增大,如图1-61所示,VTA端子输出电压与节气门开度成正比。当怠速时,怠速开关闭合,IDL端子电压为0V。
图1-60 节气门位置传感器的结构与工作原理
1—怠速信号触点;2—电阻器;3—节气门开度信号触点;4—绝缘体
② 车速传感器(VSS)。
a.车速传感器的作用与类型。车速传感器用于检测自动变速器输出轴转速,自动变速器ECU根据车速传感器输入的信号计算出车速,并以此信号控制自动变速器的换挡和锁止离合器的锁止。
常见的车速传感器有电磁式、舌簧开关式和光电式3种形式。一般自动变速器装有2个车速传感器,分为1号和2号车速传感器。2号车速传感器一般为电磁式的,它装在变速器输出轴附近的壳体上,为主车速传感器。1号车速传感器一般是舌簧开关式的,为副车速传感器,它装在车速表的转子附近,负责车速的传输,它同时也是2号车速传感器的备用件,当2号车速传感器失效后,由1号车速传感器代替工作。
图1-61 VTA端子输出电压与节气门开度的关系
b.车速传感器的结构与工作原理。图1-62所示为电磁式车速传感器的结构与工作原理。电磁式车速传感器主要由永久磁铁、电磁感应线圈等组成。车速表的转子一般安装在变速器输出轴上,永久磁铁和电磁感应线圈安装在变速器壳体上,如图1-62(c)所示。当输出轴转动时,转子也转动,转子与传感器之间的空气间隙发生周期性变化,使电磁感应线圈中磁通量也发生变化,从而产生交流感应电压,如图1-62(b)所示,并输送给ECU。交流感应电压随着车速(输出轴转速)的变化具有2个响应特性:一个是随着车速的增加,交流感应电压增高;另一个是随着车速的增加,交流感应电压脉冲频率也增加。ECU是根据交流感应电压脉冲频率大小计算车速的,并以此控制自动变速器的换挡。车速传感器信号相当于液控自动变速器中的速控油压,电控自动变速器没有速控阀。
图1-62 电磁式车速传感器的结构与工作原理
③ 输入轴转速传感器。多数自动变速器在输入轴附近的壳体上装有检测输入轴转速的输入轴转速传感器。该传感器一般也是采用电磁式,其结构、原理及检测与车速传感器一样。
自动变速器ECU根据输入轴转速传感器的信号可以更精确地控制换挡。另外,ECU还可以把该信号与发动机转速信号进行比较,计算出变矩器的转速比,使主油压和锁止离合器的控制得到优化,以改善换挡条件、提高行驶性能。
④ 冷却液温度传感器(水温传感器)。冷却液温度传感器的信号不仅用于发动机的控制,而且用于自动变速器的控制,还用于检测发动机冷却液温度。冷却液温度传感器一般都是一个负温度系数的热敏电阻,即温度升高,电阻下降。其结构和线路连接如图1-63所示。当发动机冷却液温度低于设定温度(如60℃),发动机ECU会发送一个信号给自动变速器ECU,以防止自动变速器换入超速挡,同时锁止离合器也不能工作。当发动机冷却液温度过高时,自动变速器ECU会让锁止离合器工作以帮助发动机降低冷却液的温度,防止变速器过热。
图1-63 冷却液温度传感器结构及线路连接
如果冷却液温度传感器故障,发动机ECU会自动将冷却液温度设定为80℃,以便发动机和自动变速器可以继续工作。
⑤ 模式选择开关。
a.功用。模式选择开关是供驾驶员选择所需要的行驶或换挡模式的开关。大部分车型都具有常规模式(NORM)和动力模式(PWR),有些车型还有经济模式(ECO)。自动变速器ECU根据所选择的行驶模式执行不同的换挡程序,控制换挡和锁止正时。如果选择动力模式,自动变速器会推迟升挡,以提高动力性;如果选择经济模式,自动变速器会提前升挡,以提高经济性;常规模式介于二者之间。
b.结构与工作原理。图1-64所示为常见的具有常规和动力两种模式的模式选择开关外形及线路,当开关接通NORM(常规模式),仪表板上NORM指示灯点亮,同时自动变速器ECU的PWR端子的电压为0V,ECU就知道选择常规模式。当开关接通PWR(动力模式),仪表板上PWR指示灯点亮,同时自动变速器ECU的PWR端子的电压为12V,ECU就知道选择动力模式。
图1-64 模式选择开关外形及线路
⑥ 空挡起动开关。
a.功用。空挡起动开关有2个功用:一个是给自动变速器ECU提供挡位信息;另一个是保证只有换挡杆置于“P”或“N”位才能起动发动机。
b.结构与工作原理。图1-65所示为空挡起动开关外形及线路,当换挡杆置于不同的挡位时,仪表板上相应的挡位指示灯会点亮。当ECU的端子N、2或L与端子E接通时,ECU便分别确定变速器位于“N”位、“2”位或“L”位;否则,ECU便确定变速器位于“D”位。只有当换挡杆置于“P”位或“N”位时,端子B与NB接通,才能给起动机通电,使发动机起动。
图1-65 空挡起动开关外形及线路
⑦ OD开关。
a.功用。OD开关(超速挡开关)一般安装在换挡杆上,由驾驶员操作控制,可以使自动变速器有或没有超速挡。
b.结构与工作原理。OD开关的结构和原理如图1-66所示。当按下OD开关(ON),OD开关的触点实际为断开,此时ECU的OD2端子的电压为12V,自动变速器可以升至超速挡,且OD OFF指示灯不亮;当再次按下OD开关,OD开关会弹起(OFF),OD开关的触点实际为闭合,此时ECU的OD2端子的电压为0V,自动变速器不能升至超速挡,且OD OFF指示灯点亮。
图1-66 OD开关结构及原理
⑧ 制动灯开关。
a.功用。自动变速器ECU通过制动灯开关检测是否踩下制动踏板,如果踩下制动踏板,ECU会取消锁止离合器的工作。
b.结构与工作原理。制动灯开关安装在制动踏板支架上,其结构和线路如图1-67所示。当踩下制动踏板,开关接通,ECU的STP端子电压为12V;当松开制动踏板,开关断开,STP端子电压为0V。ECU根据STP端子的电压变化了解制动踏板的工作情况。
图1-67 制动灯开关结构和线路
(3)执行器
电子控制系统的执行器主要指各种电磁阀。
根据功能的不同,电磁阀可以分为换挡电磁阀、锁止离合器电磁阀和油压电磁阀。根据工作原理的不同,电磁阀可以分为开关式电磁阀和占空比式(脉冲线性式)电磁阀。不同的自动变速器使用的电磁阀数量不同。例如,上海通用4T65-E自动变速器电控系统有4个电磁阀,其中2个是换挡电磁阀、1个是油压电磁阀、1个是锁止离合器电磁阀。而一汽大众的01M自动变速器电控系统则采用7个电磁阀。
绝大多数换挡电磁阀采用的是开关式电磁阀,油压电磁阀采用的是占空比式电磁阀,而锁止离合器电磁阀采用开关式的和占空比式的都有。
① 开关式电磁阀。
a.功用。开关式电磁阀的功用是开启或关闭液压油路,通常用于控制换挡阀和部分车型锁止离合器的工作。
b.结构与工作原理。开关式电磁阀由电磁线圈、衔铁、阀芯等组成,如图1-68所示。当电磁阀通电时,在电磁吸力作用下衔铁和阀芯下移,关闭泄油口,主油压供给到控制油路。当电磁阀断电时,在复位弹簧的作用下衔铁和阀芯上移,打开泄油口,主油压被泄掉,控制油路压力很小。
② 占空比式电磁阀。
a.占空比的概念。占空比是指一个脉冲周期中通电时间所占的比例(百分数),如图1-69所示。
图1-68 开关式电磁阀
1—ECU;2—节流口;3—主油路;4—控制油路;5—泄油口;6—电磁线圈;7—衔铁和阀芯
图1-69 占空比
b.结构与工作原理。占空比式电磁阀与开关式电磁阀类似,也是由电磁线圈、滑阀、弹簧等组成的,如图1-70所示。它通常用于控制油路的油压,有的车型的锁止离合器也采用此种电磁阀控制。与开关式电磁阀不同的是,控制占空比式电磁阀的电信号不是恒定不变的电压信号,而是一个固定频率的脉冲电信号。在脉冲电信号的作用下,电磁阀不断开启、关闭泄油口。
图1-70 占空比式电磁阀
1—电磁线圈;2—滑阀;3—滑阀轴;4—控制阀;5—弹簧
占空比式电磁阀有2种工作方式:一种是占空比越大,经电磁阀泄油越多,油压就越低;另一种是占空比越大,油压越高。
(4)电子控制单元
电子控制单元又称为ECU,它是自动变速器的核心,具有换挡控制、锁止离合器控制、换挡平顺性控制、故障自诊断、失效保护等功能。
① 换挡控制。自动变速器换挡时刻的控制是ECU最重要的控制内容之一。汽车在某个特定工况下都有一个与之对应的最佳换挡时刻,使汽车发挥出最好的动力性和经济性。汽车行驶过程中,自动变速器ECU根据模式选择开关信号、节气门开度信号、车速信号等参数来打开或关闭换挡电磁阀,从而打开或关闭通往离合器、制动器的油路,使变速器升挡或降挡。
图1-71所示为常见4挡自动变速器的自动换挡图,它具有以下特点。
a.随着节气门开度增加,升挡或降挡车速增加。以2挡升3挡为例,当节气门开度为2/8时,升挡车速为35km/h,降挡车速为12km/h;当节气门开度为4/8时,升挡车速为50km/h,降挡车速为25km/h。所以在实际的换挡操作过程中,一般可以采用“收油门”的方法来快速升挡。
b.升挡车速高于降挡车速,以免自动变速器在某一车速附近频繁升挡、降挡而加速自动变速器的磨损。
图1-71 常见4挡自动变速器的自动换挡
② 锁止离合器控制。自动变速器ECU存储着各种行驶模式下锁止离合器的工作方式的控制程序,可根据各种输入信号,控制锁止离合器电磁阀的通、断电,从而控制锁止离合器的工作。
a.锁止离合器工作的条件。如果满足以下5个条件,自动变速器ECU就会接通锁止离合器电磁阀,使锁止离合器处于锁止状态。
◆ 换挡杆置于“D”位,且挡位在2挡、3挡或4挡;
◆ 车速高于规定值;
◆ 节气门开启(节气门位置传感器IDL触点未闭合);
◆ 冷却液温度高于规定值;
◆ 未踩下制动踏板(制动灯开关未接通)。
b.锁止的强制取消。如果满足以下条件中的任何一项,ECU就会给锁止离合器电磁阀断电,使锁止离合器分离。
◆ 踩下制动踏板(制动灯开关接通);
◆ 发动机怠速(节气门位置传感器IDL触点未闭合);
◆ 冷却液温度低于规定值(如60℃);
◆ 当巡航系统工作时,车速降至设定车速以下至少10km/h。
提示
早期的电控自动变速器中,控制锁止离合器的电磁阀是开关式电磁阀,即通电时锁止离合器接合,断电时锁止离合器分离。目前许多新型电控自动变速器采用占空比式电磁阀作为锁止离合器电磁阀,ECU在控制锁止离合器接合时,通过改变脉冲电信号的占空比,让锁止离合器电磁阀的开度缓慢增大,以减小锁止离合器接合时所产生的冲击,使锁止离合器的接合过程变得更加柔和。
③ 换挡平顺性控制。自动变速器改善换挡平顺性的方法有换挡油压控制、减小扭矩控制和N-D换挡控制。
a.换挡油压控制。在自动变速器升挡和降挡的瞬间,ECU会通过油压电磁阀适当降低主油压,以减少换挡冲击,改善换挡。也有的自动变速器是在换挡时通过电磁阀来减小蓄能器背压,以减缓离合器或制动器油压的增长率,来减小换挡冲击。
b.减小扭矩控制。在自动变速器换挡的瞬间,通过推迟发动机点火时刻或减少喷油量,减小发动机输出扭矩,以减小换挡冲击和输出轴的扭矩波动。
c.N-D换挡控制。当换挡杆由“P”位或“N”位置于“D”位或“R”位时,或由“D”位或“R”位置于“P”位或“N”位时,通过调整喷油量,把发动机转速的变化降到最小限度,以改善换挡冲击。
④ 故障自诊断。电控自动变速器ECU具有自我诊断功能,它不断监控各传感器、信号开关、电磁阀及其线路,当有故障时,ECU使OD OFF指示灯闪烁,以提醒驾驶员或维修人员;并将故障内容以故障码的形式存储在存储器中,以便维修人员采用人工或仪器的方式读取故障码。
提示
不同的自动变速器,故障指示灯不同。如丰田车系采用OD OFF指示灯,通用车系采用Service Engine Soon指示灯,本田车系采用D4指示灯。
⑤ 失效保护。当自动变速器出现故障时,为了尽可能使自动变速器保持最基本的工作能力,以维持汽车行驶,便于汽车进厂维修,电控自动变速器ECU都具有失效保护功能。
a.当传感器出现故障时,ECU所采取的失效保护措施如下。
◆ 节气门位置传感器出现故障时,ECU根据怠速开关的状态进行控制。当怠速开关断开时(加速踏板被踩下),按节气门开度为1/2进行控制,同时节气门油压为最大值;当怠速开关接通时(加速踏板完全放松),按节气门处于全闭状态进行控制,同时节气门油压为最小值。
◆ 车速传感器出现故障时,ECU不能进行自动换挡控制,此时自动变速器的挡位由换挡杆的位置决定。在“D”位和“2”位时固定为超速挡或3挡,在“L”位时固定为2挡或1挡;或不论换挡杆在任何前进挡位,都固定为1挡,以保持汽车最基本的行驶能力。
◆ 冷却液或自动变速器油温度传感器出现故障时,ECU按温度为80℃的设定进行控制。
b.电磁阀出现故障时,ECU所采取的失效保护措施如下。
◆ 换挡电磁阀出现故障时,ECU一般会将自动变速器锁挡,挡位与换挡杆的位置有关。如丰田车系锁挡情况如表1-14所示。
表1-14 丰田车系锁挡情况
◆ 锁止离合器电磁阀出现故障时,ECU会停止锁止离合器的控制,使锁止离合器始终处于分离状态。
◆ 油压电磁阀出现故障时,ECU会停止油压的控制,使油路压力保持为最大。
五、维修实例
1.故障现象
宝来1.8T AT行驶1万千米,自动变速器不跳挡,车速升不起来。
2.故障诊断与排除
先将故障诊断仪与该车的故障诊断插口进行连接,故障诊断仪显示的故障为自动变速器转速传感器G38信号不良。换用新的G38传感器装车路试,故障依旧。说明G38传感器正常。
推断是否相关控制线路有问题,用万用表分别测量自动变速器控制单元J217的“21”端子及“66”端子与G38传感器插头的电阻值,其中1个电阻值为无穷大,说明G38传感器控制线路有断路的地方。
经过仔细检查G38传感器控制线路,发现该控制线路与自动变速器ECU相连插接器的插孔与端子接触不良,从而导致该线路时而断路。
重新插好G38传感器插接器后,重新读取故障码,G38传感器变为“SP”偶发故障,将该故障码清除后,ECU无故障记忆。路试车辆,自动变速器工作一切正常,故障排除。
任务实施
一、液力变矩器的检修
注意
液力变矩器的检修要求及注意事项如下。
(1)拆装及检修前将车辆可靠驻停。
(2)正确选用拆装与检修工具。
(3)检修前对变矩器进行清洗。
(4)拆卸液力变矩器时,最好打上装配位置标记,以便装复时按原位装回,避免影响动平衡。
(5)将变速器总成与液力变矩器组合时,要注意油泵驱动轴与油泵主动齿轮之间的配合键槽应确实对齐、插牢,否则会造成液力变矩器或油泵的损坏。
操作一 检查液力变矩器的外部
步骤一 目视检查液力变矩器的外部有无损坏和裂纹。
步骤二 目视检查油泵驱动毂外径有无磨损、缺口有无损伤。
如果有上述异常应更换液力变矩器。
操作二 单向离合器的检修
步骤一 单向离合器的检查如图1-72所示,用专用工具插入油泵驱动毂和单向离合器外座圈的槽口中。
步骤二 用手指压住单向离合器的内座圈并转动它,检查是否顺时针转动平稳而逆时针方向锁止。
如果单向离合器损坏,则需要更换液力变矩器总成。
操作三 导轮和涡轮之间的干涉检查
导轮和涡轮之间的干涉检查如图1-73所示。液力变矩器内部干涉主要是指导轮和涡轮、导轮和泵轮之间的干涉。如果有干涉,液力变矩器运转时会有噪声。
图1-72 检查单向离合器
图1-73 导轮和涡轮之间的干涉检查
步骤一 将液力变矩器与飞轮连接侧朝下放在台架上。
步骤二 装入油泵总成,确保液力变矩器油泵驱动毂与油泵主动部分接合好。
步骤三 把变速器输入轴(涡轮轴)插入涡轮轮毂中,使油泵和液力变矩器保持不动。
步骤四 顺时针、逆时针反复转动涡轮轴,如果转动不顺畅或有噪声,则应更换液力变矩器。
操作四 导轮和泵轮之间的干涉检查
导轮和泵轮之间的干涉检查如图1-74所示。
步骤一 将油泵放在台架上,并把液力变矩器安装在油泵上。
步骤二 旋转液力变矩器使液力变矩器的油泵驱动毂与油泵主动部分接合好。
步骤三 固定住油泵并逆时针转动液力变矩器。如果转动不顺畅或有噪声,则应更换液力变矩器。
操作五 液力变矩器轴套径向跳动检查
步骤一 将液力变矩器所在位置做个标记,暂时将其装到飞轮上。
步骤二 用百分表检查液力变矩器轴套的径向跳动误差,如图1-75所示。
步骤三 如果径向跳动超过0.30mm,则重新调整液力变矩器的安装方位;如果径向跳动过大,而仍然得不到修正,则应更换液力变矩器。
图1-74 导轮和泵轮之间的干涉检查
操作六 锁止离合器检修
图1-75 液力变矩器轴套径向跳动检查
锁止离合器的常见故障有不锁止和常锁止。不锁止的现象有车辆的油耗高、发动机高速运转而车速不高。具体检查时要相应检查电路部分、阀体部分以及锁止离合器本身。常锁止的现象有发动机怠速正常,但换挡杆置于动力挡(R、D、2、L)后发动机熄火。
步骤一 对车辆进行路试,将车速稳定在80 km/h,在保持车速稳定的同时,轻踩制动踏板,此时应解除锁止,即发动机转速和进气管真空度都有所增加,如果无任何变化,则锁止离合器没有正常工作,可能根本就没锁止,也可能根本就不解除锁止。
步骤二 若汽车保持稳定的80 km/h车速,突然紧急制动,发动机熄火,说明锁止离合器不能解除锁止。
二、齿轮变速机构的检修
注意
齿轮变速机构的检修要求及注意事项如下。
(1)使用厂家要求的拆装与检修工具。
(2)更换元件时要使用原厂配件。
(3)使用压缩空气时需戴护目镜。
(4)要用尼龙布将零件擦干净,禁止使用一般纱布。
(5)摩擦片在装配前要在洁净的ATF中浸泡,新摩擦片要浸泡2h,旧摩擦片要浸泡15~30min。
(6)密封衬垫、密封圈和密封环一经拆卸都应更换。
操作一 离合器摩擦片的使用极限检查
如图1-76所示,离合器摩擦片上的沟槽用于存ATF,沟槽磨平后,ATF就无法进入摩擦片与钢片之间。失去了ATF的保护之后,磨损速度会急剧加快,沟槽磨平后必须更换。
图1-76 离合器摩擦片
步骤一 将新拆下来的摩擦片用无毛布将表面擦干,用手轻按摩擦片表面时应有较多的ATF流出(摩擦片表面上有一层保持ATF的含油层)。
步骤二 轻按时如果不出油,说明摩擦片含油层(隔离层)已被抛光,无法保持ATF,则必须更换。
提示
◆摩擦片上数字记号磨掉后必须更换。
◆摩擦片出现翘曲变形时必须更换。
◆摩擦片表面发黑(烧蚀)时必须更换。
◆摩擦片出现表面剥落、有裂纹,内花键不光滑等现象时都必须更换。
操作二 离合器摩擦片的装配
步骤一 摩擦片还可继续使用的,须单独进行清洗。用清洗剂做彻底清洗后,要用清洁的水反复冲洗零件表面,使其表面不含残存的清洗剂,然后用干燥清洁的压缩空气将所有的零件吹干,再在表面上涂一层ATF,等待装配。
步骤二 装配前,摩擦片要在洁净的ATF中浸泡。新摩擦片要浸泡2h,旧摩擦片要浸泡15~30min。
步骤三 旧片要换位。装配时如果使用旧摩擦片,最里边和最外边的摩擦片最好换一次位。
步骤四 缺口要对正。部分离合器摩擦片花键上有一缺口,它是动平衡标记,装配时注意将各片的缺口对正。
操作三 离合器其他元件的检查
步骤一 离合器活塞复位弹簧工作行程和油压较小,很少损坏。拆卸离合器时,如果外观上看复位弹簧没有折断、散乱,就不必拆复位弹簧的卡环。复位弹簧主要检查其自由长度。凡变形、过短、折断的弹簧必须更换。
步骤二 压盘和钢片上的齿要完好,不能拉毛,拉毛容易造成卡滞。压盘和钢片表面如果有蓝色过热的斑迹,则应在平台上用高度尺测量其高度,或将两片叠在一起,检查其是否变形。如果出现变形或表面有裂纹则必须更换。
步骤三 离合器重新装配后要检查离合器的间隙。间隙过大会使换挡滞后、离合器打滑;间隙过小会使离合器分离不彻底。检查离合器间隙一般是用塞尺进行,如图1-77所示。
图1-77 检查离合器间隙
提示
检查离合器间隙时,可用空气压缩机、压缩空气枪、百分表和磁力表架进行检查。压缩空气的压力应保持在0.4MPa,把压缩空气枪对准进油孔,固定好离合器,把百分表抵住外侧压盘,开动压缩空气枪,根据百分表摆差得到离合器间隙。
操作四 带式制动器的检修
步骤一 外观检查。检查制动带是否有破裂、过热、不均匀磨损、表面剥落等缺陷,检查制动带磨损是否均匀,检查摩擦材料上印刷的数字是否磨掉,如果有上述任何一种缺陷,制动带都应更换。
步骤二 检查制动带摩擦片表面的含油能力。擦净制动带摩擦片上的油,然后用手指轻压制动带摩擦片,应有油溢出,如果轻压后无油溢出,说明制动带摩擦片表面含油能力下降,应更换制动带摩擦片。
步骤三 制动毂的检查。检查制动毂表面是否磨损严重,是否有烧蚀,如果磨损严重或有烧蚀,应更换制动毂。
步骤四 带式制动器组装后检查。可用400~800kPa的气压向伺服缸内施压,此时制动带应抱紧制动毂,说明伺服液压缸正常。继续加压到伺服液压缸工作通道的同时,用另一把压缩空气枪加压到伺服装置的释放通道,此时伺服装置应松开制动带。
提示
在检查制动带能否箍紧时,可用塞尺在加压前先测一下制动带的开口间隙,加压箍紧后再测一下制动带的开口间隙,便可推算出伺服推杆实际的工作行程。
步骤五 制动器装配后工作间隙的调整
间隙过小会造成换挡冲击以及摩擦片和制动毂之间分离不彻底,间隙过大易造成制动带打滑。调整时可将调整螺钉松开,先使制动带完全抱死,然后将调整螺钉退回1.5~2.5圈锁死。
提示
对于倒挡制动带,因油压较高,制动带与制动毂的间隙应稍大一些,一般是扭紧后将调整螺钉退回5圈锁死。
操作五 行星排的检查
步骤一 目视检查太阳轮、行星轮和齿圈的齿面,如果有磨损或疲劳剥落,则应更换整个行星排。
步骤二 检查行星轮与行星架之间的间隙,如图1-78所示,其标准间隙为0.2~0.6mm,最大不得超过1.0mm,否则应更换止推垫片或行星架和行星轮组件。
步骤三 用百分表检查太阳轮、齿圈、行星架等零件的轴颈或滑动轴承处有无磨损,如图1-79所示,如果有异常应更换新件。
图1-78 行星轮与行星架之间的间隙检查
图1-79 太阳轮、齿圈、行星架磨损检查
操作六 单向离合器的检查
步骤一 检查单向离合器是否存在滚柱破裂、保持架断裂或内外圈滚道磨损起槽等情况,如果发现应及时更换新件。
步骤二 检查单向离合器的锁止情况,如图1-80所示,要求能在前后两个箭头所示的方向自由转动,而反方向锁止。
图1-80 单向离合器的检查
三、自动变速器控制系统的检修
注意
自动变速器控制系统的检修要求及注意事项如下。
(1)电子控制单元(ECU)对过电压、静电非常敏感,因此,在点火开关接通时,不要插拔系统的连接器,插拔ECU上的连接器应做好防静电措施,以避免损坏ECU。
(2)检修时需要将检修车辆停在水平路面上,并拉紧驻车制动器,可靠驻车。
(3)检修时要使用厂家要求的检测工具和检测仪器,并按要求使用。
(4)使用压缩空气时,要做好防护工作,以免造成人员伤害。
(5)在更换元件时,要按厂家要求更换原厂指定配件,确认更换时再打开包装。
1.液压控制系统的检修
操作一 油泵的检修
步骤一 检查从动齿轮与泵体之间的间隙。如图1-81所示,用塞尺测量从动齿轮与泵体之间的间隙。

图1-81 用塞尺测量从动齿轮与泵体之间的间隙
步骤二 检查从动齿轮齿顶与月牙板之间的间隙。如图1-82所示,用塞尺测量从动齿轮齿顶与月牙板之间的间隙。
步骤三 检查主动齿轮齿顶与月牙板之间的间隙。如图1-83所示,用塞尺测量主动齿轮齿顶与月牙板之间的间隙。
图1-82 用塞尺测量从动齿轮齿顶与月牙板之间的间隙
图1-83 用塞尺测量主动齿轮齿顶与月牙板之间的间隙
步骤四 检查主动齿轮与从动齿轮的侧隙。如图1-84所示,用直尺和塞尺测量主动齿轮与从动齿轮的侧隙。
如果以上工作间隙超过规定值,应更换油泵。
图1-84 用直尺和塞尺测量主动齿轮与从动齿轮的侧隙
操作二 阀体的检修
阀体是自动变速器中最精密的部件之一,它的性能好坏直接影响自动变速器的换挡规律是否正常。只有在自动变速器出现换挡规律失常,或摩擦片严重烧毁,阀体内沾有大量摩擦粉末时,才可对阀板进行拆检修理。目前,汽车生产厂家均规定严禁进行阀体维修。
步骤一 检查所有阀芯表面有无刮伤痕迹,如果有轻微刮痕,可用金相砂纸抛光。
步骤二 检查各弹簧有无损坏,测量长度是否符合要求,如果不符合要求就应更换。
步骤三 检查滤网有无损坏或堵塞,如果有应更换。
步骤四 更换所有的纸质衬垫和塑料球阀。


提示
如果必须对阀体进行拆检修理,一定要按照维修手册对相关零件进行拆卸,并用清洁的煤油或酒精清洗所有的阀体零件。
2.电子控制系统的检修
操作一 系统自诊断
自动变速器电子控制系统的ECU中装有故障存储器,具有自诊断功能,如果被监测的部件发生了故障,故障的类型会以故障码的形式存储在故障存储器内。可以利用故障诊断仪读取故障码,帮助确定故障部位。
步骤一 先连接故障诊断仪。关闭点火开关,将故障诊断仪连接到故障车上的诊断插头上,按照故障诊断仪显示屏的提示,进行相应操作。
提示
◆在连接故障诊断仪之前,应将换挡杆置于“P”位,并且拉起驻车制动器。
◆蓄电池电压正常。
步骤二 读取故障码,读取数据流。
步骤三 清除故障码。在排除故障后,应清除故障码。
操作二 节气门位置传感器检测
步骤一 检查传感器电阻。点火开关关闭,拔下传感器连接器插头,用万用表的欧姆挡测量各端子之间的电阻值,标准值如表1-15所示。如果电阻值不正常,应更换节气门位置传感器。
表1-15 节气门位置传感器各端子之间的电阻值
步骤二 检查传感器电压。打开点火开关,但不起动发动机。用万用表的电压挡测量各端子之间的电压,标准值如表1-16所示。如果电压值不正常,应更换节气门位置传感器。
表1-16 节气门位置传感器各端子之间的电压值
操作三 电磁式车速传感器的检测
步骤一 外观检查。检查转子是否有断齿、脏污等情况。
步骤二 检查转子齿顶与传感器之间的间隙。其方法是用标准间隙厚度的塞尺插入转子齿顶与传感器之间,如果感觉阻力合适表明间隙符合标准,如果阻力大说明间隙过小,如果没有阻力说明间隙大。
步骤三 检查电磁线圈电阻。其方法是关闭点火开关,拔下传感器插头,用欧姆表测量电磁线圈电阻,与标准电阻值进行比较。
步骤四 模拟检查。举升车辆,用交流电压表2V挡测量输出电压,运转时应为0.4~0.8V;也可用示波器检测输出信号波形是否完整、连续、光滑等。如果检查结果不符合要求,则应更换车速传感器。
操作四 冷却液(油)温度传感器检测
步骤一 将冷却液(油)温度传感器放在水(油)杯中进行加热。
步骤二 加热过程中,测量不同温度下的电阻值,如图1-85所示,并对照维修手册的标准值来判断其好坏。表1-17所示为大众车系冷却液温度传感器在不同温度下的电阻值。
图1-85 冷却液(油)温度传感器检测
表1-17 大众车系冷却液温度传感器在不同温度下的电阻值
操作五 空挡起动开关的检测
步骤一 检查开关导通情况。点火开关关闭,拔下传感器连接器插头,用万用表的欧姆挡测量各端子之间的导通情况,如表1-18所示。如果不正常,应更换开关。
表1-18 空挡起动开关各端子之间的导通情况
步骤二 检查传感器电压。打开点火开关,但不起动发动机。用万用表的电压挡测量各端子之间的电压,标准值如表1-19所示。如果电压值不正常,应更换节气门位置传感器。
表1-19 空挡起动开关各端子的电压值
操作六 OD开关检测
步骤一 当按下OD开关(ON)时,OD OFF指示灯应熄灭。
步骤二 当再次按下OD开关,OD开关弹起(OFF)时,OD OFF指示灯应点亮。
步骤三 如果不符合上述情况,应检查OD OFF指示灯、OD开关及线路。
操作七 开关式电磁阀的检测
步骤一 检查电磁阀电阻。如图1-86所示,脱开电磁阀连接器,测量电磁阀端子与车身搭铁之间的电阻,开关式电磁阀应为11~15Ω,占空比式电磁阀应为3.6~4.0Ω。
步骤二 检查电磁阀的工作。如图1-87所示,电磁阀通电,检查是否有工作响声。由于占空比式电磁阀线圈的电阻很小,因此不可与12V蓄电池直接相连,否则容易烧毁电磁阀线圈。检测时将蓄电池串联一个低电阻,如一个8~10W的灯泡,然后再与电磁线圈相连,电磁阀应当动作,否则应更换电磁阀。
图1-86 检查电磁阀电阻
步骤三 检查电磁阀的漏气。如图1-88所示,拆下电磁阀,施加0.5MPa的压缩空气,检查电磁阀是否漏气。
图1-87 通电检查电磁阀的工作
图1-88 检查电磁阀的漏气
四、自动变速器的检修
电控自动变速器故障诊断与检测一般流程如图1-89所示。
(1)先进行常规检查,如自动变速器油液是否缺少等。
(2)用故障诊断仪读取故障码,找到故障码所提示的具体零件。
(3)进行手动换挡试验,根据故障现象分析,进行故障现象确认。
(4)进行失速试验,查找相关部件的机械技术状况。
(5)进行油压试验,检查油泵、调压阀、调速器油压和油路压力。
(6)进行换挡迟滞试验,检查离合器、制动器等部件的磨损程度。
(7)进行道路试验,检查自动换挡点,有无异常噪声、振动、打滑以及发动机的制动作用等。
(8)对电控系统组件及线路进行检查。
(9)结合各项测试结果,推断故障原因和故障部位,直至排除故障。
自动变速器的很多常见故障是由于ATF液面高度不正确、油质不良、换挡杆位置不准确等造成的,对这些方面的检查就是自动变速器的基本检查。
图1-89 电控自动变速器故障诊断与检测一般流程
操作一 ATF液面高度的检查
如果ATF液面高度过高会导致主油压过高,从而出现换挡冲击振动、换挡提前等故障,还会导致空气进入ATF。如果ATF液面高度过低则会导致主油压过低,从而出现换挡滞后、离合器和制动器打滑等故障。
ATF液面高度检查的具体方法、步骤如下。
步骤一 使发动机冷却液温度和ATF温度达到正常工作温度。
步骤二 将车辆停在水平地面,并可靠驻车。
图1-90 ATF液面高度的检查
步骤三 发动机怠速运转,将换挡杆由“P”位切换至各挡位,再退回“P”位。
步骤四 拉出变速器油尺,并将其擦拭干净。
步骤五 将油尺全部插回套管。
步骤六 再将油尺拉出,检查油面是否在HOT范围,如图1-90所示;如果不在,应加油。
操作二 ATF油质的检查
从油质中可以了解自动变速器具体的损坏情况。油质的好坏主要从以下几个方面进行识别。
步骤一 颜色:ATF的正常颜色为鲜亮、透明的红色,如果发黑则说明已经变质或有杂质,如果呈粉红色或白色则说明油冷却器进水。
步骤二 气味:正常的ATF没有气味,如果有焦糊味,说明ATF过热,有摩擦材料烧蚀。
步骤三 杂质:如果ATF中有金属切屑,说明有元件严重磨损或损伤;如果ATF中有胶质油,说明ATF因油温过高或使用时间过长而变质。
提示
检查ATF油质时,从油尺上闻一闻油液的气味,在手指上蘸少许油液,用手指互相摩擦看是否有颗粒,或将油尺上的油液滴在干净的白纸上,检查油液的颜色及气味。
操作三 ATF的更换
ATF要按维修要求进行定期更换,更换的周期因车型而异,一般为行驶2万~4万千米或24个月进行更换一次。其具体更换方法、步骤如下。
步骤一 拆下放油塞,将ATF排放到容器中。
步骤二 再将放油塞紧固上。
步骤三 发动机熄火,通过加油管加入新油。
步骤四 起动发动机,将换挡杆由“P”位切换至“L”位,再退回“P”位。
步骤五 检查油位,应在“COOL”范围内。
步骤六 在正常温度(70~80℃)时检查油位,必要时加油。
提示
ATF的选择要按照厂家的推荐。
操作四 换挡杆位置检查和调整
将换挡杆从“N”位切换到其他挡位,检查换挡杆是否能够平稳而又精确地换到其他挡位。同时检查挡位指示器是否正确地指示挡位。
如果挡位指示器与正确挡位不一致,进行下述调整。
步骤一 松开换挡杆上的螺母。
步骤二 将控制轴杆向后推到位,然后将控制轴杆退回两个槽口到“N”位,如图1-91所示。
步骤三 将换挡杆定位在“N”位。
步骤四 稍微朝“R”位定位换挡杆,拧紧换挡杆螺母。
步骤五 起动发动机,确认换挡杆自“N”位切换到“D”位时,车辆向前移动,而切换到“R”位时,车辆后退。
图1-91 将控制轴杆移到“N”位
操作五 空挡起动开关检查和调整
检查发动机是否仅能在换挡杆位于“N”位或“P”位时起动,在其他挡位不能起动。如果不符合要求,则应进行以下调整,如图1-92所示。
图1-92 空挡起动开关的调整
步骤一 松开空挡起动开关螺栓,将换挡杆置于“N”位。
步骤二 将槽口对准空挡基准线。
步骤三 定位位置并按规定力矩拧紧螺栓。
五、自动变速器性能试验
自动变速器的性能试验是检测自动变速器性能好坏的有效方法,也是自动变速器故障诊断的有效途径,无论是在维修前还是在维修后都应进行相应的性能试验,以判断自动变速器的性能。自动变速器的性能试验包括道路试验、手动换挡试验、失速试验、换挡迟滞试验、油压试验等。
操作一 道路试验
道路试验是诊断、分析自动变速器故障最有效的手段之一。此外,自动变速器在修复之后,也应进行道路试验,以检查其工作性能,检验修理质量。自动变速器的道路试验内容主要包括检查换挡车速、换挡质量以及检查换挡执行元件有无打滑等。在道路试验之前,应先让汽车以中低速行驶5~10min,让发动机和自动变速器都达到正常工作温度。在试验中,通常应将OD开关置于“ON”的位置(即OD OFF熄灭),并将模式选择开关置于常规模式或经济模式。道路试验的内容和方法如下。
步骤一 升挡检查
将换挡杆置于“D”位,踩下加速踏板,使节气门开度保持在50%左右,让汽车起步加速,检查自动变速器的升挡情况。自动变速器在升挡时发动机的转速瞬时下降,同时车身有轻微的振动感。正常情况下,汽车起步后随着车速的升高,试车者应能感觉到自动变速器顺利地由1挡升入2挡,随后再由2挡升入3挡,最后升入超速挡。若自动变速器不能升入高挡(3挡或超速挡),说明控制系统或换挡执行元件有故障。
步骤二 升挡车速的检查
在上述升挡检查的过程中,当察觉到自动变速器升挡时,记下升挡车速。一般4挡自动变速器在节气门开度50%时由1挡升至2挡的车速为25~35km/h,由2挡升至3挡的车速为55~70km/h,由3挡升至4挡(超速挡)的车速为90~120km/h。由于升挡车速和节气门开度有很大的关系,即节气门开度不同时,升挡车速也不同,而且不同车型的自动变速器各挡位传动比的大小都不相同,其升挡车速也不完全一样。因此,只要升挡车速基本保持在上述范围内,而且汽车行驶中加速良好,无明显的换挡冲击,都可认为其升挡车速基本正常。若汽车行驶中加速无力,升挡车速明显低于上述范围,说明升挡车速过低(即升挡提前);若汽车行驶中有明显的换挡冲击,升挡车速明显高于上述范围,说明升挡车速过高(即升挡滞后)。
升挡车速太低一般是控制系统的故障所致;升挡车速太高则可能是控制系统的故障所致,也可能是换挡执行元件的故障所致。
步骤三 换挡质量的检查
换挡质量的检查内容主要是检查有无换挡冲击。正常的自动变速器只能有不太明显的换挡冲击,特别是电控自动变速器的换挡冲击应十分微弱。若换挡冲击太大,说明自动变速器的控制系统或换挡执行元件有故障,其原因可能是主油压高或换挡执行元件打滑,应做进一步的检查。
步骤四 锁止离合器工作状况的检查
自动变速器液力变矩器中锁止离合器的工作是否正常也可以采用道路试验的方法进行检查。试验中,让汽车加速至超速挡,以高于80km/h的车速行驶,并让节气门开度保持在低于50%的位置,使变矩器进入锁止状态。此时,快速将加速踏板踩下使节气门开度超过85%,同时检查发动机转速的变化情况。若发动机转速没有太大的变化,说明锁止离合器处于接合状态;反之,若发动机转速升高很多,则表明锁止离合器没有接合,其原因通常是锁止控制系统有故障。
步骤五 发动机制动作用的检查
检查自动变速器有无发动机制动作用时,应将换挡杆置于“2”位或“L”位。在汽车以2挡或1挡行驶时,突然松开加速踏板,检查是否有发动机制动作用。若松开加速踏板后车速立即随之下降,说明有发动机制动作用;否则说明控制系统或换挡执行元件有故障。
步骤六 强制降挡功能的检查
检查自动变速器强制降挡功能时,应将换挡杆置于“D”位,保持节气门开度为30%左右,在以2挡、3挡或超速挡行驶时突然将加速踏板完全踩到底,检查自动变速器是否被强制降低一个挡位。在强制降挡时,发动机转速会突然升至4 000r/min左右,并随着加速升挡,转速逐渐下降。若踩下加速踏板后没有出现强制降挡,说明强制降挡功能失效。若在强制降挡时发动机转速升高反常,达5 000r/min,并在升挡时出现换挡冲击,则说明换挡执行元件打滑,应拆修自动变速器。
操作二 手动换挡试验
手动换挡试验用于判断自动变速器故障来自电控系统还是机械系统。手动换挡试验是将电控自动变速器所有换挡电磁阀的线束插接器全部脱开,此时ECU不能控制换挡,自动变速器的挡位取决于换挡杆位置。不同车型电控自动变速器在脱开换挡电磁阀线束连接器后,其挡位和换挡杆的关系不同。丰田轿车的各种电子控制自动变速器在脱开换挡电磁阀线束连接器后,其挡位和换挡杆的关系如表1-20所示。
表1-20 挡位和换挡杆的关系
其具体试验步骤如下。
步骤一 脱开电控自动变速器所有换挡电磁阀的线束连接器。
步骤二 起动发动机,将换挡杆拨至不同位置,然后上路进行试车。
步骤三 观察发动机转速和车速的对应关系,以判断自动变速器所处的挡位。不同挡位时发动机转速与车速的关系可参照表1-21。
表1-21 不同挡位时发动机转速与车速的关系
步骤四 不同挡位的发动机转速与车速同标准值相比较,如果出现异常,说明故障在机械系统。
步骤五 试验结束后插上换挡电磁阀连接器,清除故障码。
操作三 失速试验
在前进挡或倒挡中,踩住制动踏板并完全踩下加速踏板时,发动机处于最大扭矩工况,而此时自动变速器的输出轴及输入轴均静止不动,变矩器的涡轮不动,只有变矩器壳及泵轮随发动机一同转动,此工况称为失速工况,此时发动机的转速称为失速转速。失速试验用于检查发动机输出功率、变矩器及自动变速器中制动器和离合器等换挡执行元件的工作是否正常。
(1)准备工作
步骤一 让汽车行驶至发动机和自动变速器均达到正常工作温度。
步骤二 检查汽车的行车制动和驻车制动,确认其性能良好。
步骤三 检查自动变速器液压油高度,应正常。
(2)试验步骤
自动变速器失速试验的试验步骤示意图如图1-93所示,一般流程如图1-94所示。
图1-93 失速试验的试验步骤示意图
图1-94 失速试验一般流程
(3)注意事项
① 在正常工作温度下进行该试验(50~80℃)。
② 该试验连续进行不得超过5s。
③ 在每一个挡位试验完成后,不要立即进行下一个挡位的试验,要等油温下降后再进行。
④ 试验后不要立即熄火,让发动机怠速运转几分钟,以便使液压油温度降至正常。
⑤ 为保证安全,请在宽阔的水平路面上进行试验。这种路面可提供良好的附着力。
⑥ 失速试验应由2人共同完成:一人观察车轮情况,另一人应进行试验。
⑦ 如果在发动机转速未达到规定失速转速时,后轮开始转动,应放松加速踏板停止试验。
(4)试验结果分析
将测得的失速转速与标准数值进行比较,若失速转速与标准值相符,说明自动变速器的油泵、主油路油压及各个换挡执行元件工作基本正常;若失速转速高于标准值,说明主油路油压过低或换挡执行元件打滑;若失速转速低于标准值,则可能是发动机动力不足或液力变矩器有故障。例如,当液力变矩器中的导轮单向离合器打滑时,液力变矩器在液力耦合工况下工作,其变矩比下降,从而使发动机的负荷增大,转速下降。不同挡位失速转速不正常的原因如表1-22所示。
表1-22 不同挡位失速转速不正常的原因
操作四 换挡迟滞试验
在发动机怠速运转时将换挡杆从空挡拨至前进挡或倒挡后,需要一段时间的迟滞或延时才能使自动变速器完成换挡工作,这一时间称为自动变速器换挡迟滞时间。根据迟滞时间的长短可判断主油路油压及换挡执行元件的工作是否正常。迟滞时间的大小取决于自动变速器油路油压、油路密封情况以及离合器和制动器的磨损情况。
(1)试验步骤
自动变速器换挡迟滞试验的试验步骤示意图如图1-95所示,一般流程如图1-96所示。
图1-95 换挡迟滞试验的试验步骤示意图
(2)试验结果分析
大部分自动变速器N~D延时时间小于1.2s,N~R延时时间小于1.5s。若N~D延时时间过长,说明油路油压过低,前进离合器摩擦片磨损过多或前进挡单向离合器工作不良;若N~R延时时间过长,说明倒挡主油路油压过低、倒挡离合器或倒挡制动器磨损过大或工作不良。
图1-96 换挡迟滞试验一般流程
操作五 油压试验
油压试验是在自动变速器工作时,通过测量液压控制系统各油路的压力来判断各元件的功能是否正常,目的是检查液压控制系统各管路及元件是否漏油及各元件(如液力变矩器、蓄压器等)是否工作正常,从而判断故障是在自动变速器机械系统还是在液压系统。油压过高,使自动变速器出现严重的换挡冲击,甚至损坏控制系统;油压过低,会造成换挡执行元件打滑,加剧其摩擦片的磨损,甚至使换挡执行元件烧毁。因此,在分解修理自动变速器之前和自动变速器修复后,都要对自动变速器进行油压试验,以确保自动变速器的维修质量。
(1)试验准备
步骤一 驾驶汽车,使发动机及自动变速器达到正常工作温度。
步骤二 将汽车停放在水平路面上,检查发动机怠速和自动变速器液压油的液面高度。如果不正常,应进行调整。
步骤三 准备一个量程为2MPa的压力表。
步骤四 找出自动变速器各个油路测压孔的位置。通常在自动变速器外壳上有几个用方头螺塞堵住的用于测量不同油路压力的测压孔。如果没有资料确定各油路的测压孔时,可举升车辆,在发动机运转时分别将各个测压孔螺塞松开少许,观察各测压孔在换挡杆位于不同挡位时是否有压力油流出,以此判断各油路测压孔的位置。换挡杆位于前进挡或倒挡时都有压力油流出,为主油路测压孔。
换挡杆位于前进挡时才有压力油流出,为前进挡油路测压孔。
换挡杆位于倒挡时才有压力油流出,为倒挡油路测压孔。
换挡杆位于前进挡,并且在驱动轮转动后才有压力油流出,为调速器油路测压孔。
(2)试验步骤
油压试验的试验步骤示意图如图1-97所示。
图1-97 油压试验的试验步骤示意图
步骤一 前进挡主油路油压的测试。前进挡主油路油压的测试一般流程如图1-98所示。
图1-98 前进挡主油路油压的测试一般流程
步骤二 倒挡主油路油压测试。倒挡主油路油压的测试一般流程如图1-99所示。
图1-99 倒挡主油路油压的测试一般流程
丰田A341E自动变速器的主油压值如表1-23所示。
表1-23 丰田A341E自动变速器的主油压值
如果测得的油压未达到规定值,重新检查节气门拉索的调整情况并重复做油压测试。
(3)试验结果分析
不同车型自动变速器的主油路油压不完全相同。若主油路油压不正常,说明油泵或控制系统有故障,可能的故障原因如表1-24所示。
表1-24 主油路油压不正常可能的故障原因
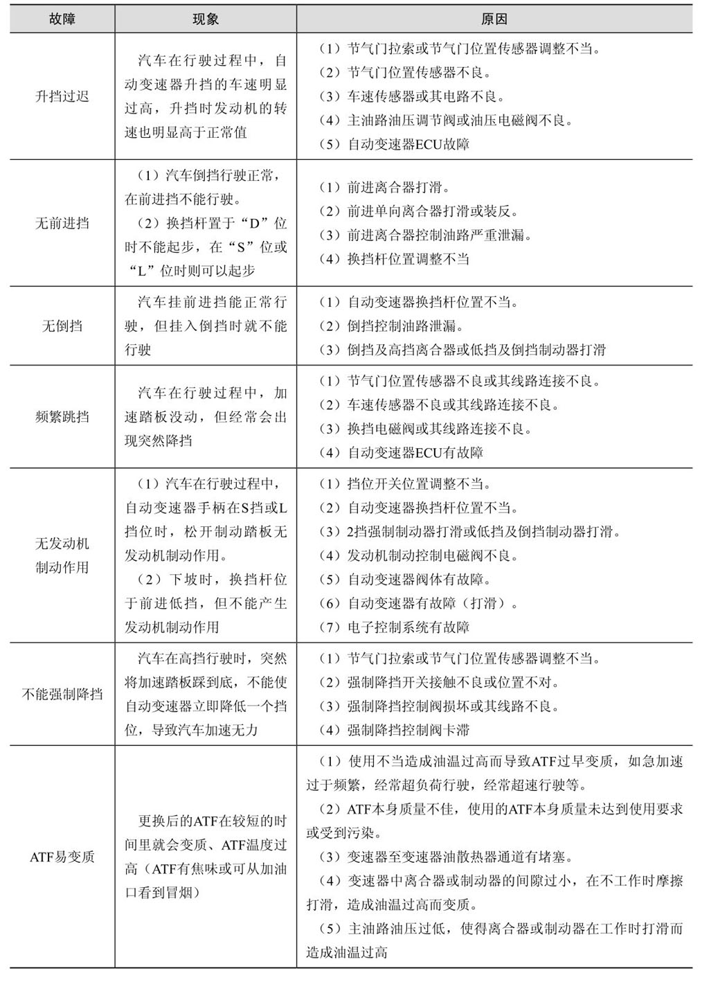
六、自动变速器常见故障现象及原因分析
自动变速器常见故障现象及原因分析如表1-25所示。
表1-25 自动变速器常见故障现象及原因分析
续表